SBOS566C June   2017  – October 2018 OPA1692

PRODUCTION DATA.  

  1. Features
  2. Applications
  3. Description
    1.     Device Images
      1.      Preamplifier for 3-Wire Electret Microphones
      2.      THD + N vs Frequency (3 VRMS, 2-kΩ Load)
  4. Revision History
  5. Pin Configuration and Functions
    1.     Pin Functions: OPA1692
  6. Specifications
    1. 6.1 Absolute Maximum Ratings
    2. 6.2 ESD Ratings
    3. 6.3 Recommended Operating Conditions
    4. 6.4 Thermal Information: OPA1692
    5. 6.5 Electrical Characteristics
    6. 6.6 Typical Characteristics
  7. Detailed Description
    1. 7.1 Overview
    2. 7.2 Functional Block Diagram
    3. 7.3 Feature Description
      1. 7.3.1 Distortion Reduction
      2. 7.3.2 Phase Reversal Protection
      3. 7.3.3 Electrical Overstress
    4. 7.4 Device Functional Modes
      1. 7.4.1 Operating Voltage
  8. Application and Implementation
    1. 8.1 Application Information
      1. 8.1.1 Capacitive Loads
      2. 8.1.2 Noise Performance
      3. 8.1.3 Basic Noise Calculations
      4. 8.1.4 EMI Rejection
      5. 8.1.5 EMIRR +IN Test Configuration
    2. 8.2 Typical Application
      1. 8.2.1 Design Requirements
      2. 8.2.2 Detailed Design Procedure
      3. 8.2.3 Application Curves
    3. 8.3 Other Application Examples
      1. 8.3.1 Two-Wire Electret Microphone Preamplifier
      2. 8.3.2 Battery-Powered Preamplifier for Professional Microphones
  9. Power Supply Recommendations
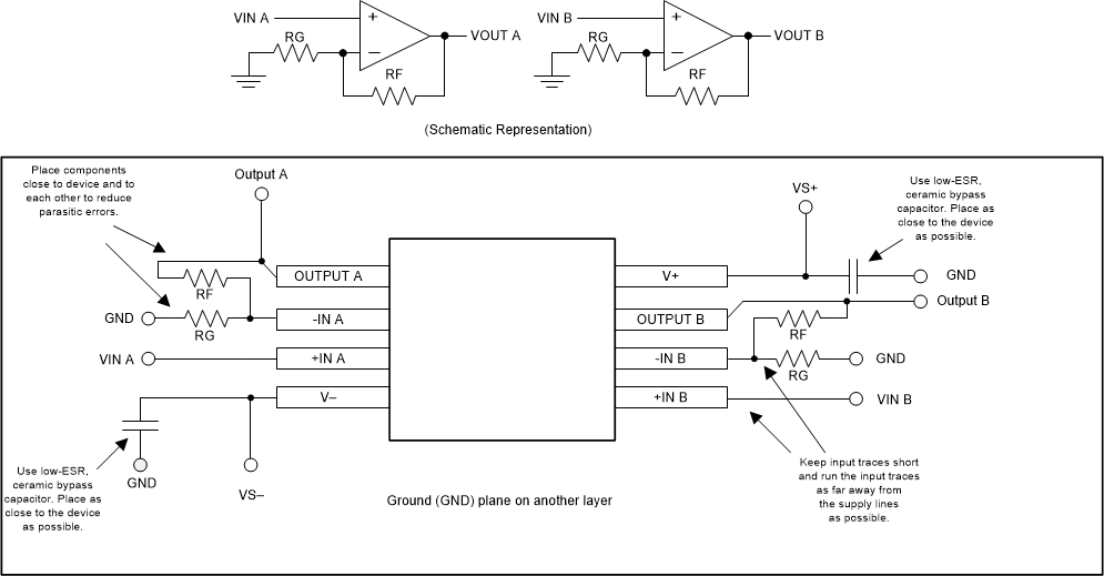
  10. 10Layout
    1. 10.1 Layout Guidelines
    2. 10.2 Layout Example
    3. 10.3 Power Dissipation
  11. 11Device and Documentation Support
    1. 11.1 Device Support
      1. 11.1.1 Development Support
        1. 11.1.1.1 TINA-TI™ (Free Software Download)
        2. 11.1.1.2 DIP Adapter EVM
        3. 11.1.1.3 Universal Operational Amplifier EVM
        4. 11.1.1.4 Smart Amplifier Speaker Characterization Board Evaluation Module
        5. 11.1.1.5 TI Precision Designs
        6. 11.1.1.6 WEBENCH Filter Designer
    2. 11.2 Documentation Support
      1. 11.2.1 Related Documentation
    3. 11.3 Related Links
    4. 11.4 Receiving Notification of Documentation Updates
    5. 11.5 Community Resource
    6. 11.6 Trademarks
    7. 11.7 Electrostatic Discharge Caution
    8. 11.8 Glossary
  12. 12Mechanical, Packaging, and Orderable Information

Package Options

Mechanical Data (Package|Pins)
Thermal pad, mechanical data (Package|Pins)
Orderable Information

Layout Example

OPA1692 layout_example_sbos477.gifFigure 64. Operational Amplifier Board Layout for Noninverting Configuration