SBOS309E August   2004  – December 2024 OPA2830

PRODUCTION DATA  

  1.   1
  2. Features
  3. Applications
  4. Description
  5. Device Comparison Table
  6. Pin Configurations and Functions
  7. Specifications
    1. 6.1  Absolute Maximum Ratings
    2. 6.2  ESD Ratings
    3. 6.3  Recommended Operating Conditions
    4. 6.4  Thermal Information
    5. 6.5  Electrical Characteristics VS = ±5V
    6. 6.6  Electrical Characteristics VS = 5V
    7. 6.7  Electrical Characteristics VS = 3V
    8. 6.8  Typical Characteristics: VS = ±5V
    9. 6.9  Typical Characteristics: VS = ±5V, Differential Configuration
    10. 6.10 Typical Characteristics: VS = 5V
    11. 6.11 Typical Characteristics: VS = 5V, Differential Configuration
    12. 6.12 Typical Characteristics: VS = 3V
    13. 6.13 Typical Characteristics: VS = 3V, Differential Configuration
  8. Parameter Measurement Information
  9. Application and Implementation
    1. 8.1 Application Information
      1. 8.1.1  Wideband Voltage-Feedback Operation
      2. 8.1.2  Single-Supply ADC Interface
      3. 8.1.3  DC Level-Shifting
      4. 8.1.4  AC-Coupled Output Video Line Driver
      5. 8.1.5  Noninverting Amplifier With Reduced Peaking
      6. 8.1.6  Single-Supply Active Filter
      7. 8.1.7  Differential Low-Pass Active Filters
      8. 8.1.8  High-Pass Filters
      9. 8.1.9  High-Performance DAC Transimpedance Amplifier
      10. 8.1.10 Operating Suggestions Optimizing Resistor Values
      11. 8.1.11 Bandwidth vs Gain: Noninverting Operation
      12. 8.1.12 Inverting Amplifier Operation
      13. 8.1.13 Output Current and Voltages
      14. 8.1.14 Driving Capacitive Loads
      15. 8.1.15 Distortion Performance
      16. 8.1.16 Noise Performance
      17. 8.1.17 DC Accuracy and Offset Control
    2. 8.2 Power Supply Recommendations
      1. 8.2.1 Thermal Analysis
    3. 8.3 Layout
      1. 8.3.1 Board Layout Guidelines
        1. 8.3.1.1 Input and ESD Protection
  10. Device and Documentation Support
    1. 9.1 Device Support
      1. 9.1.1 Design-In Tools
        1. 9.1.1.1 Demonstration Fixtures
        2. 9.1.1.2 Macro-model and Applications Support
    2. 9.2 Receiving Notification of Documentation Updates
    3. 9.3 Support Resources
    4. 9.4 Trademarks
    5. 9.5 Electrostatic Discharge Caution
    6. 9.6 Glossary
  11. 10Revision History
  12. 11Mechanical, Packaging, and Orderable Information

Package Options

Refer to the PDF data sheet for device specific package drawings

Mechanical Data (Package|Pins)
  • D|8
  • DGK|8
Thermal pad, mechanical data (Package|Pins)
Orderable Information

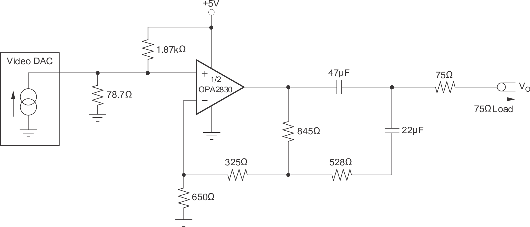
AC-Coupled Output Video Line Driver

Low-power and low-cost video line drivers often buffer digital-to-analog converter (DAC) outputs with a gain of 2 into a doubly-terminated line. Those interfaces typically require a dc blocking capacitor. For a simple design, that interface often has used a very large value blocking capacitor (220μF) to limit tilt, or SAG, across the frames. Figure 8-7 shows one approach to create a very low high-pass pole location using much lower capacitor values. This circuit gives a voltage gain of 2 at the output pin with a high-pass pole at 8Hz. Given the 150Ω load, a simple blocking capacitor approach requires a 133μF value. The two much-lower-valued capacitors give this same low-pass pole using this simple SAG correction circuit of Figure 8-7.

The input is shifted slightly positive in Figure 8-7 using the voltage divider from the positive supply. This shift gives about a 200mV input dc offset that shows up at the output pin as a 400mV dc offset when the DAC output is at zero current during the sync tip portion of the video signal. This offset acts to hold the output in the linear operating region. This configuration passes on any power-supply noise to the output with a gain of approximately –20dB; therefore, good supply decoupling is recommended on the power-supply pin. Figure 8-6 shows the frequency response for the circuit of Figure 8-7. This plot shows the 8Hz low-frequency high-pass pole and a high-end cutoff at approximately 100MHz.

OPA2830 Video-Line-Driver Response to
                    Matched Load Figure 8-6 Video-Line-Driver Response to Matched Load
OPA2830 Video Line Driver With SAG
                    Correction Figure 8-7 Video Line Driver With SAG Correction