SLOSE73A June   2021  – November 2021 TAS6424E-Q1

PRODUCTION DATA  

  1. Features
  2. Applications
  3. Description
  4. Revision History
  5. Device Options
  6. Pin Configuration and Functions
  7. Specifications
    1. 7.1 Absolute Maximum Ratings
    2. 7.2 Recommended Operating Conditions
    3. 7.3 ESD Ratings
    4. 7.4 Thermal Information
    5. 7.5 Electrical Characteristics
    6. 7.6 Typical Characteristics: Bridge-Tied Load (BTL)
    7. 7.7 Typical Characteristics: Bridge-Tied Load (BTL, 384 kHz)
    8. 7.8 Typical Characteristics: Parallel Bridge-Tied (PBTL)
    9. 7.9 Typical Characteristics: Parallel Bridge-Tied Load (PBTL, 384 kHz)
  8. Parameter Measurement Information
  9. Detailed Description
    1. 9.1 Overview
    2. 9.2 Functional Block Diagram
    3. 9.3 Feature Description
      1. 9.3.1  Serial Audio Port
        1. 9.3.1.1 I2S Mode
        2. 9.3.1.2 Left-Justified Timing
        3. 9.3.1.3 Right-Justified Timing
        4. 9.3.1.4 TDM Mode
        5. 9.3.1.5 Supported Clock Rates
        6. 9.3.1.6 Audio-Clock Error Handling
      2. 9.3.2  DC Blocking
      3. 9.3.3  Volume Control and Gain
      4. 9.3.4  High-Frequency Pulse-Width Modulator (PWM)
      5. 9.3.5  EMI Management Features
        1. 9.3.5.1 Spread-Spectrum
        2. 9.3.5.2 Channel-to-Channel Output Phase Control
      6. 9.3.6  Gate Drive
      7. 9.3.7  Power FETs
      8. 9.3.8  Load Diagnostics
        1. 9.3.8.1 DC Load Diagnostics
        2. 9.3.8.2 Line Output Diagnostics
        3. 9.3.8.3 AC Load Diagnostics
          1. 9.3.8.3.1 Impedance Magnitude Measurement
          2. 9.3.8.3.2 Impedance Phase Reference Measurement
          3. 9.3.8.3.3 Impedance Phase Measurement
      9. 9.3.9  Protection and Monitoring
        1. 9.3.9.1 Overcurrent Limit (ILIMIT)
        2. 9.3.9.2 Overcurrent Shutdown (ISD)
        3. 9.3.9.3 DC Detect
        4. 9.3.9.4 Clip Detect
        5. 9.3.9.5 Global Overtemperature Warning (OTW), Overtemperature Shutdown (OTSD)
        6. 9.3.9.6 Channel Overtemperature Warning [OTW(i)] and Shutdown [OTSD(i)]
        7. 9.3.9.7 Undervoltage (UV) and Power-On-Reset (POR)
        8. 9.3.9.8 Overvoltage (OV) and Load Dump
      10. 9.3.10 Power Supply
        1. 9.3.10.1 Vehicle-Battery Power-Supply Sequence
          1. 9.3.10.1.1 Power-Up Sequence
          2. 9.3.10.1.2 Power-Down Sequence
        2. 9.3.10.2 Boosted Power-Supply Sequence
      11. 9.3.11 Hardware Control Pins
        1. 9.3.11.1 FAULT
        2. 9.3.11.2 WARN
        3. 9.3.11.3 MUTE
        4. 9.3.11.4 STANDBY
    4. 9.4 Device Functional Modes
      1. 9.4.1 Operating Modes and Faults
    5. 9.5 Programming
      1. 9.5.1 I2C Serial Communication Bus
      2. 9.5.2 I2C Bus Protocol
      3. 9.5.3 Random Write
      4. 9.5.4 Sequential Write
      5. 9.5.5 Random Read
      6. 9.5.6 Sequential Read
    6. 9.6 Register Maps
      1. 9.6.1  Mode Control Register (address = 0x00) [default = 0x00]
      2. 9.6.2  Miscellaneous Control 1 Register (address = 0x01) [default = 0x32]
      3. 9.6.3  Miscellaneous Control 2 Register (address = 0x02) [default = 0x62]
      4. 9.6.4  SAP Control (Serial Audio-Port Control) Register (address = 0x03) [default = 0x04]
      5. 9.6.5  Channel State Control Register (address = 0x04) [default = 0x55]
      6. 9.6.6  Channel 1 Through 4 Volume Control Registers (address = 0x05–0x08) [default = 0xCF]
      7. 9.6.7  DC Load Diagnostic Control 1 Register (address = 0x09) [default = 0x00]
      8. 9.6.8  DC Load Diagnostic Control 2 Register (address = 0x0A) [default = 0x11]
      9. 9.6.9  DC Load Diagnostic Control 3 Register (address = 0x0B) [default = 0x11]
      10. 9.6.10 DC Load Diagnostic Report 1 Register (address = 0x0C) [default = 0x00]
      11. 9.6.11 DC Load Diagnostic Report 2 Register (address = 0x0D) [default = 0x00]
      12. 9.6.12 DC Load Diagnostics Report 3 Line Output Register (address = 0x0E) [default = 0x00]
      13. 9.6.13 Channel State Reporting Register (address = 0x0F) [default = 0x55]
      14. 9.6.14 Channel Faults (Overcurrent, DC Detection) Register (address = 0x10) [default = 0x00]
      15. 9.6.15 Global Faults 1 Register (address = 0x11) [default = 0x00]
      16. 9.6.16 Global Faults 2 Register (address = 0x12) [default = 0x00]
      17. 9.6.17 Warnings Register (address = 0x13) [default = 0x20]
      18. 9.6.18 Pin Control Register (address = 0x14) [default = 0x00]
      19. 9.6.19 AC Load Diagnostic Control 1 Register (address = 0x15) [default = 0x00]
      20. 9.6.20 AC Load Diagnostic Control 2 Register (address = 0x16) [default = 0x00]
      21. 9.6.21 AC Load Diagnostic Impedance Report Ch1 through Ch4 Registers (address = 0x17–0x1A) [default = 0x00]
      22. 9.6.22 AC Load Diagnostic Phase Report High Register (address = 0x1B) [default = 0x00]
      23. 9.6.23 AC Load Diagnostic Phase Report Low Register (address = 0x1C) [default = 0x00]
      24. 9.6.24 AC Load Diagnostic STI Report High Register (address = 0x1D) [default = 0x00]
      25. 9.6.25 AC Load Diagnostic STI Report Low Register (address = 0x1E) [default = 0x00]
      26. 9.6.26 Miscellaneous Control 3 Register (address = 0x21) [default = 0x00]
      27. 9.6.27 Clip Control Register (address = 0x22) [default = 0x01]
      28. 9.6.28 Clip Window Register (address = 0x23) [default = 0x14]
      29. 9.6.29 Clip Warning Register (address = 0x24) [default = 0x00]
      30. 9.6.30 ILIMIT Status Register (address = 0x25) [default = 0x00]
      31. 9.6.31 Miscellaneous Control 4 Register (address = 0x26) [default = 0x40]
      32. 9.6.32 Miscellaneous Control 5 Register (address = 0x28) [default = 0x0A]
      33. 9.6.33 Spread-Spectrum Control 1 Register (address = 0x77) [default = 0x00]
      34. 9.6.34 Spread Spectrum Control 2 Register (address = 0x78) [default = 0x3F]
      35. 9.6.35 Spread Spectrum Control 3 Register (address = 0x79) [default = 0x00]
  10. 10Application and Implementation
    1. 10.1 Application Information
      1. 10.1.1 AM-Radio Band Avoidance
      2. 10.1.2 Parallel BTL Operation (PBTL)
      3. 10.1.3 Demodulation Filter Design
      4. 10.1.4 Line Driver Applications
    2. 10.2 Typical Application
      1. 10.2.1 BTL Application
        1. 10.2.1.1 Design Requirements
          1. 10.2.1.1.1 Communication
        2. 10.2.1.2 Detailed Design Procedure
          1. 10.2.1.2.1 Hardware Design
          2. 10.2.1.2.2 Digital Input and the Serial Audio Port
          3. 10.2.1.2.3 Bootstrap Capacitors
          4. 10.2.1.2.4 Output Reconstruction Filter
      2. 10.2.2 PBTL Application
        1. 10.2.2.1 Design Requirements
        2. 10.2.2.2 Detailed Design Procedure
  11. 11Power Supply Recommendations
  12. 12Layout
    1. 12.1 Layout Guidelines
      1. 12.1.1 Electrical Connection of Thermal pad and Heat Sink
      2. 12.1.2 EMI Considerations
      3. 12.1.3 General Guidelines
    2. 12.2 Layout Example
    3. 12.3 Thermal Considerations
  13. 13Device and Documentation Support
    1. 13.1 Documentation Support
      1. 13.1.1 Related Documentation
    2. 13.2 Receiving Notification of Documentation Updates
    3. 13.3 Support Resources
    4. 13.4 Trademarks
    5. 13.5 Electrostatic Discharge Caution
    6. 13.6 Glossary
  14. 14Mechanical, Packaging, and Orderable Information

Package Options

Mechanical Data (Package|Pins)
Thermal pad, mechanical data (Package|Pins)
Orderable Information

Audio-Clock Error Handling

When any kind of clock error, MCLK-FSYNC or SCLK-FSYNC ratio, or clock halt is detected, the device puts all channels into the Hi-Z state. When all audio clocks are within the expected range, the device automatically returns to the state it was in. See the Section 7.5 table for timing requirements.

GUID-5A690FBA-AFC4-45F2-8044-80FE60C85814-low.gifFigure 9-2 Serial Audio Timing
GUID-D0D3106A-87E3-42A8-90E4-E090CD7458AD-low.gifFigure 9-3 Left-Justified Audio Data Format
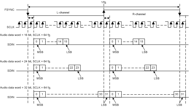
GUID-449416D7-E158-4910-9F47-5DEB840CF2E6-low.gifFigure 9-4 I2S Audio Data Format
GUID-15428810-071A-4E55-ADB7-3EE3BE80F173-low.gifFigure 9-5 TDM8 Audio Data Format