SLLSFL9A July   2021  – December 2021 TCAN1046A-Q1

PRODUCTION DATA  

  1. Features
  2. Applications
  3. Description
  4. Revision History
  5. Pin Configuration and Functions
  6. Specifications
    1. 6.1  Absolute Maximum Ratings
    2. 6.2  ESD Ratings
    3. 6.3  ESD Ratings — IEC Specifications
    4. 6.4  Recommended Operating Conditions
    5. 6.5  Thermal Characteristics
    6. 6.6  Supply Characteristics
    7. 6.7  Dissipation Ratings
    8. 6.8  Electrical Characteristics
    9. 6.9  Switching Characteristics
    10. 6.10 Typical Characteristics
  7. Parameter Measurement Information
  8. Detailed Description
    1. 8.1 Overview
    2. 8.2 Functional Block Diagram
    3. 8.3 Feature Description
      1. 8.3.1 Pin Description
        1. 8.3.1.1 TXD1 and TXD2
        2. 8.3.1.2 GND1 and GND2
        3. 8.3.1.3 VCC1 and VCC2
        4. 8.3.1.4 RXD1 and RXD2
        5. 8.3.1.5 CANH1, CANL1, CANH2, and CANL1
        6. 8.3.1.6 STB1 and STB2 (Standby)
      2. 8.3.2 CAN Bus States
      3. 8.3.3 TXD Dominant Timeout (DTO)
      4. 8.3.4 CAN Bus Short-Circuit Current Limiting
      5. 8.3.5 Thermal Shutdown (TSD)
      6. 8.3.6 Undervoltage Lockout
      7. 8.3.7 Unpowered Device
      8. 8.3.8 Floating pins
    4. 8.4 Device Functional Modes
      1. 8.4.1 Operating Modes
      2. 8.4.2 Normal Mode
      3. 8.4.3 Standby Mode
        1. 8.4.3.1 Remote Wake Request via Wake-Up Pattern (WUP) in Standby Mode
      4. 8.4.4 Driver and Receiver Function
  9. Application and Implementation
    1. 9.1 Application Information
    2. 9.2 Typical Application
      1. 9.2.1 Design Requirements
        1. 9.2.1.1 CAN Termination
      2. 9.2.2 Detailed Design Procedures
        1. 9.2.2.1 Bus Loading, Length and Number of Nodes
      3. 9.2.3 Application Curves
  10. 10Power Supply Recommendations
  11. 11Layout
    1. 11.1 Layout Guidelines
    2. 11.2 Layout Example
  12. 12Device and Documentation Support
    1. 12.1 Receiving Notification of Documentation Updates
    2. 12.2 Support Resources
    3. 12.3 Trademarks
    4. 12.4 Electrostatic Discharge Caution
    5. 12.5 Glossary

Package Options

Mechanical Data (Package|Pins)
Thermal pad, mechanical data (Package|Pins)
Orderable Information

Parameter Measurement Information

GUID-B4170FEE-33DA-4F51-AABE-1E64F8A15A3A-low.gif Figure 7-1 ICC Test Circuit
GUID-97E1F1D7-D489-4337-86B7-FB1C91927471-low.gif Figure 7-2 Driver Test Circuit and Measurement
GUID-2D8D00D3-6A81-427E-A506-613584420936-low.gif Figure 7-3 Receiver Test Circuit and Measurement
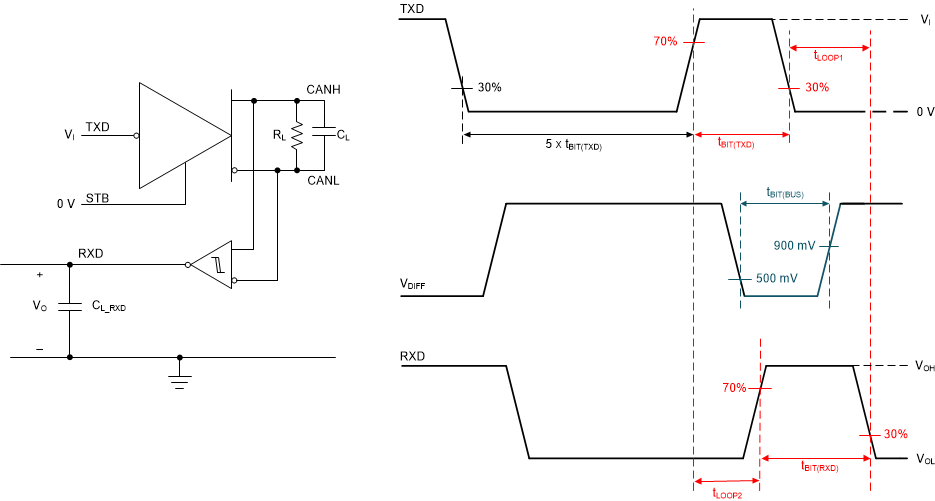
GUID-20210601-CA0I-DJPH-ZCX2-94BWWLMH5LMV-low.gif Figure 7-4 Transmitter and Receiver Timing Test Circuit and Measurement
GUID-341A91FA-CF6A-4B97-A5A7-8099E54AA562-low.gif Figure 7-5 tMODE Test Circuit and Measurement
GUID-4B13C6CD-D8F4-443E-926D-157DD16C7B99-low.gif Figure 7-6 TXD Dominant Timeout Test Circuit and Measurement
GUID-DD42FDFF-7EFC-4E22-9749-7B20BCB54927-low.gif Figure 7-7 Driver Short-Circuit Current Test and Measurement