SLLSF80B October   2019  – March 2022 TCAN1144-Q1 , TCAN1145-Q1 , TCAN1146-Q1

PRODUCTION DATA  

  1. Features
  2. Applications
  3. Description
  4. Revision History
  5. Description continued
  6. Device Comparison Table
  7. Pin Configuration and Functions
  8. Specifications
    1. 8.1  Absolute Maximum Ratings
    2. 8.2  ESD Ratings
    3. 8.3  ESD Ratings
    4. 8.4  Recommended Operating Conditions
    5. 8.5  Thermal Information
    6. 8.6  Supply Characteristics
    7. 8.7  Electrical Characteristics
    8. 8.8  Timing Requirements
    9. 8.9  Switching Characteristics
    10. 8.10 Typical Characteristics
  9. Parameter Measurement Information
  10. 10Detailed Description
    1. 10.1 Overview
    2. 10.2 Functional Block Diagram
    3. 10.3 Feature Description
      1. 10.3.1  VSUP Pin
      2. 10.3.2  VIO Pin
      3. 10.3.3  VCC Pin
      4. 10.3.4  GND
      5. 10.3.5  INH/LIMP Pin
      6. 10.3.6  WAKE Pin
      7. 10.3.7  TXD Pin
      8. 10.3.8  RXD Pin
      9. 10.3.9  SDO/nINT Interrupt Pin
      10. 10.3.10 nCS Pin
      11. 10.3.11 SCLK
      12. 10.3.12 SDI
      13. 10.3.13 CANH and CANL Bus Pins
    4. 10.4 Device Functional Modes
      1. 10.4.1 Normal Mode
      2. 10.4.2 Standby Mode
      3. 10.4.3 Listen Only Mode
      4. 10.4.4 Sleep Mode
        1. 10.4.4.1 Bus Wake via RXD Request (BWRR) in Sleep Mode
        2. 10.4.4.2 Local Wake Up (LWU) via WAKE Input Terminal
      5. 10.4.5 Selective Wake-up
        1. 10.4.5.1 Selective Wake Mode (TCAN1145-Q1 and TCAN1146-Q1)
        2. 10.4.5.2 Frame Detection (TCAN1145-Q1 and TCAN1146-Q1)
        3. 10.4.5.3 Wake-Up Frame (WUF) Validation (TCAN1145-Q1 and TCAN1146-Q1)
        4. 10.4.5.4 WUF ID Validation (TCAN1145-Q1 and TCAN1146-Q1)
        5. 10.4.5.5 WUF DLC Validation (TCAN1145-Q1 and TCAN1146-Q1)
        6. 10.4.5.6 WUF Data Validation (TCAN1145-Q1 and TCAN1146-Q1)
        7. 10.4.5.7 Frame error counter (TCAN1145-Q1 and TCAN1146-Q1)
        8. 10.4.5.8 CAN FD Frame Tolerance (TCAN1145-Q1 and TCAN1146-Q1)
      6. 10.4.6 Fail-safe Features
        1. 10.4.6.1 Sleep Mode via Sleep Wake Error
        2. 10.4.6.2 Fail-safe Mode
      7. 10.4.7 Protection Features
        1. 10.4.7.1 Driver and Receiver Function
        2. 10.4.7.2 Floating Terminals
        3. 10.4.7.3 TXD Dominant Time Out (DTO)
        4. 10.4.7.4 CAN Bus Short Circuit Current Limiting
        5. 10.4.7.5 Thermal Shutdown
        6. 10.4.7.6 Under-Voltage Lockout (UVLO) and Unpowered Device
          1. 10.4.7.6.1 UVSUP, UVCC
          2. 10.4.7.6.2 UVIO
            1. 10.4.7.6.2.1 Fault Behavior
        7. 10.4.7.7 Watchdog (TCAN1144-Q1 and TCAN1146-Q1)
          1. 10.4.7.7.1 Watchdog Error Counter
          2. 10.4.7.7.2 Watchdog SPI Control Programming
          3. 10.4.7.7.3 Watchdog Timing
          4. 10.4.7.7.4 Question and Answer Watchdog
            1. 10.4.7.7.4.1 WD Question and Answer Basic information
            2. 10.4.7.7.4.2 Question and Answer Register and Settings
            3. 10.4.7.7.4.3 WD Question and Answer Value Generation
          5. 10.4.7.7.5 Question and Answer WD Example
            1. 10.4.7.7.5.1 Example configuration for desired behavior
            2. 10.4.7.7.5.2 Example of performing a question and answer sequence
      8. 10.4.8 Bus Fault Detection and Communication (TCAN1144-Q1 and TCAN1146-Q1)
      9. 10.4.9 SPI Communication
        1. 10.4.9.1 Chip Select Not (nCS):
        2. 10.4.9.2 SPI Clock Input (SCLK):
        3. 10.4.9.3 SPI Serial Data Input (SDI):
        4. 10.4.9.4 SPI Serial Data Output (SDO):
    5. 10.5 Programming
    6. 10.6 Register Maps
      1. 10.6.1  DEVICE_ID_y Register (Address = 0h + formula) [reset = value]
      2. 10.6.2  REV_ID_MAJOR Register (Address = 8h) [reset = 01h]
      3. 10.6.3  REV_ID_MINOR Register (Address = 9h) [reset = 00h]
      4. 10.6.4  SPI_RSVD_x Register (Address = Ah + formula) [reset = 00h]
      5. 10.6.5  Scratch_Pad_SPI Register (Address = Fh) [reset = 00h]
      6. 10.6.6  MODE_CNTRL Register (Address = 10h) [reset = 04h]
      7. 10.6.7  WAKE_PIN_CONFIG Register (Address = 11h) [reset = 4h]
      8. 10.6.8  PIN_CONFIG Register (Address = 12h) [reset = 00h]
      9. 10.6.9  WD_CONFIG_1 Register (Address = 13h) [reset = 15h]
      10. 10.6.10 WD_CONFIG_2 Register (Address = 14h) [reset = 02h]
      11. 10.6.11 WD_INPUT_TRIG Register (Address = 15h) [reset = 00h]
      12. 10.6.12 WD_RST_PULSE Register (Address = 16h) [reset = 07h]
      13. 10.6.13 FSM_CONFIG Register (Address = 17h) [reset = 00h]
      14. 10.6.14 FSM_CNTR Register (Address = 18h) [reset = 00h]
      15. 10.6.15 DEVICE_RST Register (Address = 19h) [reset = 00h]
      16. 10.6.16 DEVICE_CONFIG1 Register (Address = 1Ah) [reset = 00h]
      17. 10.6.17 DEVICE_CONFIG2 Register (Address = 1Bh) [reset = 0h]
      18. 10.6.18 SWE_DIS Register (Address 1Ch) [reset = 04h]
      19. 10.6.19 SDO_CONFIG Register (Address = 29h) [reset = 00h]
      20. 10.6.20 WD_QA_CONFIG Register (Address = 2Dh) [reset = 00h]
      21. 10.6.21 WD_QA_ANSWER Register (Address = 2Eh) [reset = 00h]
      22. 10.6.22 WD_QA_QUESTION Register (Address = 2Fh) [reset = 00h]
      23. 10.6.23 SW_ID1 Register (Address = 30h) [reset = 00h]
      24. 10.6.24 SW_ID2 Register (Address = 31h) [reset = 00h]
      25. 10.6.25 SW_ID3 Register (Address = 32h) [reset = 00h]
      26. 10.6.26 SW_ID4 Register (Address = 33h) [reset = 00h]
      27. 10.6.27 SW_ID_MASK1 Register (Address = 34h) [reset = 00h]
      28. 10.6.28 SW_ID_MASK2 Register (Address = 35h) [reset = 00h]
      29. 10.6.29 SW_ID_MASK3 Register (Address = 36h) [reset = 00h]
      30. 10.6.30 SW_ID_MASK4 Register (Address = 37h) [reset = 00h]
      31. 10.6.31 SW_ID_MASK_DLC Register (Address = 38h) [reset = 00h]
      32. 10.6.32 DATA_y Register (Address = 39h + formula) [reset = 00h]
      33. 10.6.33 SW_RSVD_y Register (Address = 41h + formula) [reset = 00h]
      34. 10.6.34 SW_CONFIG_1 Register (Address = 44h) [reset = 50h]
      35. 10.6.35 SW_CONFIG_2 Register (Address = 45h) [reset = 00h]
      36. 10.6.36 SW_CONFIG_3 Register (Address = 46h) [reset = 1Fh]
      37. 10.6.37 SW_CONFIG_4 Register (Address = 47h) [reset = 00h]
      38. 10.6.38 SW_CONFIG_RSVD_y Register (Address = 48h + formula) [reset = 00h]
      39. 10.6.39 INT_GLOBAL Register (Address = 50h) [reset = 00h]
      40. 10.6.40 INT_1 Register (Address = 51h) [reset = 00h]
      41. 10.6.41 INT_2 Register (Address = 52h) [reset = 40h]
      42. 10.6.42 INT_3 Register (Address 53h) [reset = 00h]
      43. 10.6.43 INT_CANBUS Register (Address = 54h) [reset = 00h]
      44. 10.6.44 INT_GLOBAL_ENABLE (Address = 55h) [reset = 00h]
      45. 10.6.45 INT_ENABLE_1 Register (Address = 56h) [reset = FFh]
      46. 10.6.46 INT_ENABLE_2 Register (Address = 57h) [reset = 1Fh]
      47. 10.6.47 INT_ENABLE_3 Register (Address = 58h) [reset = 0h]
      48. 10.6.48 INT_ENABLE_CANBUS Register (Address = 59h) [reset = 7Fh]
      49. 10.6.49 INT_RSVD_y Register (Address = 5Ah + formula) [reset = 00h]
  11. 11Application Information Disclaimer
    1. 11.1 Application Information
      1. 11.1.1 BUS Loading, Length and Number of Nodes
      2. 11.1.2 CAN Termination
        1. 11.1.2.1 Termination
        2. 11.1.2.2 CAN Bus Biasing
    2. 11.2 Typical Application
      1. 11.2.1 Design Requirements
      2. 11.2.2 Detailed Design Procedure
        1. 11.2.2.1 Brownout
      3. 11.2.3 Application Curves
  12. 12Power Supply Recommendations
  13. 13Layout
    1. 13.1 Layout Guidelines
    2. 13.2 Layout Example
  14. 14Device and Documentation Support
    1. 14.1 Documentation Support
      1. 14.1.1 CAN Transceiver Physical Layer Standards:
      2. 14.1.2 EMC Requirements:
      3. 14.1.3 Conformance Test Requirements:
      4. 14.1.4 Related Documentation
    2. 14.2 Receiving Notification of Documentation Updates
    3. 14.3 Support Resources
    4. 14.4 Trademarks
    5. 14.5 Electrostatic Discharge Caution
    6. 14.6 Glossary
  15. 15Mechanical, Packaging, and Orderable Information

Package Options

Mechanical Data (Package|Pins)
Thermal pad, mechanical data (Package|Pins)
Orderable Information

Bus Fault Detection and Communication (TCAN1144-Q1 and TCAN1146-Q1)

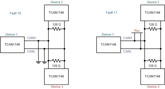
The TCAN1144-Q1 and TCAN1146-Q1 provide advanced bus fault detection. TCAN1146-Q1 is used for illustration purposes. The device can determine certain fault conditions and set a status/interrupt flag so that the MCU can understand what the fault is. Detection takes place and is recorded if the fault is present during four dominant to recessive transitions with each dominant bit being ≥ 2 µs. As with any bus architecture where termination resistors are at each end not every fault can be specified to the lowest level, meaning exact location. The fault detection circuitry is monitoring the CANH and CANL pins (currents) to determine if there is a short to battery, short to ground, short to each other or opens. From a system perspective, the location of the device can impact what fault can be detected. See Figure 10-29 as an example of node locations and how they can impact the ability to determine the actual fault location. Figure 10-30 through Figure 10-34 show the various bus faults based upon the three-node configuration. Table 10-17 shows what can be detected and by which device. Fault 1 is detected as ½ termination and Fault 2 is detected as no termination.

Bus fault detection is a system-level situation. If the fault is occurring at the ECU then the general communication of the bus is compromised. For complete coverage of a node a system level diagnostic step for each node and the ability to communicate this back to a central point is needed.

GUID-F76C0670-9FC8-475C-8AD5-F1F53AE3F48B-low.gifFigure 10-29 Three-Node Example
GUID-12779F35-8F59-4DE7-B3C3-F5C9AFA14F2A-low.gifFigure 10-30 Open Fault 1 and 2 Examples
GUID-6EA45161-4CDE-4E8F-93F3-6CB1EC36364B-low.gifFigure 10-31 Open Fault 3 and 4 Examples
GUID-A9F96133-48A6-4FE6-AF63-19A852B564D7-low.gifFigure 10-32 Fault 5 and 6 Examples
GUID-CC2D85DF-F019-4011-ABFE-15889A7BDCEC-low.gifFigure 10-33 Fault 7, 8 and 9 Examples
GUID-7FEBDBA7-C59C-4E5B-A43E-4679368CAFC1-low.gifFigure 10-34 Fault 10 and 11 Examples
Table 10-17 Bus Fault Pin State and Detection Table
Fault #CANHCANLFault Detected
1OpenOpenAll positions see this fault as half termination and detect them
2OpenOpenDepending upon open location the device detects this as no termination.
3OpenNormalYes, but cannot tell the difference between it and Fault 2 and 4; Device 2 and Device 3 does not see this fault
4NormalOpenYes, but cannot tell the difference between it and Fault 2 and 3; Device 2 and Device 3 does not see this fault
5Shorted to CANLShorted to CANHYes, but not location
6Shorted to VbatNormalYes, but not location
7Shorted to GNDNormalYes, but cannot tell the difference between this and Fault 10
8NormalShorted to VBATYes, but cannot tell the difference between this and Fault 11
9NormalShorted to GNDYes, but not location
10Shorted to GNDShorted to GNDYes, but cannot tell the difference between this and Fault 7
11Shorted to VbatShorted to VBATYes, but cannot tell the difference between this and Fault 8
Table 10-18 Bus Fault Interrupt Flags Mapping to Fault Detection Number
AddressBIT(S)DEFAULTFLAGDESCRIPTIONFAULT DETECTEDACCESS
8'h5471'b0RSVDReserved
61'b0CANBUSTERMOPENCAN Bus has one termination point openFault 1R/WC
51'b0CANHCANLCANH and CANL Shorted TogetherFault 5R/WC
41'b0CANHBATCANH Shorted to VBATFault 6R/WC
31'b0CANLGNDCANL Shorted to GNDFault 9R/WC
21'b0CANBUSOPENCAN Bus Open (One of three possible places)Faults 2, 3 and 4R/WC
11'b0CANBUSGNDCANH Shorted to GND or Both CANH & CANL Shorted to GNDFaults 7 and 10R/WC
01'b0CANBUSBATCANL Shorted to VBAT or Both CANH & CANL Shorted to VBATFaults 8 and 11R/WC