SLLSFO2B December   2022  – March 2024 THVD2410V , THVD2412V , THVD2450V , THVD2452V

PRODUCTION DATA  

  1.   1
  2. Features
  3. Applications
  4. Description
  5. Pin Configuration and Functions
  6. Specifications
    1. 5.1  Absolute Maximum Ratings
    2. 5.2  ESD Ratings
    3. 5.3  ESD Ratings [IEC]
    4. 5.4  Recommended Operating Conditions
    5. 5.5  Thermal Information
    6. 5.6  Power Dissipation
    7. 5.7  Electrical Characteristics
    8. 5.8  Switching Characteristics_250 kbps
    9. 5.9  Switching Characteristics_1 Mbps
    10. 5.10 Switching Characteristics_20 Mbps
    11. 5.11 Switching Characteristics_50 Mbps
    12. 5.12 Typical Characteristics
  7. Parameter Measurement Information
  8. Detailed Description
    1. 7.1 Overview
    2. 7.2 Functional Block Diagrams
    3. 7.3 Feature Description
      1. 7.3.1 ±70 V Fault Protection
      2. 7.3.2 Integrated IEC ESD and EFT Protection
      3. 7.3.3 Driver Overvoltage and Overcurrent Protection
      4. 7.3.4 Enhanced Receiver Noise Immunity
      5. 7.3.5 Receiver Fail-Safe Operation
      6. 7.3.6 Low-Power Shutdown Mode
    4. 7.4 Device Functional Modes
  9. Application and Implementation
    1. 8.1 Application Information
    2. 8.2 Typical Application
      1. 8.2.1 Design Requirements
        1. 8.2.1.1 Data Rate and Bus Length
        2. 8.2.1.2 Stub Length
        3. 8.2.1.3 Bus Loading
        4. 8.2.1.4 Transient Protection
      2. 8.2.2 Detailed Design Procedure
      3. 8.2.3 Application Curves
    3. 8.3 Power Supply Recommendations
    4. 8.4 Layout
      1. 8.4.1 Layout Guidelines
      2. 8.4.2 Layout Example
  10. Device and Documentation Support
    1. 9.1 Device Support
      1. 9.1.1 Third-Party Products Disclaimer
    2. 9.2 Receiving Notification of Documentation Updates
    3. 9.3 Support Resources
    4. 9.4 Trademarks
    5. 9.5 Electrostatic Discharge Caution
    6. 9.6 Glossary
  11. 10Revision History
  12. 11Mechanical, Packaging, and Orderable Information

Package Options

Mechanical Data (Package|Pins)
Thermal pad, mechanical data (Package|Pins)
Orderable Information

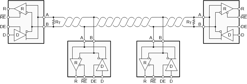
Typical Application

An RS-485 bus consists of multiple transceivers connecting in parallel to a bus cable. To eliminate line reflections, each cable end is terminated with a termination resistor, RT, whose value matches the characteristic impedance, Z0, of the cable. This method, known as parallel termination, generally allows for higher data rates over longer cable length.

GUID-8A2FFAA2-09D2-43FA-829A-249C01E9EBC8-low.gif Figure 8-1 Typical RS-485 Network With Half-Duplex Transceivers
GUID-20221011-SS0I-CD3X-WX6B-8XDHGTLRHKN7-low.svg Figure 8-2 Typical RS-485 Network with Full-Duplex transceivers