SBOS835C May   2017  – October 2019 TMP464

PRODUCTION DATA.  

  1. Features
  2. Applications
  3. Description
    1.     Device Images
      1.      Typical Application Schematic
  4. Revision History
  5. Pin Configuration and Functions
    1.     Pin Functions
  6. Specifications
    1. 6.1 Absolute Maximum Ratings
    2. 6.2 ESD Ratings
    3. 6.3 Recommended Operating Conditions
    4. 6.4 Thermal Information
    5. 6.5 Electrical Characteristics
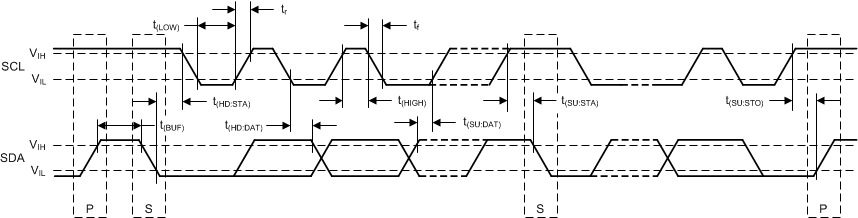
    6. 6.6 Two-Wire Timing Requirements
    7. 6.7 Typical Characteristics
  7. Detailed Description
    1. 7.1 Overview
    2. 7.2 Functional Block Diagram
    3. 7.3 Feature Description
      1. 7.3.1 Temperature Measurement Data
      2. 7.3.2 Series Resistance Cancellation
      3. 7.3.3 Differential Input Capacitance
      4. 7.3.4 Sensor Fault
      5. 7.3.5 THERM Functions
    4. 7.4 Device Functional Modes
      1. 7.4.1 Shutdown Mode (SD)
    5. 7.5 Programming
      1. 7.5.1 Serial Interface
        1. 7.5.1.1 Bus Overview
        2. 7.5.1.2 Bus Definitions
        3. 7.5.1.3 Serial Bus Address
        4. 7.5.1.4 Read and Write Operations
          1. 7.5.1.4.1 Single Register Reads
          2. 7.5.1.4.2 Block Register Reads
        5. 7.5.1.5 Timeout Function
        6. 7.5.1.6 High-Speed Mode
      2. 7.5.2 TMP464 Register Reset
      3. 7.5.3 Lock Register
    6. 7.6 Register Maps
      1. 7.6.1 Register Information
        1. 7.6.1.1  Pointer Register
        2. 7.6.1.2  Local and Remote Temperature Value Registers
        3. 7.6.1.3  Software Reset Register
        4. 7.6.1.4  THERM Status Register
        5. 7.6.1.5  THERM2 Status Register
        6. 7.6.1.6  Remote Channel Open Status Register
        7. 7.6.1.7  Configuration Register
        8. 7.6.1.8  η-Factor Correction Register
        9. 7.6.1.9  Remote Temperature Offset Register
        10. 7.6.1.10 THERM Hysteresis Register
        11. 7.6.1.11 Local and Remote THERM and THERM2 Limit Registers
        12. 7.6.1.12 Block Read - Auto Increment Pointer
        13. 7.6.1.13 Lock Register
        14. 7.6.1.14 Manufacturer and Device Identification Plus Revision Registers
  8. Application and Implementation
    1. 8.1 Application Information
    2. 8.2 Typical Application
      1. 8.2.1 Design Requirements
      2. 8.2.2 Detailed Design Procedure
      3. 8.2.3 Application Curve
  9. Power Supply Recommendations
  10. 10Layout
    1. 10.1 Layout Guidelines
    2. 10.2 Layout Example
  11. 11Device and Documentation Support
    1. 11.1 Receiving Notification of Documentation Updates
    2. 11.2 Community Resources
    3. 11.3 Trademarks
    4. 11.4 Electrostatic Discharge Caution
    5. 11.5 Glossary
  12. 12Mechanical, Packaging, and Orderable Information

Package Options

Mechanical Data (Package|Pins)
Thermal pad, mechanical data (Package|Pins)
Orderable Information

Two-Wire Timing Requirements

at TA = –40°C to +125°C and V+ = 1.7 V to 3.6 V (unless otherwise noted)
The master and the slave have the same V+ value. Values are based on statistical analysis of samples tested during initial release.
MIN MAX UNIT
fSCL SCL operating frequency Fast mode 0.001 0.4 MHz
High-speed mode 0.001 2.56
tBUF Bus free time between stop and start condition Fast mode 1300 ns
High-speed mode 160
tHD;STA Hold time after repeated start condition.
After this period, the first clock is generated.
Fast mode 600 ns
High-speed mode 160
tSU;STA Repeated start condition setup time Fast mode 600 ns
High-speed mode 160
tSU;STO Stop condition setup time Fast mode 600 ns
High-speed mode 160
tHD;DAT Data hold time Fast mode 0 (1) ns
High-speed mode 0 130
tVD;DAT Data valid time(2) Fast mode 0 900 ns
High-speed mode
tSU;DAT Data setup time Fast mode 100 ns
High-speed mode 20
tLOW SCL clock low period Fast mode 1300 ns
High-speed mode 250
tHIGH SCL clock high period Fast mode 600 ns
High-speed mode 60
tF – SDA Data fall time Fast mode 20 × (V+ / 5.5) 300 ns
High-speed mode 100
tF, tR – SCL Clock fall and rise time Fast mode 300 ns
High-speed mode 40
tR Rise time for SCL ≤ 100 kHz Fast mode 1000 ns
High-speed mode
Serial bus timeout Fast mode 15 20 ms
High-speed mode 15 20
The maximum tHD;DAT can be 0.9 µs for fast mode, and is less than the maximum tVD;DAT by a transition time.
tVD;DAT = time for data signal from SCL LOW to SDA output (HIGH to LOW, depending on which is worse).
TMP464 Tmng_ECTable.gifFigure 1. Two-Wire Timing Diagram