SPRS698J November 2010 – September 2021 TMS320F28062 , TMS320F28062F , TMS320F28063 , TMS320F28064 , TMS320F28065 , TMS320F28066 , TMS320F28067 , TMS320F28068F , TMS320F28068M , TMS320F28069 , TMS320F28069F , TMS320F28069M
PRODUCTION DATA
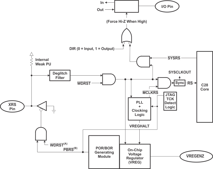
Two on-chip supervisory circuits, the power-on reset (POR) and the brownout reset (BOR) remove the burden of monitoring the VDD and VDDIO supply rails from the application board. The purpose of the POR is to create a clean reset throughout the device during the entire power-up procedure. The trip point is a looser, lower trip point than the BOR, which watches for dips in the VDD or VDDIO rail during device operation. The POR function is present on both VDD and VDDIO rails at all times. After initial device power-up, the BOR function is present on VDDIO at all times, and on VDD when the internal VREG is enabled ( VREGENZ pin is tied low). Both functions tie the XRS pin low when one of the voltages is below their respective trip point. VDD BOR and overvoltage trip points are outside of the recommended operating voltages. Proper device operation cannot be ensured. If overvoltage or undervoltage conditions affecting the system is a concern for an application, an external voltage supervisor should be added. Figure 8-9 shows the VREG, POR, and BOR. To disable both the VDD and VDDIO BOR functions, a bit is provided in the BORCFG register. For details, see the Systems Control and Interrupts chapter of the TMS320x2806x Technical Reference Manual .
