SLVSER8A June   2020  – September 2020 TPS23734

PRODUCTION DATA  

  1. Features
  2. Applications
  3. Description
  4. Revision History
  5. Device Comparison Table
  6. Pin Configuration and Functions
    1.     Pin Functions
  7. Specifications
    1. 7.1 Absolute Maximum Ratings
    2. 7.2 ESD Ratings
    3. 7.3 Recommended Operating Conditions
    4. 7.4 Thermal Information
    5. 7.5 Electrical Characteristics: DC-DC Controller Section
    6. 7.6 Electrical Characteristics PoE
    7.     15
    8. 7.7 Typical Characteristics
  8. Detailed Description
    1. 8.1 Overview
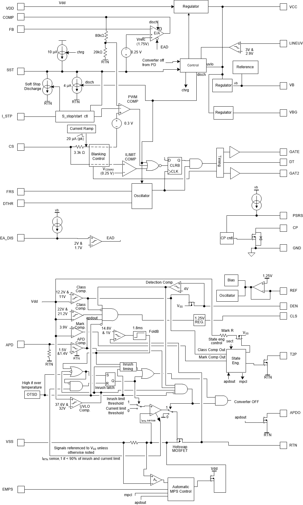
    2. 8.2 Functional Block Diagram
    3. 8.3 Feature Description
      1. 8.3.1  CLS Classification
      2. 8.3.2  DEN Detection and Enable
      3. 8.3.3  APD Auxiliary Power Detect
      4. 8.3.4  Internal Pass MOSFET
      5. 8.3.5  T2P and APDO Indicators
      6. 8.3.6  DC-DC Controller Features
        1. 8.3.6.1 VCC, VB, VBG and Advanced PWM Startup
        2.       28
        3. 8.3.6.2 CS, Current Slope Compensation and blanking
        4. 8.3.6.3 COMP, FB, EA_DIS, CP, PSRS and Opto-less Feedback
        5. 8.3.6.4 FRS Frequency Setting and Synchronization
        6. 8.3.6.5 DTHR and Frequency Dithering for Spread Spectrum Applications
        7. 8.3.6.6 SST and Soft-Start of the Switcher
        8. 8.3.6.7 SST, I_STP, LINEUV and Soft-Stop of the Switcher
      7. 8.3.7  Switching FET Driver - GATE, GTA2, DT
      8. 8.3.8  EMPS and Automatic MPS
      9. 8.3.9  VDD Supply Voltage
      10. 8.3.10 RTN, AGND, GND
      11. 8.3.11 VSS
      12. 8.3.12 Exposed Thermal pads - PAD_G and PAD_S
    4. 8.4 Device Functional Modes
      1. 8.4.1  PoE Overview
      2. 8.4.2  Threshold Voltages
      3. 8.4.3  PoE Start-Up Sequence
      4. 8.4.4  Detection
      5. 8.4.5  Hardware Classification
      6. 8.4.6  Maintain Power Signature (MPS)
      7. 8.4.7  Advanced Start-Up and Converter Operation
      8. 8.4.8  Line Undervoltage Protection and Converter Operation
      9. 8.4.9  PD Self-Protection
      10. 8.4.10 Thermal Shutdown - DC-DC Controller
      11. 8.4.11 Adapter ORing
  9. Application and Implementation
    1. 9.1 Application Information
    2. 9.2 Typical Application
      1. 9.2.1 Design Requirements
        1. 9.2.1.1 Detailed Design Procedure
          1. 9.2.1.1.1  Input Bridges and Schottky Diodes
          2. 9.2.1.1.2  Input TVS Protection
          3. 9.2.1.1.3  Input Bypass Capacitor
          4. 9.2.1.1.4  Detection Resistor, RDEN
          5. 9.2.1.1.5  Classification Resistor, RCLS.
          6. 9.2.1.1.6  Dead Time Resistor, RDT
          7. 9.2.1.1.7  APD Pin Divider Network, RAPD1, RAPD2
          8. 9.2.1.1.8  Setting Frequency (RFRS) and Synchronization
          9. 9.2.1.1.9  Bias Supply Requirements and CVCC
          10. 9.2.1.1.10 APDO, T2P Interface
          11. 9.2.1.1.11 Secondary Soft Start
          12. 9.2.1.1.12 Frequency Dithering for Conducted Emissions Control
  10. 10Power Supply Recommendations
  11. 11Layout
    1. 11.1 Layout Guidelines
    2. 11.2 Layout Example
    3. 11.3 EMI Containment
    4. 11.4 Thermal Considerations and OTSD
    5. 11.5 ESD
  12. 12Device and Documentation Support
    1. 12.1 Documentation Support
      1. 12.1.1 Related Documentation
    2. 12.2 Support Resources
    3. 12.3 Trademarks
    4. 12.4 Electrostatic Discharge Caution
    5. 12.5 Glossary
  13. 13Mechanical, Packaging, and Orderable Information

Package Options

Mechanical Data (Package|Pins)
Thermal pad, mechanical data (Package|Pins)
Orderable Information

Functional Block Diagram

GUID-8FD7DC55-7CFB-480F-BAE5-50A454A4AEB0-low.gif