SLUSD53G March   2018  â€“ August 2020 TPS23880

PRODUCTION DATA  

  1. Features
  2. Applications
  3. Description
  4. Revision History
  5. Device Comparison Table
  6. Pin Configuration and Functions
    1.     Pin Functions
    2. 6.1 Detailed Pin Description
  7. Specifications
    1. 7.1 Absolute Maximum Ratings
    2. 7.2 ESD Ratings
    3. 7.3 Recommended Operating Conditions
    4. 7.4 Thermal Information
    5. 7.5 Electrical Characteristics
    6. 7.6 Typical Characteristics
  8. Parameter Measurement Information
    1. 8.1 Timing Diagrams
  9. Detailed Description
    1. 9.1 Overview
      1. 9.1.1 Operating Modes
        1. 9.1.1.1 Auto
        2. 9.1.1.2 Semiauto
        3. 9.1.1.3 Manual/Diagnostic
        4. 9.1.1.4 Power Off
      2. 9.1.2 PoE Compliance Terminology
      3. 9.1.3 Channel versus Port Terminology
      4. 9.1.4 Requested Class versus Assigned Class
      5. 9.1.5 Power Allocation and Power Demotion
      6. 9.1.6 Programmable SRAM
    2. 9.2 Functional Block Diagram
    3. 9.3 Feature Description
      1. 9.3.1 Port Remapping
      2. 9.3.2 Port Power Priority
      3. 9.3.3 Analog-to-Digital Converters (ADC)
      4. 9.3.4 I2C Watchdog
      5. 9.3.5 Current Foldback Protection
    4. 9.4 Device Functional Modes
      1. 9.4.1 Detection
      2. 9.4.2 Connection Check
      3. 9.4.3 Classification
      4. 9.4.4 DC Disconnect
    5. 9.5 I2C Programming
      1. 9.5.1 I2C Serial Interface
    6. 9.6 Register Maps
      1. 9.6.1 Complete Register Set
      2. 9.6.2 Detailed Register Descriptions
        1. 9.6.2.1  INTERRUPT Register
        2. 9.6.2.2  INTERRUPT MASK Register
        3. 9.6.2.3  POWER EVENT Register
        4. 9.6.2.4  DETECTION EVENT Register
        5. 9.6.2.5  FAULT EVENT Register
        6. 9.6.2.6  START/ILIM EVENT Register
        7. 9.6.2.7  SUPPLY and FAULT EVENT Register
          1. 9.6.2.7.1 Detected SRAM Faults and "Safe Mode"
        8. 9.6.2.8  CHANNEL 1 DISCOVERY Register
        9. 9.6.2.9  CHANNEL 2 DISCOVERY Register
        10. 9.6.2.10 CHANNEL 3 DISCOVERY Register
        11. 9.6.2.11 CHANNEL 4 DISCOVERY Register
        12. 9.6.2.12 POWER STATUS Register
        13. 9.6.2.13 PIN STATUS Register
        14. 9.6.2.14 OPERATING MODE Register
        15. 9.6.2.15 DISCONNECT ENABLE Register
        16. 9.6.2.16 DETECT/CLASS ENABLE Register
        17. 9.6.2.17 Power Priority / 2Pair PCUT Disable Register Name
        18. 9.6.2.18 TIMING CONFIGURATION Register
        19. 9.6.2.19 GENERAL MASK Register
        20. 9.6.2.20 DETECT/CLASS RESTART Register
        21. 9.6.2.21 POWER ENABLE Register
        22. 9.6.2.22 RESET Register
        23. 9.6.2.23 ID Register
        24. 9.6.2.24 Connection Check and Auto Class Status Register
        25. 9.6.2.25 2-Pair Police Ch-1 Configuration Register
        26. 9.6.2.26 2-Pair Police Ch-2 Configuration Register
        27. 9.6.2.27 2-Pair Police Ch-3 Configuration Register
        28. 9.6.2.28 2-Pair Police Ch-4 Configuration Register
        29. 9.6.2.29 Power-on Fault Register
        30. 9.6.2.30 PORT RE-MAPPING Register
        31. 9.6.2.31 Channels 1 and 2 Multi Bit Priority Register
        32. 9.6.2.32 Channels 3 and 4 Multi Bit Priority Register
        33. 9.6.2.33 4-Pair Wired and Port Power Allocation Register
        34. 9.6.2.34 4-Pair Police Ch-1 and 2 Configuration Register
        35. 9.6.2.35 4-Pair Police Ch-3 and 4 Configuration Register
        36. 9.6.2.36 TEMPERATURE Register
        37. 9.6.2.37 4-Pair Fault Configuration Register
        38. 9.6.2.38 INPUT VOLTAGE Register
        39. 9.6.2.39 CHANNEL 1 CURRENT Register
        40. 9.6.2.40 CHANNEL 2 CURRENT Register
        41. 9.6.2.41 CHANNEL 3 CURRENT Register
        42. 9.6.2.42 CHANNEL 4 CURRENT Register
        43. 9.6.2.43 CHANNEL 1 VOLTAGE Register
        44. 9.6.2.44 CHANNEL 2 VOLTAGE Register
        45. 9.6.2.45 CHANNEL 3 VOLTAGE Register
        46. 9.6.2.46 CHANNEL 4 VOLTAGE Register
        47. 9.6.2.47 2x FOLDBACK SELECTION Register
        48.       95
        49. 9.6.2.48 FIRMWARE REVISION Register
        50. 9.6.2.49 I2C WATCHDOG Register
        51. 9.6.2.50 DEVICE ID Register
        52. 9.6.2.51 CHANNEL 1 DETECT RESISTANCE Register
        53. 9.6.2.52 CHANNEL 2 DETECT RESISTANCE Register
        54. 9.6.2.53 CHANNEL 3 DETECT RESISTANCE Register
        55. 9.6.2.54 CHANNEL 4 DETECT RESISTANCE Register
        56. 9.6.2.55 CHANNEL 1 ASSIGNED CLASS Register
        57. 9.6.2.56 CHANNEL 2 ASSIGNED CLASS Register
        58. 9.6.2.57 CHANNEL 3 ASSIGNED CLASS Register
        59. 9.6.2.58 CHANNEL 4 ASSIGNED CLASS Register
        60. 9.6.2.59 AUTO CLASS CONTROL Register
        61. 9.6.2.60 CHANNEL 1 AUTO CLASS POWER Register
        62. 9.6.2.61 CHANNEL 2 AUTO CLASS POWER Register
        63. 9.6.2.62 CHANNEL 3 AUTO CLASS POWER Register
        64. 9.6.2.63 CHANNEL 4 AUTO CLASS POWER Register
        65. 9.6.2.64 ALTERNATIVE FOLDBACK Register
        66. 9.6.2.65 SRAM CONTROL Register
          1. 9.6.2.65.1 SRAM START ADDRESS (LSB) Register
          2. 9.6.2.65.2 SRAM START ADDRESS (MSB) Register
          3. 9.6.2.65.3 116
  10. 10Application and Implementation
    1. 10.1 Application Information
      1. 10.1.1 Introduction to PoE
        1. 10.1.1.1 2-Pair Versus 4-Pair Power and the New IEEE802.3bt Standard
    2. 10.2 Typical Application
      1. 10.2.1 Design Requirements
      2. 10.2.2 Detailed Design Procedure
        1. 10.2.2.1 Connections on Unused Channels
        2. 10.2.2.2 Power Pin Bypass Capacitors
        3. 10.2.2.3 Per Port Components
        4. 10.2.2.4 System Level Components (not shown in the schematic diagrams)
      3. 10.2.3 Application Curves
  11. 11Power Supply Recommendations
    1. 11.1 VDD
    2. 11.2 VPWR
  12. 12Layout
    1. 12.1 Layout Guidelines
      1. 12.1.1 Kelvin Current Sensing Resistors
    2. 12.2 Layout Example
      1. 12.2.1 Component Placement and Routing Guidelines
        1. 12.2.1.1 Power Pin Bypass Capacitors
        2. 12.2.1.2 Per-Port Components
  13. 13Device and Documentation Support
    1. 13.1 Documentation Support
      1. 13.1.1 Related Documentation
    2. 13.2 Receiving Notification of Documentation Updates
    3. 13.3 Support Resources
    4. 13.4 Trademarks
    5. 13.5 Electrostatic Discharge Caution
    6. 13.6 Glossary
  14. 14Mechanical, Packaging, and Orderable Information

Package Options

Mechanical Data (Package|Pins)
Thermal pad, mechanical data (Package|Pins)
Orderable Information

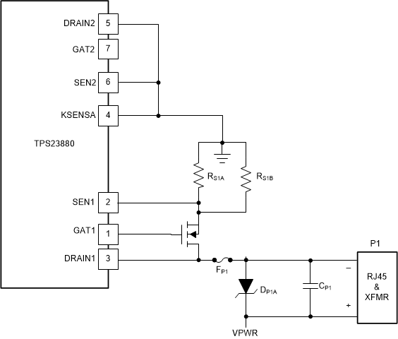
Connections on Unused Channels

On unused channels, it is recommended to ground the SENx pin and leave the GATx pin open. DRAINx pins can be grounded or left open (leaving open may slightly reduce power consumption). Figure 10-3 shows an example of an unused PORT2.

GUID-BAFE8020-DF3B-43CE-9CB9-0EB5154C9ECD-low.gif Figure 10-3 Unused PORT2 Connections