SLVSEG3E September   2019  – March 2022 TPS25840-Q1 , TPS25842-Q1

PRODUCTION DATA  

  1. Features
  2. Applications
  3. Description
  4. Revision History
  5. Description (Continued)
  6. Device Comparison Table
  7. Pin Configuration and Functions
  8. Specifications
    1. 8.1 Absolute Maximum Ratings
    2. 8.2 ESD Ratings
    3. 8.3 Recommended Operating Conditions
    4. 8.4 Thermal Information
    5. 8.5 Electrical Characteristics
    6. 8.6 Timing Requirements
    7. 8.7 Switching Characteristics
    8. 8.8 Typical Characteristics
  9. Parameter Measurement Information
  10. 10Detailed Description
    1. 10.1 Overview
    2. 10.2 Functional Block Diagram
    3. 10.3 Feature Description
      1. 10.3.1  Buck Regulator
      2. 10.3.2  Enable/UVLO
      3. 10.3.3  Switching Frequency and Synchronization (RT/SYNC)
      4. 10.3.4  Spread-Spectrum Operation
      5. 10.3.5  VCC, VCC_UVLO
      6. 10.3.6  Minimum ON-time, Minimum OFF-time
      7. 10.3.7  Internal Compensation
      8. 10.3.8  Bootstrap Voltage (BOOT)
      9. 10.3.9  RSNS, RSET, RILIMIT and RIMON
      10. 10.3.10 Overcurrent and Short Circuit Protection
        1. 10.3.10.1 Current Limit Setting using RILIMIT
        2. 10.3.10.2 Buck Average Current Limit Design Example
        3. 10.3.10.3 External MOSFET Gate Drivers
        4. 10.3.10.4 Cycle-by-Cycle Buck Current Limit
      11. 10.3.11 Overvoltage, IEC and Short-to-Battery Protection
        1. 10.3.11.1 V BUS and V CSN/OUT Overvoltage Protection
        2. 10.3.11.2 DP_IN and DM_IN Protection
      12. 10.3.12 Cable Compensation
        1. 10.3.12.1 Cable Compensation Design Example
      13. 10.3.13 USB Port Control
      14. 10.3.14 FAULT Response
      15. 10.3.15 USB Specification Overview
      16. 10.3.16 Device Power Pins (IN, CSN/OUT, and PGND)
      17. 10.3.17 Thermal Shutdown
    4. 10.4 Device Functional Modes
      1. 10.4.1 Shutdown Mode
      2. 10.4.2 Active Mode
      3. 10.4.3 Device Truth Table (TT)
      4. 10.4.4 USB Port Operating Modes
        1. 10.4.4.1 Standard Downstream Port (SDP) Mode — USB 2.0, USB 3.0, and USB 3.1
        2. 10.4.4.2 Charging Downstream Port (CDP) Mode
        3. 10.4.4.3 Client Mode
      5. 10.4.5 High-bandwidth Data-line Switches
  11. 11Application and Implementation
    1. 11.1 Application Information
    2. 11.2 Typical Application
      1. 11.2.1 Design Requirements
      2. 11.2.2 Detailed Design Procedure
        1. 11.2.2.1  Output Voltage
        2. 11.2.2.2  Switching Frequency
        3. 11.2.2.3  Inductor Selection
        4. 11.2.2.4  Output Capacitor Selection
        5. 11.2.2.5  Input Capacitor Selection
        6. 11.2.2.6  Bootstrap Capacitor Selection
        7. 11.2.2.7  VCC Capacitor Selection
        8. 11.2.2.8  Enable and Under Voltage Lockout Set-Point
        9. 11.2.2.9  Current Limit Set-Point
        10. 11.2.2.10 Cable Compensation Set-Point
        11. 11.2.2.11 FAULT Resistor Selection
      3. 11.2.3 Application Curves
  12. 12Power Supply Recommendations
  13. 13Layout
    1. 13.1 Layout Guidelines
    2. 13.2 Ground Plane and Thermal Considerations
    3. 13.3 Layout Example
  14. 14Device and Documentation Support
    1. 14.1 Documentation Support
      1. 14.1.1 Related Documentation
    2. 14.2 Related Links
    3. 14.3 Receiving Notification of Documentation Updates
    4. 14.4 Support Resources
    5. 14.5 Trademarks
    6. 14.6 Electrostatic Discharge Caution
    7. 14.7 Glossary
  15. 15Mechanical, Packaging, and Orderable Information

Package Options

Mechanical Data (Package|Pins)
Thermal pad, mechanical data (Package|Pins)
Orderable Information

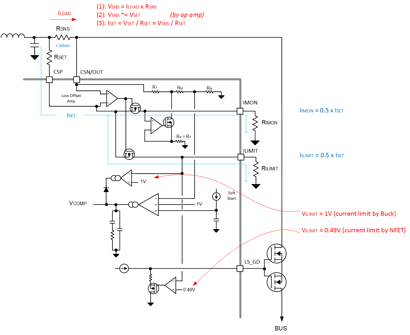
RSNS, RSET, RILIMIT and RIMON

The programmable current limit threshold and full-scale cable compensation voltage are determined by the values of the RSNS, RSET, RILIMIT and RIMON resistors. Refer to Figure 10-14.

  • RSNS is the current sense resistor. The recommended voltage across RSNS under current limit must be approximately 50 mV as a compromise between accuracy and power dissipation. For example, if current limiting is desired for IOUT(MAX) ≥ 3.3 A, then RSNS = 0.05 V / 3.3 A = 0.01515 Ω. Choose a standard value of 15 mΩ.
  • RSET determines the input current to the transconductance amplifier and current mirror. The amplifier balances the voltage to be equal to that across RSNS. Choose a RSET value to produce an ISET current between 75–180 µA at the desired IOUT(MAX). Considering 50 mV across RSET, a value of 300 Ω provides approximately 166 µA of ISET current to the amplifier and mirror circuit. Care must be taken to limit the ISET current below 200 µA to avoid saturating the internal amplifier circuit.
  • RILIMIT in conjuction with the 0.5 × ISET current produces a voltage on the ILIMIT pin which is proportional to the load current flowing in RSNS. For details on setting the current limit, see Current Limit Sensing Using RILIMIT.
  • RIMON in conjuction with the 0.5 × ISET current produces a voltage on the IMON pin which is proportional to the load current flowing in RSNS. For details on setting the current limit, see Cable Compensation.
GUID-221C634B-C10D-4ABF-A164-E50C5CCFFD8D-low.gifFigure 10-14 Current Limit and Cable Compensation Circuit