SGLS121E July   2002  – April 2025 UCC2800-Q1 , UCC2801-Q1 , UCC2802-Q1 , UCC2803-Q1 , UCC2804-Q1 , UCC2805-Q1

PRODUCTION DATA  

  1.   1
  2. Features
  3. Applications
  4. Description
  5. Device Comparison
  6. Pin Configuration and Functions
  7. Specifications
    1. 6.1 Absolute Maximum Ratings
    2. 6.2 ESD Ratings
    3. 6.3 Recommended Operating Conditions
    4. 6.4 Thermal Information
    5. 6.5 Electrical Characteristics
    6. 6.6 Typical Characteristics
  8. Detailed Description
    1. 7.1 Overview
    2. 7.2 Functional Block Diagram
    3. 7.3 Feature Description
      1. 7.3.1  Detailed Pin Description
        1. 7.3.1.1 COMP
        2. 7.3.1.2 FB
        3. 7.3.1.3 CS
        4. 7.3.1.4 RC
        5. 7.3.1.5 GND
        6. 7.3.1.6 OUT
        7. 7.3.1.7 VCC
        8. 7.3.1.8 Pin 8 (REF)
      2. 7.3.2  Undervoltage Lockout (UVLO)
      3. 7.3.3  Self-Biasing, Active Low Output
      4. 7.3.4  Reference Voltage
      5. 7.3.5  Oscillator
      6. 7.3.6  Synchronization
      7. 7.3.7  PWM Generator
      8. 7.3.8  Minimum Off-Time Setting (Dead-Time Control)
      9. 7.3.9  Leading Edge Blanking
      10. 7.3.10 Minimum Pulse Width
      11. 7.3.11 Current Limiting
      12. 7.3.12 Overcurrent Protection and Full Cycle Restart
      13. 7.3.13 Soft Start
      14. 7.3.14 Slope Compensation
    4. 7.4 Device Functional Modes
      1. 7.4.1 Normal Operation
      2. 7.4.2 UVLO Mode
      3. 7.4.3 Soft Start Mode
      4. 7.4.4 Fault Mode
  9. Application and Implementation
    1. 8.1 Application Information
    2. 8.2 Typical Application
      1. 8.2.1 Design Requirements
      2. 8.2.2 Detailed Design Procedure
        1. 8.2.2.1 Current Sensing Network
        2. 8.2.2.2 Gate Drive Resistor
        3. 8.2.2.3 Vref Capacitor
        4. 8.2.2.4 RTCT
        5. 8.2.2.5 Start-Up Circuit
        6. 8.2.2.6 Voltage Feedback Compensation
          1. 8.2.2.6.1 Power Stage Gain, Zeroes, and Poles
          2. 8.2.2.6.2 Compensation Loop
      3. 8.2.3 Application Curves
    3. 8.3 Power Supply Recommendations
    4. 8.4 Layout
      1. 8.4.1 Layout Guidelines
      2. 8.4.2 Layout Example
  10. Device and Documentation Support
    1. 9.1 Related Links
    2. 9.2 Receiving Notification of Documentation Updates
    3. 9.3 Support Resources
    4. 9.4 Trademarks
    5. 9.5 Electrostatic Discharge Caution
    6. 9.6 Glossary
  11. 10Revision History
  12. 11Mechanical, Packaging, and Orderable Information

Package Options

Refer to the PDF data sheet for device specific package drawings

Mechanical Data (Package|Pins)
  • D|8
Thermal pad, mechanical data (Package|Pins)
Orderable Information

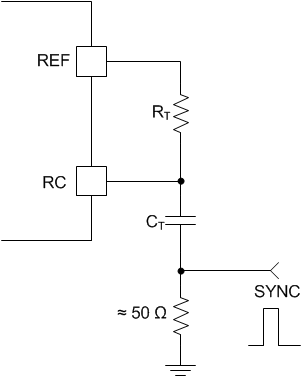
Synchronization

Synchronization of these PWM controllers is best obtained by the universal technique shown in Figure 7-9. The ICs oscillator is programmed to free run at a frequency about 20% lower than that of the synchronizing frequency. A brief positive pulse is applied across the 50-Ω resistor to force synchronization. Typically, a 1-V amplitude pulse of 100-ns width is sufficient for most applications.

The ICs can also be synchronized to a pulse train input directly to the oscillator RC pin. Note that the IC internally pulls low at this node once the upper oscillator threshold is crossed. This 130-Ω impedance to ground remains active until the pin is lowered to approximately 0.2 V. External synchronization circuits must accommodate these conditions.

UCC2800-Q1 UCC2801-Q1 UCC2802-Q1 UCC2803-Q1 UCC2804-Q1 UCC2805-Q1 Synchronizing the OscillatorFigure 7-9 Synchronizing the Oscillator