SGLS121E July   2002  – April 2025 UCC2800-Q1 , UCC2801-Q1 , UCC2802-Q1 , UCC2803-Q1 , UCC2804-Q1 , UCC2805-Q1

PRODUCTION DATA  

  1.   1
  2. Features
  3. Applications
  4. Description
  5. Device Comparison
  6. Pin Configuration and Functions
  7. Specifications
    1. 6.1 Absolute Maximum Ratings
    2. 6.2 ESD Ratings
    3. 6.3 Recommended Operating Conditions
    4. 6.4 Thermal Information
    5. 6.5 Electrical Characteristics
    6. 6.6 Typical Characteristics
  8. Detailed Description
    1. 7.1 Overview
    2. 7.2 Functional Block Diagram
    3. 7.3 Feature Description
      1. 7.3.1  Detailed Pin Description
        1. 7.3.1.1 COMP
        2. 7.3.1.2 FB
        3. 7.3.1.3 CS
        4. 7.3.1.4 RC
        5. 7.3.1.5 GND
        6. 7.3.1.6 OUT
        7. 7.3.1.7 VCC
        8. 7.3.1.8 Pin 8 (REF)
      2. 7.3.2  Undervoltage Lockout (UVLO)
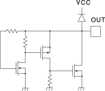
      3. 7.3.3  Self-Biasing, Active Low Output
      4. 7.3.4  Reference Voltage
      5. 7.3.5  Oscillator
      6. 7.3.6  Synchronization
      7. 7.3.7  PWM Generator
      8. 7.3.8  Minimum Off-Time Setting (Dead-Time Control)
      9. 7.3.9  Leading Edge Blanking
      10. 7.3.10 Minimum Pulse Width
      11. 7.3.11 Current Limiting
      12. 7.3.12 Overcurrent Protection and Full Cycle Restart
      13. 7.3.13 Soft Start
      14. 7.3.14 Slope Compensation
    4. 7.4 Device Functional Modes
      1. 7.4.1 Normal Operation
      2. 7.4.2 UVLO Mode
      3. 7.4.3 Soft Start Mode
      4. 7.4.4 Fault Mode
  9. Application and Implementation
    1. 8.1 Application Information
    2. 8.2 Typical Application
      1. 8.2.1 Design Requirements
      2. 8.2.2 Detailed Design Procedure
        1. 8.2.2.1 Current Sensing Network
        2. 8.2.2.2 Gate Drive Resistor
        3. 8.2.2.3 Vref Capacitor
        4. 8.2.2.4 RTCT
        5. 8.2.2.5 Start-Up Circuit
        6. 8.2.2.6 Voltage Feedback Compensation
          1. 8.2.2.6.1 Power Stage Gain, Zeroes, and Poles
          2. 8.2.2.6.2 Compensation Loop
      3. 8.2.3 Application Curves
    3. 8.3 Power Supply Recommendations
    4. 8.4 Layout
      1. 8.4.1 Layout Guidelines
      2. 8.4.2 Layout Example
  10. Device and Documentation Support
    1. 9.1 Related Links
    2. 9.2 Receiving Notification of Documentation Updates
    3. 9.3 Support Resources
    4. 9.4 Trademarks
    5. 9.5 Electrostatic Discharge Caution
    6. 9.6 Glossary
  11. 10Revision History
  12. 11Mechanical, Packaging, and Orderable Information

Package Options

Refer to the PDF data sheet for device specific package drawings

Mechanical Data (Package|Pins)
  • D|8
Thermal pad, mechanical data (Package|Pins)
Orderable Information

Self-Biasing, Active Low Output

The self-biasing, active low clamp circuit shown in Figure 7-2 eliminates the potential for problematic MOSFET turnon. As the PWM output voltage rises while in UVLO, the P device drives the larger N type switch ON, which clamps the output voltage low. Power to this circuit is supplied by the externally rising gate voltage, so full protection is available regardless of the ICs supply voltage during undervoltage lockout.

UCC2800-Q1 UCC2801-Q1 UCC2802-Q1 UCC2803-Q1 UCC2804-Q1 UCC2805-Q1 Internal Circuit Holding OUT Low During UVLOFigure 7-2 Internal Circuit Holding OUT Low During UVLO
UCC2800-Q1 UCC2801-Q1 UCC2802-Q1 UCC2803-Q1 UCC2804-Q1 UCC2805-Q1 OUT Voltage vs OUT Current During UVLOFigure 7-3 OUT Voltage vs OUT Current During UVLO