SLUSAO7C September   2011  â€“ July 2024 UCC28063

PRODUCTION DATA  

  1.   1
  2. Features
  3. Applications
  4. Description
  5. Revision History
  6. Pin Configuration and Functions
  7. Specifications
    1. 6.1 Absolute Maximum Ratings
    2. 6.2 ESD Ratings
    3. 6.3 Recommended Operating Conditions
    4. 6.4 Thermal Information
    5. 6.5 Electrical Characteristics
    6. 6.6 Typical Characteristics
  8. Detailed Description
    1. 7.1 Overview
    2. 7.2 Functional Block Diagram
    3. 7.3 Feature Description
      1. 7.3.1  Principles of Operation
      2. 7.3.2  Natural Interleaving
      3. 7.3.3  On-Time Control, Maximum Frequency Limiting, and Restart Timer
      4. 7.3.4  Distortion Reduction
      5. 7.3.5  Zero-Current Detection and Valley Switching
      6. 7.3.6  Phase Management and Light-Load Operation
      7. 7.3.7  External Disable
      8. 7.3.8  Improved Error Amplifier
      9. 7.3.9  Soft Start
      10. 7.3.10 Brownout Protection
      11. 7.3.11 Dropout Detection
      12. 7.3.12 VREF
      13. 7.3.13 VCC
      14. 7.3.14 Control of Downstream Converter
      15. 7.3.15 System Level Protections
        1. 7.3.15.1 Failsafe OVP - Output Overvoltage Protection
        2. 7.3.15.2 Overcurrent Protection
        3. 7.3.15.3 Open-Loop Protection
        4. 7.3.15.4 VCC Undervoltage Lock-Out (UVLO) Protection
        5. 7.3.15.5 Phase-Fail Protection
        6. 7.3.15.6 CS-Open, TSET-Open and -Short Protection
        7. 7.3.15.7 Thermal Shutdown Protection
        8. 7.3.15.8 AC-Line Brownout and Dropout Protections
        9. 7.3.15.9 Fault Logic Diagram
    4. 7.4 Device Functional Modes
  9. Applications and Implementation
    1. 8.1 Application Information
    2. 8.2 Typical Application
      1. 8.2.1 Design Requirements
      2. 8.2.2 Detailed Design Procedure
        1. 8.2.2.1  Inductor Selection
        2. 8.2.2.2  ZCD Resistor Selection (RZA, RZB)
        3. 8.2.2.3  HVSEN
        4. 8.2.2.4  Output Capacitor Selection
        5. 8.2.2.5  Selecting (RS) For Peak Current Limiting
        6. 8.2.2.6  Power Semiconductor Selection (Q1, Q2, D1, D2)
        7. 8.2.2.7  Brownout Protection
        8. 8.2.2.8  Converter Timing
        9. 8.2.2.9  Programming VOUT
        10. 8.2.2.10 Voltage Loop Compensation
      3. 8.2.3 Application Curves
        1. 8.2.3.1 Input Ripple Current Cancellation with Natural Interleaving
        2. 8.2.3.2 Brownout Protection
  10. Power Supply Recommendations
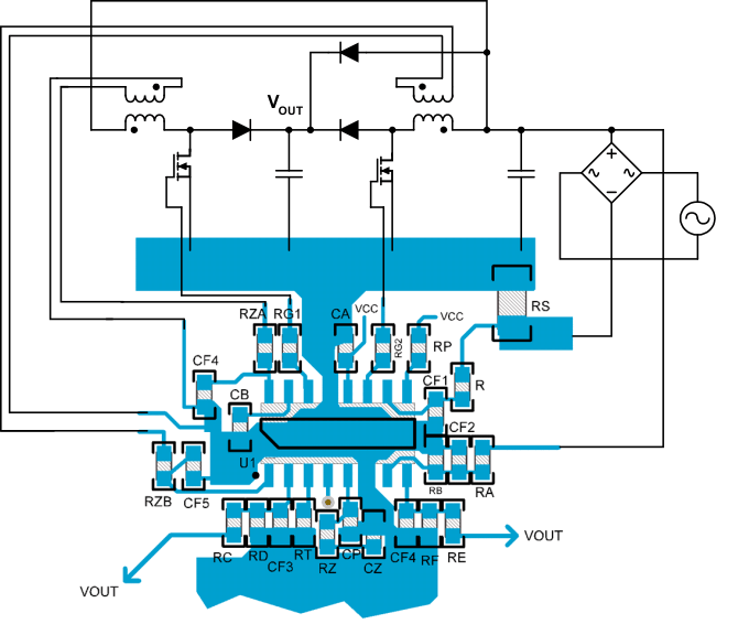
  11. 10Layout
    1. 10.1 Layout Guidelines
    2. 10.2 Layout Example
  12. 11Device and Documentation Support
    1. 11.1 Device Support
      1. 11.1.1 Development Support
        1. 11.1.1.1 Related Parts
      2. 11.1.2 Device Nomenclature
        1. 11.1.2.1 Detailed Pin Description
    2. 11.2 Documentation Support
      1. 11.2.1 Related Documentation
    3. 11.3 Trademarks
    4. 11.4 Electrostatic Discharge Caution
    5. 11.5 Glossary
  13. 12Mechanical, Packaging, and Orderable Information

Package Options

Mechanical Data (Package|Pins)
Thermal pad, mechanical data (Package|Pins)
Orderable Information

Layout Example

UCC28063 Recommended PCB Layout
PHB and VREF pins are connected by a jumper on the back of the board.
Figure 10-1 Recommended PCB Layout