JAJSHT3A August   2019  – April 2021 DRV8876N

PRODUCTION DATA  

  1. 特長
  2. アプリケーション
  3. 概要
  4. 改訂履歴
  5. ピン構成と機能
    1.     ピン機能
  6. 仕様
    1. 6.1 絶対最大定格
    2. 6.2 ESD 定格
    3. 6.3 推奨動作条件
    4. 6.4 熱に関する情報
    5. 6.5 電気的特性
    6. 6.6 代表的特性
  7. 詳細説明
    1. 7.1 概要
    2. 7.2 機能ブロック図
    3. 7.3 機能説明
      1. 7.3.1 外付け部品
      2. 7.3.2 制御モード
        1. 7.3.2.1 PH/EN 制御モード (PMODE = 論理 Low)
        2. 7.3.2.2 PWM 制御モード (PMODE = 論理 High)
        3. 7.3.2.3 独立ハーフブリッジ制御モード (PMODE = Hi-Z)
      3. 7.3.3 保護回路
        1. 7.3.3.1 VM 電源低電圧誤動作防止 (UVLO)
        2. 7.3.3.2 VCP チャージ・ポンプ低電圧誤動作防止 (CPUV)
        3. 7.3.3.3 OUTx の過電流保護 (OCP)
        4. 7.3.3.4 サーマル・シャットダウン (TSD)
        5. 7.3.3.5 フォルト条件のまとめ
      4. 7.3.4 ピン構造図
        1. 7.3.4.1 論理レベル入力
        2. 7.3.4.2 トライレベル入力
        3. 7.3.4.3 クワッドレベル入力
    4. 7.4 デバイスの機能モード
      1. 7.4.1 アクティブ・モード
      2. 7.4.2 低消費電力スリープ・モード
      3. 7.4.3 フォルト・モード
  8. アプリケーションと実装
    1. 8.1 アプリケーション情報
    2. 8.2 代表的なアプリケーション
      1. 8.2.1 主要アプリケーション
        1. 8.2.1.1 設計要件
        2. 8.2.1.2 詳細な設計手順
          1. 8.2.1.2.1 消費電力および出力電流特性
          2. 8.2.1.2.2 熱性能
            1. 8.2.1.2.2.1 定常状態熱性能
            2. 8.2.1.2.2.2 過渡熱性能
        3. 8.2.1.3 アプリケーション曲線
      2. 8.2.2 代替アプリケーション
        1. 8.2.2.1 設計要件
        2. 8.2.2.2 詳細な設計手順
        3. 8.2.2.3 アプリケーション曲線
  9. 電源に関する推奨事項
    1. 9.1 バルク容量
  10. 10レイアウト
    1. 10.1 レイアウトのガイドライン
    2. 10.2 レイアウト例
      1. 10.2.1 HTSSOP のレイアウト例
  11. 11デバイスおよびドキュメントのサポート
    1. 11.1 ドキュメントのサポート
      1. 11.1.1 関連資料
    2. 11.2 ドキュメントの更新通知を受け取る方法
    3. 11.3 コミュニティ・リソース
    4. 11.4 商標
  12. 12メカニカル、パッケージ、および注文情報

パッケージ・オプション

メカニカル・データ(パッケージ|ピン)
サーマルパッド・メカニカル・データ
発注情報

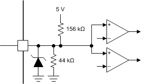
トライレベル入力

図 7-3 にトライレベル入力ピン PMODE の入力構造を示します。

GUID-22EB72E3-423D-4954-B17B-0880DBD2691D-low.gif図 7-3 PMODE トライレベル入力