JAJSGN7A December   2018  – February 2024 TMUX1109

PRODUCTION DATA  

  1.   1
  2. 特長
  3. アプリケーション
  4. 概要
  5. Pin Configuration and Functions
  6. Specifications
    1. 5.1 Absolute Maximum Ratings
    2. 5.2 ESD Ratings
    3. 5.3 Recommended Operating Conditions
    4. 5.4 Thermal Information
    5. 5.5 Electrical Characteristics (VDD = 5V ±10 %)
    6. 5.6 Electrical Characteristics (VDD = 3.3V ±10 %)
    7. 5.7 Electrical Characteristics (VDD = 2.5V ±10 %), (VSS = –2.5V ±10 %)
    8. 5.8 Electrical Characteristics (VDD = 1.8V ±10 %)
    9. 5.9 Electrical Characteristics (VDD = 1.2V ±10 %)
    10.     Typical Characteristics
  7. Detailed Description
    1. 6.1 Overview
      1. 6.1.1  On-Resistance
      2. 6.1.2  Off-Leakage Current
      3. 6.1.3  On-Leakage Current
      4. 6.1.4  Transition Time
      5. 6.1.5  Break-Before-Make
      6. 6.1.6  tON(EN) and tOFF(EN)
      7. 6.1.7  Charge Injection
      8. 6.1.8  Off Isolation
      9. 6.1.9  Crosstalk
      10. 6.1.10 Bandwidth
    2. 6.2 Functional Block Diagram
    3. 6.3 Feature Description
      1. 6.3.1 Bidirectional Operation
      2. 6.3.2 Rail to Rail Operation
      3. 6.3.3 1.8V Logic Compatible Inputs
      4. 6.3.4 Fail-Safe Logic
      5. 6.3.5 Ultra-Low Leakage Current
      6. 6.3.6 Ultra-Low Charge Injection
    4. 6.4 Device Functional Modes
      1. 6.4.1 Truth Tables
  8. Application and Implementation
    1. 7.1 Application Information
    2. 7.2 Typical Application
      1. 7.2.1 Design Requirements
      2. 7.2.2 Detailed Design Procedure
      3. 7.2.3 Application Curve
    3. 7.3 Power Supply Recommendations
    4. 7.4 Layout
      1. 7.4.1 Layout Guidelines
      2. 7.4.2 Layout Example
  9. Device and Documentation Support
    1. 8.1 Documentation Support
      1. 8.1.1 Related Documentation
    2. 8.2 ドキュメントの更新通知を受け取る方法
    3. 8.3 サポート・リソース
    4. 8.4 Trademarks
    5. 8.5 静電気放電に関する注意事項
    6. 8.6 用語集
  10. Revision History
  11. 10Mechanical, Packaging, and Orderable Information

パッケージ・オプション

デバイスごとのパッケージ図は、PDF版データシートをご参照ください。

メカニカル・データ(パッケージ|ピン)
  • PW|16
  • RSV|16
サーマルパッド・メカニカル・データ
発注情報

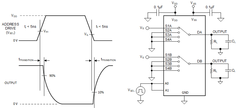
Transition Time

Transition time is defined as the time taken by the output of the device to rise or fall 10% after the address signal has risen or fallen past the logic threshold. The 10% transition measurement is utilized to provide the timing of the device, system level timing can then account for the time constant added from the load resistance and load capacitance. Figure 6-4 shows the setup used to measure transition time, denoted by the symbol tTRANSITION.

GUID-ACA04C04-3798-4ABC-A67E-562780275233-low.gifFigure 6-4 Transition-Time Measurement Setup