JAJSGN7A December   2018  – February 2024 TMUX1109

PRODUCTION DATA  

  1.   1
  2. 特長
  3. アプリケーション
  4. 概要
  5. Pin Configuration and Functions
  6. Specifications
    1. 5.1 Absolute Maximum Ratings
    2. 5.2 ESD Ratings
    3. 5.3 Recommended Operating Conditions
    4. 5.4 Thermal Information
    5. 5.5 Electrical Characteristics (VDD = 5V ±10 %)
    6. 5.6 Electrical Characteristics (VDD = 3.3V ±10 %)
    7. 5.7 Electrical Characteristics (VDD = 2.5V ±10 %), (VSS = –2.5V ±10 %)
    8. 5.8 Electrical Characteristics (VDD = 1.8V ±10 %)
    9. 5.9 Electrical Characteristics (VDD = 1.2V ±10 %)
    10.     Typical Characteristics
  7. Detailed Description
    1. 6.1 Overview
      1. 6.1.1  On-Resistance
      2. 6.1.2  Off-Leakage Current
      3. 6.1.3  On-Leakage Current
      4. 6.1.4  Transition Time
      5. 6.1.5  Break-Before-Make
      6. 6.1.6  tON(EN) and tOFF(EN)
      7. 6.1.7  Charge Injection
      8. 6.1.8  Off Isolation
      9. 6.1.9  Crosstalk
      10. 6.1.10 Bandwidth
    2. 6.2 Functional Block Diagram
    3. 6.3 Feature Description
      1. 6.3.1 Bidirectional Operation
      2. 6.3.2 Rail to Rail Operation
      3. 6.3.3 1.8V Logic Compatible Inputs
      4. 6.3.4 Fail-Safe Logic
      5. 6.3.5 Ultra-Low Leakage Current
      6. 6.3.6 Ultra-Low Charge Injection
    4. 6.4 Device Functional Modes
      1. 6.4.1 Truth Tables
  8. Application and Implementation
    1. 7.1 Application Information
    2. 7.2 Typical Application
      1. 7.2.1 Design Requirements
      2. 7.2.2 Detailed Design Procedure
      3. 7.2.3 Application Curve
    3. 7.3 Power Supply Recommendations
    4. 7.4 Layout
      1. 7.4.1 Layout Guidelines
      2. 7.4.2 Layout Example
  9. Device and Documentation Support
    1. 8.1 Documentation Support
      1. 8.1.1 Related Documentation
    2. 8.2 ドキュメントの更新通知を受け取る方法
    3. 8.3 サポート・リソース
    4. 8.4 Trademarks
    5. 8.5 静電気放電に関する注意事項
    6. 8.6 用語集
  10. Revision History
  11. 10Mechanical, Packaging, and Orderable Information

パッケージ・オプション

デバイスごとのパッケージ図は、PDF版データシートをご参照ください。

メカニカル・データ(パッケージ|ピン)
  • PW|16
  • RSV|16
サーマルパッド・メカニカル・データ
発注情報

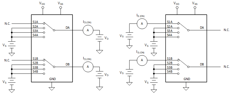
On-Leakage Current

Source on-leakage current is defined as the leakage current flowing into or out of the source pin when the switch is on. This current is denoted by the symbol IS(ON).

Drain on-leakage current is defined as the leakage current flowing into or out of the drain pin when the switch is on. This current is denoted by the symbol ID(ON).

Either the source pin or drain pin is left floating during the measurement. Figure 6-3 shows the circuit used for measuring the on-leakage current, denoted by IS(ON) or ID(ON).

GUID-BFAD8AAB-4765-4F8E-962F-93FB1EDD5F91-low.gifFigure 6-3 On-Leakage Measurement Setup