JAJSGN7A December 2018 – February 2024 TMUX1109
PRODUCTION DATA
デバイスごとのパッケージ図は、PDF版データシートをご参照ください。
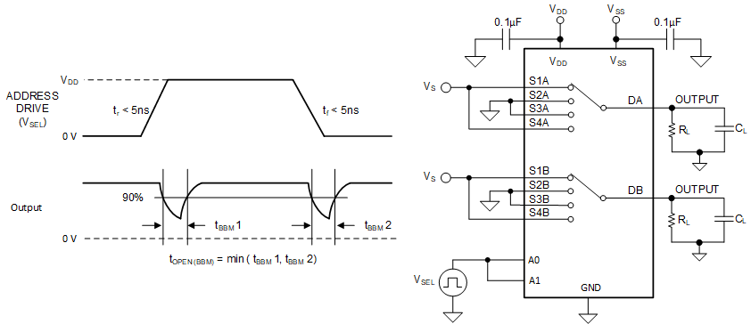
Break-before-make delay is a safety feature that prevents two inputs from connecting when the device is switching. The output first breaks from the on-state switch before making the connection with the next on-state switch. The time delay between the break and the make is known as break-before-make delay. Figure 6-5 shows the setup used to measure break-before-make delay, denoted by the symbol tOPEN(BBM).
Figure 6-5 Break-Before-Make Delay Measurement Setup