JAJSES4A February   2018  – April 2020 ADC08DJ3200

PRODUCTION DATA.  

  1. 特長
    1.     ADC08DJ3200 の測定された入力帯域幅
  2. アプリケーション
  3. 概要
  4. 改訂履歴
  5. 概要(続き)
  6. Pin Configuration and Functions
    1.     Pin Functions
  7. Specifications
    1. 7.1  Absolute Maximum Ratings
    2. 7.2  ESD Ratings
    3. 7.3  Recommended Operating Conditions
    4. 7.4  Thermal Information
    5. 7.5  Electrical Characteristics: DC Specifications
    6. 7.6  Electrical Characteristics: Power Consumption
    7. 7.7  Electrical Characteristics: AC Specifications (Dual-Channel Mode)
    8. 7.8  Electrical Characteristics: AC Specifications (Single-Channel Mode)
    9. 7.9  Timing Requirements
    10. 7.10 Switching Characteristics
    11. 7.11 Typical Characteristics
  8. Detailed Description
    1. 8.1 Overview
    2. 8.2 Functional Block Diagram
    3. 8.3 Feature Description
      1. 8.3.1 Device Comparison
      2. 8.3.2 Analog Inputs
        1. 8.3.2.1 Analog Input Protection
        2. 8.3.2.2 Full-Scale Voltage (VFS) Adjustment
        3. 8.3.2.3 Analog Input Offset Adjust
      3. 8.3.3 ADC Core
        1. 8.3.3.1 ADC Theory of Operation
        2. 8.3.3.2 ADC Core Calibration
        3. 8.3.3.3 Analog Reference Voltage
        4. 8.3.3.4 ADC Overrange Detection
        5. 8.3.3.5 Code Error Rate (CER)
      4. 8.3.4 Temperature Monitoring Diode
      5. 8.3.5 Timestamp
      6. 8.3.6 Clocking
        1. 8.3.6.1 Noiseless Aperture Delay Adjustment (tAD Adjust)
        2. 8.3.6.2 Aperture Delay Ramp Control (TAD_RAMP)
        3. 8.3.6.3 SYSREF Capture for Multi-Device Synchronization and Deterministic Latency
          1. 8.3.6.3.1 SYSREF Position Detector and Sampling Position Selection (SYSREF Windowing)
          2. 8.3.6.3.2 Automatic SYSREF Calibration
      7. 8.3.7 JESD204B Interface
        1. 8.3.7.1 Transport Layer
        2. 8.3.7.2 Scrambler
        3. 8.3.7.3 Link Layer
          1. 8.3.7.3.1 Code Group Synchronization (CGS)
          2. 8.3.7.3.2 Initial Lane Alignment Sequence (ILAS)
          3. 8.3.7.3.3 8b, 10b Encoding
          4. 8.3.7.3.4 Frame and Multiframe Monitoring
        4. 8.3.7.4 Physical Layer
          1. 8.3.7.4.1 SerDes Pre-Emphasis
        5. 8.3.7.5 JESD204B Enable
        6. 8.3.7.6 Multi-Device Synchronization and Deterministic Latency
        7. 8.3.7.7 Operation in Subclass 0 Systems
      8. 8.3.8 Alarm Monitoring
        1. 8.3.8.1 Clock Upset Detection
    4. 8.4 Device Functional Modes
      1. 8.4.1 Dual-Channel Mode
      2. 8.4.2 Single-Channel Mode (DES Mode)
      3. 8.4.3 JESD204B Modes
        1. 8.4.3.1 JESD204B Output Data Formats
      4. 8.4.4 Power-Down Modes
      5. 8.4.5 Test Modes
        1. 8.4.5.1 Serializer Test-Mode Details
        2. 8.4.5.2 PRBS Test Modes
        3. 8.4.5.3 Ramp Test Mode
        4. 8.4.5.4 Short and Long Transport Test Mode
          1. 8.4.5.4.1 Short Transport Test Pattern
        5. 8.4.5.5 D21.5 Test Mode
        6. 8.4.5.6 K28.5 Test Mode
        7. 8.4.5.7 Repeated ILA Test Mode
        8. 8.4.5.8 Modified RPAT Test Mode
      6. 8.4.6 Calibration Modes and Trimming
        1. 8.4.6.1 Foreground Calibration Mode
        2. 8.4.6.2 Background Calibration Mode
        3. 8.4.6.3 Low-Power Background Calibration (LPBG) Mode
      7. 8.4.7 Offset Calibration
      8. 8.4.8 Trimming
      9. 8.4.9 Offset Filtering
    5. 8.5 Programming
      1. 8.5.1 Using the Serial Interface
        1. 8.5.1.1 SCS
        2. 8.5.1.2 SCLK
        3. 8.5.1.3 SDI
        4. 8.5.1.4 SDO
        5. 8.5.1.5 Streaming Mode
    6. 8.6 Register Maps
      1. 8.6.1 Memory Map
      2. 8.6.2 Register Descriptions
        1. 8.6.2.1  Standard SPI-3.0 (0x000 to 0x00F)
          1. Table 23. Standard SPI-3.0 Registers
          2. 8.6.2.1.1 Configuration A Register (address = 0x000) [reset = 0x30]
            1. Table 24. CONFIG_A Field Descriptions
          3. 8.6.2.1.2 Device Configuration Register (address = 0x002) [reset = 0x00]
            1. Table 25. DEVICE_CONFIG Field Descriptions
          4. 8.6.2.1.3 Chip Type Register (address = 0x003) [reset = 0x03]
            1. Table 26. CHIP_TYPE Field Descriptions
          5. 8.6.2.1.4 Chip ID Register (address = 0x004 to 0x005) [reset = 0x0020]
            1. Table 27. CHIP_ID Field Descriptions
          6. 8.6.2.1.5 Chip Version Register (address = 0x006) [reset = 0x01]
            1. Table 28. CHIP_VERSION Field Descriptions
          7. 8.6.2.1.6 Vendor Identification Register (address = 0x00C to 0x00D) [reset = 0x0451]
            1. Table 29. VENDOR_ID Field Descriptions
        2. 8.6.2.2  User SPI Configuration (0x010 to 0x01F)
          1. 8.6.2.2.1 User SPI Configuration Register (address = 0x010) [reset = 0x00]
            1. Table 31. USR0 Field Descriptions
        3. 8.6.2.3  Miscellaneous Analog Registers (0x020 to 0x047)
          1. 8.6.2.3.1 Clock Control Register 0 (address = 0x029) [reset = 0x00]
            1. Table 33. CLK_CTRL0 Field Descriptions
          2. 8.6.2.3.2 Clock Control Register 1 (address = 0x02A) [reset = 0x00]
            1. Table 34. CLK_CTRL1 Field Descriptions
          3. 8.6.2.3.3 SYSREF Capture Position Register (address = 0x02C-0x02E) [reset = Undefined]
            1. Table 35. SYSREF_POS Field Descriptions
          4. 8.6.2.3.4 INA Full-Scale Range Adjust Register (address = 0x030-0x031) [reset = 0xA000]
            1. Table 36. FS_RANGE_A Field Descriptions
          5. 8.6.2.3.5 INB Full-Scale Range Adjust Register (address = 0x032-0x033) [reset = 0xA000]
            1. Table 37. FS_RANGE_B Field Descriptions
          6. 8.6.2.3.6 Internal Reference Bypass Register (address = 0x038) [reset = 0x00]
            1. Table 38. BG_BYPASS Field Descriptions
          7. 8.6.2.3.7 TMSTP± Control Register (address = 0x03B) [reset = 0x00]
            1. Table 39. TMSTP_CTRL Field Descriptions
        4. 8.6.2.4  Serializer Registers (0x048 to 0x05F)
          1. 8.6.2.4.1 Serializer Pre-Emphasis Control Register (address = 0x048) [reset = 0x00]
            1. Table 41. SER_PE Field Descriptions
        5. 8.6.2.5  Calibration Registers (0x060 to 0x0FF)
          1. 8.6.2.5.1  Input Mux Control Register (address = 0x060) [reset = 0x01]
            1. Table 43. INPUT_MUX Field Descriptions
          2. 8.6.2.5.2  Calibration Enable Register (address = 0x061) [reset = 0x01]
            1. Table 44. CAL_EN Field Descriptions
          3. 8.6.2.5.3  Calibration Configuration 0 Register (address = 0x062) [reset = 0x01]
            1. Table 45. CAL_CFG0 Field Descriptions
          4. 8.6.2.5.4  Calibration Status Register (address = 0x06A) [reset = Undefined]
            1. Table 46. CAL_STATUS Field Descriptions
          5. 8.6.2.5.5  Calibration Pin Configuration Register (address = 0x06B) [reset = 0x00]
            1. Table 47. CAL_PIN_CFG Field Descriptions
          6. 8.6.2.5.6  Calibration Software Trigger Register (address = 0x06C) [reset = 0x01]
            1. Table 48. CAL_SOFT_TRIG Field Descriptions
          7. 8.6.2.5.7  Low-Power Background Calibration Register (address = 0x06E) [reset = 0x88]
            1. Table 49. CAL_LP Field Descriptions
          8. 8.6.2.5.8  Calibration Data Enable Register (address = 0x070) [reset = 0x00]
            1. Table 50. CAL_DATA_EN Field Descriptions
          9. 8.6.2.5.9  Calibration Data Register (address = 0x071) [reset = Undefined]
            1. Table 51. CAL_DATA Field Descriptions
          10. 8.6.2.5.10 Channel A Gain Trim Register (address = 0x07A) [reset = Undefined]
            1. Table 52. GAIN_TRIM_A Field Descriptions
          11. 8.6.2.5.11 Channel B Gain Trim Register (address = 0x07B) [reset = Undefined]
            1. Table 53. GAIN_TRIM_B Field Descriptions
          12. 8.6.2.5.12 Band-Gap Reference Trim Register (address = 0x07C) [reset = Undefined]
            1. Table 54. BG_TRIM Field Descriptions
          13. 8.6.2.5.13 VINA Input Resistor Trim Register (address = 0x07E) [reset = Undefined]
            1. Table 55. RTRIM_A Field Descriptions
          14. 8.6.2.5.14 VINB Input Resistor Trim Register (address = 0x07F) [reset = Undefined]
            1. Table 56. RTRIM_B Field Descriptions
          15. 8.6.2.5.15 Timing Adjust for A-ADC, Single-Channel Mode, Foreground Calibration Register (address = 0x080) [reset = Undefined]
            1. Table 57. TADJ_A_FG90 Field Descriptions
          16. 8.6.2.5.16 Timing Adjust for B-ADC, Single-Channel Mode, Foreground Calibration Register (address = 0x081) [reset = Undefined]
            1. Table 58. TADJ_B_FG0 Field Descriptions
          17. 8.6.2.5.17 Timing Adjust for A-ADC, Single-Channel Mode, Background Calibration Register (address = 0x082) [reset = Undefined]
            1. Table 59. TADJ_B_FG0 Field Descriptions
          18. 8.6.2.5.18 Timing Adjust for C-ADC, Single-Channel Mode, Background Calibration Register (address = 0x083) [reset = Undefined]
            1. Table 60. TADJ_B_FG0 Field Descriptions
          19. 8.6.2.5.19 Timing Adjust for C-ADC, Single-Channel Mode, Background Calibration Register (address = 0x084) [reset = Undefined]
            1. Table 61. TADJ_B_FG0 Field Descriptions
          20. 8.6.2.5.20 Timing Adjust for B-ADC, Single-Channel Mode, Background Calibration Register (address = 0x085) [reset = Undefined]
            1. Table 62. TADJ_B_FG0 Field Descriptions
          21. 8.6.2.5.21 Timing Adjust for A-ADC, Dual-Channel Mode Register (address = 0x086) [reset = Undefined]
            1. Table 63. TADJ_A Field Descriptions
          22. 8.6.2.5.22 Timing Adjust for C-ADC Acting for A-ADC, Dual-Channel Mode Register (address = 0x087) [reset = Undefined]
            1. Table 64. TADJ_CA Field Descriptions
          23. 8.6.2.5.23 Timing Adjust for C-ADC Acting for B-ADC, Dual-Channel Mode Register (address = 0x088) [reset = Undefined]
            1. Table 65. TADJ_CB Field Descriptions
          24. 8.6.2.5.24 Timing Adjust for B-ADC, Dual-Channel Mode Register (address = 0x089) [reset = Undefined]
            1. Table 66. TADJ_B Field Descriptions
          25. 8.6.2.5.25 Offset Adjustment for A-ADC and INA Register (address = 0x08A-0x08B) [reset = Undefined]
            1. Table 67. OADJ_A_INA Field Descriptions
          26. 8.6.2.5.26 Offset Adjustment for A-ADC and INB Register (address = 0x08C-0x08D) [reset = Undefined]
            1. Table 68. OADJ_A_INB Field Descriptions
          27. 8.6.2.5.27 Offset Adjustment for C-ADC and INA Register (address = 0x08E-0x08F) [reset = Undefined]
            1. Table 69. OADJ_C_INA Field Descriptions
          28. 8.6.2.5.28 Offset Adjustment for C-ADC and INB Register (address = 0x090-0x091) [reset = Undefined]
            1. Table 70. OADJ_C_INB Field Descriptions
          29. 8.6.2.5.29 Offset Adjustment for B-ADC and INA Register (address = 0x092-0x093) [reset = Undefined]
            1. Table 71. OADJ_B_INA Field Descriptions
          30. 8.6.2.5.30 Offset Adjustment for B-ADC and INB Register (address = 0x094-0x095) [reset = Undefined]
            1. Table 72. OADJ_B_INB Field Descriptions
          31. 8.6.2.5.31 Offset Filtering Control 0 Register (address = 0x097) [reset = 0x00]
            1. Table 73. OSFILT0 Field Descriptions
          32. 8.6.2.5.32 Offset Filtering Control 1 Register (address = 0x098) [reset = 0x33]
            1. Table 74. OSFILT1 Field Descriptions
        6. 8.6.2.6  ADC Bank Registers (0x100 to 0x15F)
          1. 8.6.2.6.1  Timing Adjustment for Bank 0 (0° Clock) Register (address = 0x102) [reset = Undefined]
            1. Table 76. B0_TIME_0 Field Descriptions
          2. 8.6.2.6.2  Timing Adjustment for Bank 0 (–90° Clock) Register (address = 0x103) [reset = Undefined]
            1. Table 77. B0_TIME_90 Field Descriptions
          3. 8.6.2.6.3  Timing Adjustment for Bank 1 (0° Clock) Register (address = 0x112) [reset = Undefined]
            1. Table 78. B1_TIME_0 Field Descriptions
          4. 8.6.2.6.4  Timing Adjustment for Bank 1 (–90° Clock) Register (address = 0x113) [reset = Undefined]
            1. Table 79. B1_TIME_90 Field Descriptions
          5. 8.6.2.6.5  Timing Adjustment for Bank 2 (0° Clock) Register (address = 0x122) [reset = Undefined]
            1. Table 80. B2_TIME_0 Field Descriptions
          6. 8.6.2.6.6  Timing Adjustment for Bank 2 (–90° Clock) Register (address = 0x123) [reset = Undefined]
            1. Table 81. B2_TIME_90 Field Descriptions
          7. 8.6.2.6.7  Timing Adjustment for Bank 3 (0° Clock) Register (address = 0x132) [reset = Undefined]
            1. Table 82. B3_TIME_0 Field Descriptions
          8. 8.6.2.6.8  Timing Adjustment for Bank 3 (–90° Clock) Register (address = 0x133) [reset = Undefined]
            1. Table 83. B3_TIME_90 Field Descriptions
          9. 8.6.2.6.9  Timing Adjustment for Bank 4 (0° Clock) Register (address = 0x142) [reset = Undefined]
            1. Table 84. B4_TIME_0 Field Descriptions
          10. 8.6.2.6.10 Timing Adjustment for Bank 4 (–90° Clock) Register (address = 0x143) [reset = Undefined]
            1. Table 85. B4_TIME_90 Field Descriptions
          11. 8.6.2.6.11 Timing Adjustment for Bank 5 (0° Clock) Register (address = 0x152) [reset = Undefined]
            1. Table 86. B5_TIME_0 Field Descriptions
          12. 8.6.2.6.12 Timing Adjustment for Bank 5 (–90° Clock) Register (address = 0x153) [reset = Undefined]
            1. Table 87. B5_TIME_90 Field Descriptions
        7. 8.6.2.7  LSB Control Registers (0x160 to 0x1FF)
          1. 8.6.2.7.1 LSB Control Bit Output Register (address = 0x160) [reset = 0x00]
            1. Table 89. ENC_LSB Field Descriptions
        8. 8.6.2.8  JESD204B Registers (0x200 to 0x20F)
          1. 8.6.2.8.1  JESD204B Enable Register (address = 0x200) [reset = 0x01]
            1. Table 91. JESD_EN Field Descriptions
          2. 8.6.2.8.2  JESD204B Mode Register (address = 0x201) [reset = 0x02]
            1. Table 92. JMODE Field Descriptions
          3. 8.6.2.8.3  JESD204B K Parameter Register (address = 0x202) [reset = 0x1F]
            1. Table 93. KM1 Field Descriptions
          4. 8.6.2.8.4  JESD204B Manual SYNC Request Register (address = 0x203) [reset = 0x01]
            1. Table 94. JSYNC_N Field Descriptions
          5. 8.6.2.8.5  JESD204B Control Register (address = 0x204) [reset = 0x02]
            1. Table 95. JCTRL Field Descriptions
          6. 8.6.2.8.6  JESD204B Test Pattern Control Register (address = 0x205) [reset = 0x00]
            1. Table 96. JTEST Field Descriptions
          7. 8.6.2.8.7  JESD204B DID Parameter Register (address = 0x206) [reset = 0x00]
            1. Table 97. DID Field Descriptions
          8. 8.6.2.8.8  JESD204B Frame Character Register (address = 0x207) [reset = 0x00]
            1. Table 98. FCHAR Field Descriptions
          9. 8.6.2.8.9  JESD204B, System Status Register (address = 0x208) [reset = Undefined]
            1. Table 99. JESD_STATUS Field Descriptions
          10. 8.6.2.8.10 JESD204B Channel Power-Down Register (address = 0x209) [reset = 0x00]
            1. Table 100. PD_CH Field Descriptions
          11. 8.6.2.8.11 JESD204B Extra Lane Enable (Link A) Register (address = 0x20A) [reset = 0x00]
            1. Table 101. JESD204B Extra Lane Enable (Link A) Field Descriptions
          12. 8.6.2.8.12 JESD204B Extra Lane Enable (Link B) Register (address = 0x20B) [reset = 0x00]
            1. Table 102. JESD204B Extra Lane Enable (Link B) Field Descriptions
        9. 8.6.2.9  Digital Down Converter Registers (0x210-0x2AF)
          1. 8.6.2.9.1 Overrange Threshold 0 Register (address = 0x211) [reset = 0xF2]
            1. Table 104. OVR_T0 Field Descriptions
          2. 8.6.2.9.2 Overrange Threshold 1 Register (address = 0x212) [reset = 0xAB]
            1. Table 105. OVR_T1 Field Descriptions
          3. 8.6.2.9.3 Overrange Configuration Register (address = 0x213) [reset = 0x07]
            1. Table 106. OVR_CFG Field Descriptions
        10. 8.6.2.10 Spin Identification Register (address = 0x297) [reset = Undefined]
          1. Table 107. SPIN_ID Field Descriptions
      3. 8.6.3 SYSREF Calibration Registers (0x2B0 to 0x2BF)
        1. 8.6.3.1 SYSREF Calibration Enable Register (address = 0x2B0) [reset = 0x00]
          1. Table 109. SRC_EN Field Descriptions
        2. 8.6.3.2 SYSREF Calibration Configuration Register (address = 0x2B1) [reset = 0x05]
          1. Table 110. SRC_CFG Field Descriptions
        3. 8.6.3.3 SYSREF Calibration Status Register (address = 0x2B2 to 0x2B4) [reset = Undefined]
          1. Table 111. SRC_STATUS Field Descriptions
        4. 8.6.3.4 DEVCLK Aperture Delay Adjustment Register (address = 0x2B5 to 0x2B7) [reset = 0x000000]
          1. Table 112. TAD Field Descriptions
        5. 8.6.3.5 DEVCLK Timing Adjust Ramp Control Register (address = 0x2B8) [reset = 0x00]
          1. Table 113. TAD_RAMP Field Descriptions
      4. 8.6.4 Alarm Registers (0x2C0 to 0x2C2)
        1. 8.6.4.1 Alarm Interrupt Register (address = 0x2C0) [reset = Undefined]
          1. Table 115. ALARM Field Descriptions
        2. 8.6.4.2 Alarm Status Register (address = 0x2C1) [reset = 0x1F]
          1. Table 116. ALM_STATUS Field Descriptions
        3. 8.6.4.3 Alarm Mask Register (address = 0x2C2) [reset = 0x1F]
          1. Table 117. ALM_MASK Field Descriptions
  9. Application and Implementation
    1. 9.1 Application Information
    2. 9.2 Typical Applications
      1. 9.2.1 Wideband RF Sampling Receiver
        1. 9.2.1.1 Design Requirements
          1. 9.2.1.1.1 Input Signal Path
          2. 9.2.1.1.2 Clocking
        2. 9.2.1.2 Detailed Design Procedure
          1. 9.2.1.2.1 Calculating Values of AC-Coupling Capacitors
        3. 9.2.1.3 Application Curves
      2. 9.2.2 Reconfigurable Dual-Channel 2.5-GSPS or Single-Channel 5.0-Gsps Oscilloscope
        1. 9.2.2.1 Design Requirements
          1. 9.2.2.1.1 Input Signal Path
          2. 9.2.2.1.2 Clocking
          3. 9.2.2.1.3 ADC08DJ3200
        2. 9.2.2.2 Application Curves
    3. 9.3 Initialization Set Up
  10. 10Power Supply Recommendations
    1. 10.1 Power Sequencing
  11. 11Layout
    1. 11.1 Layout Guidelines
    2. 11.2 Layout Example
  12. 12デバイスおよびドキュメントのサポート
    1. 12.1 デバイス・サポート
      1. 12.1.1 デベロッパー・ネットワークの製品に関する免責事項
      2. 12.1.2 開発サポート
    2. 12.2 ドキュメントのサポート
      1. 12.2.1 関連資料
    3. 12.3 ドキュメントの更新通知を受け取る方法
    4. 12.4 サポート・リソース
    5. 12.5 商標
    6. 12.6 静電気放電に関する注意事項
    7. 12.7 Glossary
  13. 13メカニカル、パッケージ、および注文情報

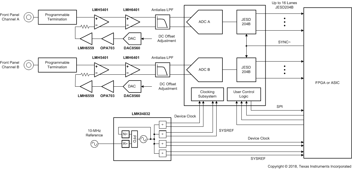
Reconfigurable Dual-Channel 2.5-GSPS or Single-Channel 5.0-Gsps Oscilloscope

This section demonstrates the use of the ADC08DJ3200 in a reconfigurable oscilloscope. The oscilloscope can operate as a dual-channel oscilloscope running at 2.5 GSPS or can be reconfigured through SPI programming as a single-channel, 5-GSPS oscilloscope. This reconfigurable setup allows users to trade off the number of channels and the sampling rate of the oscilloscope as needed without changing the hardware. Set the input bandwidth to the desired maximum signal bandwidth through the use of an antialiasing, low-pass filter. Digital filtering can then be used to reconfigure the analog bandwidth as required. For instance, the maximum bandwidth can be set to 1 GHz for use during pulsed transient detection and then reconfigured to 100 MHz through digital filtering for low-noise, sine-wave observation. Figure 158 shows the application block diagram.

ADC08DJ3200 SLVSD97_Scope_App.gifFigure 158. Typical Configuration for Reconfigurable Oscilloscope