SLAA517F May   2012  – August 2021 MSP430F6720A , MSP430F6720A , MSP430F6721A , MSP430F6721A , MSP430F6723A , MSP430F6723A , MSP430F6724A , MSP430F6724A , MSP430F6725A , MSP430F6725A , MSP430F6726A , MSP430F6726A , MSP430F6730A , MSP430F6730A , MSP430F6731A , MSP430F6731A , MSP430F6733A , MSP430F6733A , MSP430F6734A , MSP430F6734A , MSP430F6735A , MSP430F6735A , MSP430F6736 , MSP430F6736 , MSP430F6736A , MSP430F6736A

 

  1.   Trademarks
  2. 1Introduction
  3. 2System Diagrams
  4. 3Hardware Implementation
    1. 3.1 Power Supply
      1. 3.1.1 Resistor Capacitor (RC) Power Supply
    2. 3.2 Analog Inputs
      1. 3.2.1 Voltage Inputs
      2. 3.2.2 Current Inputs
  5. 4Software Implementation
    1. 4.1 Peripherals Setup
      1. 4.1.1 SD24 Setup
    2. 4.2 Foreground Process
      1. 4.2.1 Formulas
        1. 4.2.1.1 Voltage and Current
        2. 4.2.1.2 Power and Energy
    3. 4.3 Background Process
      1. 4.3.1 Voltage and Current Signals
      2. 4.3.2 Phase Compensation
      3. 4.3.3 Frequency Measurement and Cycle Tracking
      4. 4.3.4 LED Pulse Generation
  6. 5Energy Meter Demo
    1. 5.1 EVM Overview
      1. 5.1.1 Connections to the Test Setup for AC Voltages
      2. 5.1.2 Power Supply Options and Jumper Settings
    2. 5.2 Loading the Example Code
      1. 5.2.1 Opening the Project
  7. 6Results and Calibration
    1. 6.1 Viewing Results
    2. 6.2 Calibrating the Meter
      1. 6.2.1 Gain Correction
      2. 6.2.2 Phase Correction
      3. 6.2.3 Metrology Results
  8. 7References
  9. 8Schematics
  10. 9Revision History

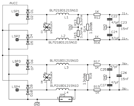
Current Inputs

The analog front-end for current inputs is a little different from the analog front end for the voltage inputs. Figure 3-3 shows the analog front end used for the current channels I1 and I2.

GUID-39F7CF6F-489B-4D18-A10E-B96833F47F3F-low.gifFigure 3-3 Analog Front End for Current Inputs

Resistors R14 and R18 are the burden resistors that would be selected based on the current range used and the turns-ratio specification of the CT (not required for shunt). The value of the burden resistor for this design is around 13 Ω. The anti-aliasing circuitry consisting of R and C follows the burden resistor. The input signal to the converter is a fully differential input with a voltage swing of ±920 mV maximum with gain of the converter set to 1. Similar to the voltage channels, the common mode voltage is selectable to either analog ground (GND) or internal reference on channels connected to LSP3 and LSP4.