SLUU885C March   2012  – June 2024 UCD3138 , UCD3138064 , UCD3138064A , UCD3138128 , UCD3138A , UCD3138A64

 

  1.   1
  2.   2
  3.   Abstract
  4. Introduction
  5. Description
    1. 2.1 Typical Applications
    2. 2.2 Features
  6. Electrical Performance Specifications
  7. Schematics
  8. Test Setup
    1. 5.1 Test Equipment
    2. 5.2 Recommended Test Setup
  9. List of Test Points
  10. List of Terminals
  11. Test Procedure
    1. 8.1 Efficiency Measurement Procedure
    2. 8.2 Equipment Shutdown
  12. Performance Data and Typical Characteristic Curves
    1. 9.1 Efficiency
    2. 9.2 Power Factor
    3. 9.3 Total Harmonic Distortion (THD)
    4. 9.4 Input Current at 230 VAC and 50 Hz
    5. 9.5 Output Voltage Ripple
    6. 9.6 Output Turn On
    7. 9.7 Total Harmonic Distortion (THD)
    8. 9.8 Other Waveforms
  13. 10EVM Assembly Drawing and PCB Layout
  14. 11List of Materials
  15. 12Digital PFC Description
    1. 12.1  1PFC Block Diagram
      1. 12.1.1 Single-Phase PFC Block Diagram
      2. 12.1.2 2-Phase PFC Block Diagram
      3. 12.1.3 Bridgeless PFC Block Diagram
    2. 12.2  UCD3138 Pin Definition
      1. 12.2.1 UCD3138 Pin Definition in Single-Phase PFC
      2. 12.2.2 UCD3138 Pin Definition in 2-Phase PFC
      3. 12.2.3 UCD3138 Pin Definition in Bridgeless PFC
    3. 12.3  EVM Hardware – Introduction
      1. 12.3.1 PFC Pre-Regulator Input
      2. 12.3.2 PFC Power Stage
      3. 12.3.3 Non-Isolated UART Interface
      4. 12.3.4 Isolated UART Interface
      5. 12.3.5 Interface Connector of Control Card
      6. 12.3.6 UCD3138 Resource Allocation for PFC Control
    4. 12.4  EVM Firmware – Introduction
      1. 12.4.1 Background Loop
      2. 12.4.2 Voltage Loop Configuration
      3. 12.4.3 Current Loop Configuration
      4. 12.4.4 Interrupts
    5. 12.5  State Machine
    6. 12.6  PFC Control Firmware
    7. 12.7  System Protection
      1. 12.7.1 Cycle-by-Cycle Current Protection (CBC)
      2. 12.7.2 Over-Voltage Protection (OVP)
    8. 12.8  PFC System Control
      1. 12.8.1 Average Current Mode Control
      2. 12.8.2 ZVS and Valley Control
    9. 12.9  Current Feedback Control Compensation Using PID Control
      1. 12.9.1 Loop Compensation from Poles and Zeros in s-Domain
      2. 12.9.2 Feedback Loop Compenstaion Tuning with PID Coefficients
      3. 12.9.3 Feedback Loop Compensation with Multiple-Set of Parameters
    10. 12.10 Voltage Feedback Loop
  16. 13Evaluating the Single-Phase PFC with GUI
    1. 13.1 Graphical User Interface (GUI)
    2. 13.2 Open the Designer GUI
    3. 13.3 Overview of the Designer GUI
      1. 13.3.1 Monitor
      2. 13.3.2 Status
      3. 13.3.3 Design and Configure
  17. 14Monitoring, Re-configuring and Re-tuning with Designer GUI
    1. 14.1 Power On and Test Procedure
    2. 14.2 Monitoring with GUI
    3. 14.3 Configuration and Re-configuring with GUI
    4. 14.4 Feedback Control Loop Tuning and Re-Tuning with GUI
      1. 14.4.1 Current Loop Evaluation
      2. 14.4.2 Current Loop Re-Tuning
      3. 14.4.3 Voltage Loop Evaluation and Re-tuning
  18. 15Digital PFC Firmware Development
  19. 16References
  20. 17Revision History

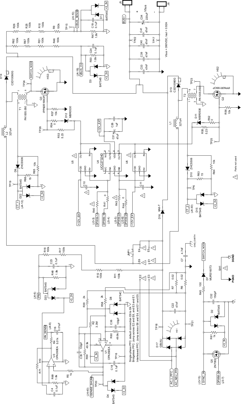
PFC Power Stage

The PFC power stage shown in Figure 12-8 employs a 2-phase boost PFC topology, even though the default configuration of the EVM is single phase PFC. The power MOSFETs, Q3 and Q4, are driven by the controller’s DPWM signals, DPWM1B and DPWM2B, through UCC27324 MOSFET gate drive device. The schematic also shows that four additional signals are sensed and eventually connected to UCD3138 controller’s 12-bit ADC input pins. These four signals are the rectified AC line and neutral voltage, the DC bus voltage for voltage loop control, redundant OVP protection and input current. The sensed signals are scaled and conditioned to a range of 0 V to 2.5 V which corresponds to the full scale range of the ADC.

For single-phase PFC and 2-phase interleaved PFC, the PFC stage total input current is differentially sensed across the sense resistors, R6 and R7, and then conditioned by the current sense amplifier U1. This is shown in Figure 12-8. This sensed input current signal is scaled and conditioned to a range of 0 V to 1.6 V corresponding to the range of the on-chip DAC associated with the error ADC0 (EADC0).

In DCM mode, the inductor current oscillates between the inductor and switch node equivalent capacitor. As a result, the inductor current goes to negative, but the negative current will not show up at the output of the current amplifier. Therefore, the amplifier output does not represent the total inductor current. In order to sense this negative current, an offset is added to the amplifier’s positive input terminal, this is shown as R113 in Figure 12-8.

For bridgeless PFC, the PFC stage input current is sensed by current transformer T2 and T3. The output signal of T2 and T3 is rectified, scaled and conditioned to a range of 0 V to 1.6 V corresponding to the range of the on-chip DAC associated with the error ADC1 (EADC1) and error ADC2 (EADC2).

 PFC Power StageFigure 12-8 PFC Power Stage