TIDUEZ0A March   2021  – March 2022 TMS320F28P550SG , TMS320F28P550SJ , TMS320F28P559SG-Q1 , TMS320F28P559SJ-Q1

 

  1.   Description
  2.   Resources
  3.   Features
  4.   Applications
  5.   5
  6. 1System Description
    1. 1.1 Key System Specifications
  7. 2System Overview
    1. 2.1 Block Diagram
    2. 2.2 Design Considerations
      1. 2.2.1 Three-Phase ANPC Inverter Architecture Overview
      2. 2.2.2 LCL Filter Design
      3. 2.2.3 Power Switching Devices Selection
      4. 2.2.4 GaN Power Stage
      5. 2.2.5 Voltage Sensing
      6. 2.2.6 Current Sensing
      7. 2.2.7 System Power Supplies
        1. 2.2.7.1 Isolated Bias Supplies
      8. 2.2.8 Si Gate Driver Circuit
  8. 3Hardware, Software, Testing Requirements, and Test Results
    1. 3.1 Hardware and Software Requirements
      1. 3.1.1 Hardware
      2. 3.1.2 Software
    2. 3.2 Testing TIDA-010210 With AC Resistive Load
      1. 3.2.1 Test Setup
      2. 3.2.2 Experimental Results
    3. 3.3 Testing TIDA-010210 in PFC Operation
      1. 3.3.1 Test Setup
      2. 3.3.2 Experimental Results
  9. 4Design and Documentation Support
    1. 4.1 Design Files
      1. 4.1.1 Schematics
      2. 4.1.2 BOM
      3. 4.1.3 Altium Project
      4. 4.1.4 Gerber Files
      5. 4.1.5 Assembly Drawings
    2. 4.2 Tools and Software
    3. 4.3 Support Resources
    4. 4.4 Trademarks
  10. 5About the Authors
  11. 6Revision History

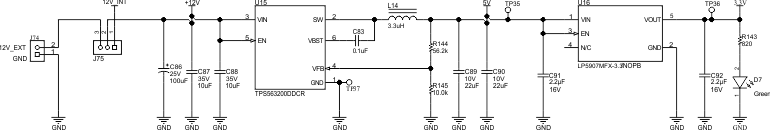
System Power Supplies

This reference design uses multiple voltage domains across the system:

  • A primary bias power input to power the entire design (regulated 12 V). This is used to directly power relays and fans used on the board. There is a connector provision on the main board to generate this 12-V supply directly from the high-voltage DC bus.
  • A TPS563200 synchronous buck converter generates 5 V to power the control card and power cards from the 12 V main power. Each of the power cards generate its own isolated power supply for gate driving from this 5-V power supply.
  • The 3.3-V supply for analog sensing and logic is generated by an LDO LP5907 from the 5 V.

Figure 2-12 shows the power tree for all of these domains.

GUID-20210218-CA0I-GGW1-2K20-6KBNWWBSJ2RW-low.gifFigure 2-12 Power Tree