TIDUEZ0A March   2021  – March 2022 TMS320F28P550SG , TMS320F28P550SJ , TMS320F28P559SG-Q1 , TMS320F28P559SJ-Q1

 

  1.   Description
  2.   Resources
  3.   Features
  4.   Applications
  5.   5
  6. 1System Description
    1. 1.1 Key System Specifications
  7. 2System Overview
    1. 2.1 Block Diagram
    2. 2.2 Design Considerations
      1. 2.2.1 Three-Phase ANPC Inverter Architecture Overview
      2. 2.2.2 LCL Filter Design
      3. 2.2.3 Power Switching Devices Selection
      4. 2.2.4 GaN Power Stage
      5. 2.2.5 Voltage Sensing
      6. 2.2.6 Current Sensing
      7. 2.2.7 System Power Supplies
        1. 2.2.7.1 Isolated Bias Supplies
      8. 2.2.8 Si Gate Driver Circuit
  8. 3Hardware, Software, Testing Requirements, and Test Results
    1. 3.1 Hardware and Software Requirements
      1. 3.1.1 Hardware
      2. 3.1.2 Software
    2. 3.2 Testing TIDA-010210 With AC Resistive Load
      1. 3.2.1 Test Setup
      2. 3.2.2 Experimental Results
    3. 3.3 Testing TIDA-010210 in PFC Operation
      1. 3.3.1 Test Setup
      2. 3.3.2 Experimental Results
  9. 4Design and Documentation Support
    1. 4.1 Design Files
      1. 4.1.1 Schematics
      2. 4.1.2 BOM
      3. 4.1.3 Altium Project
      4. 4.1.4 Gerber Files
      5. 4.1.5 Assembly Drawings
    2. 4.2 Tools and Software
    3. 4.3 Support Resources
    4. 4.4 Trademarks
  10. 5About the Authors
  11. 6Revision History

Isolated Bias Supplies

To generate the isolated bias supplies for each of the power cards, the SN6501 transformer driver is used to drive transformers suited for the power rails required to drive the specific power switching devices used in each type of board As each of the boards have two switching devices, there are two isolated bias power supplies per board.

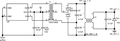
For the TI GaN device LMG3410R050, a 12-V output is needed. This is generated using the SN6501 transformer driver along with Würth Elektronik 750313638 transformer in a voltage doubler configuration as shown in Figure 2-13.

GUID-20210218-CA0I-WRRS-B7LJ-3VVQXWN23KNM-low.gif Figure 2-13 SN6501 Bias Voltage Supply for GaN Power Board

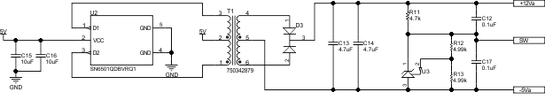
For the slow switching Si power board, a +12-V, –5-V drive is used to drive the FCH040N65S3 Si MOSFET. The SN6501 transformer driver along with Würth Elektronik 750342879 transformer in a push-pull configuration is used to generate a 17-V supply. A TL431-based level-shifting circuit converts this to +12-V, –5-V supply. The circuit is shown in Figure 2-14.

GUID-20210218-CA0I-QNFB-JXTP-2BXDTKQCGWJR-low.gif Figure 2-14 SN6501 Bias Voltage Supply for Si Power Board