SPRSP74E October   2022  – August 2025 AM2631 , AM2631-Q1 , AM2632 , AM2632-Q1 , AM2634 , AM2634-Q1

PRODUCTION DATA  

  1.   1
  2. Features
  3. Applications
  4. Description
    1. 3.1 Functional Block Diagram
  5. Device Comparison
    1. 4.1 Related Products
  6. Terminal Configuration and Functions
    1. 5.1 Pin Diagram
      1. 5.1.1 ZCZ Pin Diagram
    2. 5.2 Pin Attributes
      1.      12
      2.      13
    3. 5.3 Signal Descriptions
      1.      15
      2. 5.3.1  ADC
        1.       17
        2.       18
        3.       19
        4.       20
        5.       21
        6. 5.3.1.1 ADC-CMPSS Signal Connections
      3. 5.3.2  ADC_CAL
        1.       24
      4. 5.3.3  ADC VREF
        1.       26
      5. 5.3.4  CPSW
        1.       28
        2.       29
        3.       30
        4.       31
        5.       32
        6.       33
        7.       34
      6. 5.3.5  CPTS
        1.       36
      7. 5.3.6  DAC
        1.       38
      8. 5.3.7  Emulation and Debug
        1.       40
        2.       41
      9. 5.3.8  EPWM
        1.       43
        2.       44
        3.       45
        4.       46
        5.       47
        6.       48
        7.       49
        8.       50
        9.       51
        10.       52
        11.       53
        12.       54
        13.       55
        14.       56
        15.       57
        16.       58
        17.       59
        18.       60
        19.       61
        20.       62
        21.       63
        22.       64
        23.       65
        24.       66
        25.       67
        26.       68
        27.       69
        28.       70
        29.       71
        30.       72
        31.       73
        32.       74
      10. 5.3.9  EQEP
        1.       76
        2.       77
        3.       78
      11. 5.3.10 FSI
        1.       80
        2.       81
        3.       82
        4.       83
        5.       84
        6.       85
        7.       86
        8.       87
      12. 5.3.11 GPIO
        1.       89
      13. 5.3.12 GPMC
        1.       91
      14. 5.3.13 I2C
        1.       93
        2.       94
        3.       95
        4.       96
        5.       97
      15. 5.3.14 LIN
        1.       99
        2.       100
        3.       101
        4.       102
        5.       103
      16. 5.3.15 MCAN
        1.       105
        2.       106
        3.       107
        4.       108
      17. 5.3.16 SPI (MCSPI)
        1.       110
        2.       111
        3.       112
        4.       113
        5.       114
      18. 5.3.17 MMC
        1.       116
      19. 5.3.18 Power Supply
        1.       118
      20. 5.3.19 PRU-ICSS
        1.       120
        2.       121
        3.       122
        4.       123
        5.       124
      21. 5.3.20 QSPI
        1.       126
      22. 5.3.21 Reserved and No Connect
        1.       128
      23. 5.3.22 SDFM
        1.       130
        2.       131
      24. 5.3.23 System and Miscellaneous
        1. 5.3.23.1 Boot Mode Configuration
          1.        134
        2. 5.3.23.2 Clocking
          1.        136
          2.        137
          3.        138
        3. 5.3.23.3 SYSTEM
          1.        140
        4. 5.3.23.4 VMON
          1.        142
      25. 5.3.24 UART
        1.       144
        2.       145
        3.       146
        4.       147
        5.       148
        6.       149
      26. 5.3.25 XBAR
        1.       151
    4. 5.4 Pin Connectivity Requirements
  7. Specifications
    1. 6.1  Absolute Maximum Ratings
    2. 6.2  Electrostatic Discharge (ESD) Extended Automotive Ratings
    3. 6.3  Electrostatic Discharge (ESD) Industrial Ratings
    4. 6.4  Power-On Hours (POH) Summary
      1. 6.4.1 Automotive Temperature Profile
    5. 6.5  Recommended Operating Conditions
    6. 6.6  Operating Performance Points
    7. 6.7  Power Consumption Summary
      1. 6.7.1 Power Consumption - Maximum
      2. 6.7.2 Power Consumption - Typical
      3. 6.7.3 Power Consumption - Traction Inverter
    8. 6.8  Electrical Characteristics
      1. 6.8.1 Digital and Analog IO Electrical Characteristics
      2. 6.8.2 Analog-to-Digital Converter (ADC)
      3. 6.8.3 Comparator Subsystem A (CMPSSA)
      4. 6.8.4 Comparator Subsystem B (CMPSSB)
      5. 6.8.5 Digital-to-Analog Converter (DAC)
      6. 6.8.6 Power Management Unit (PMU)
      7. 6.8.7 Safety Comparators
    9. 6.9  VPP Specifications for One-Time Programmable (OTP) eFuses
      1. 6.9.1 VPP Specifications
      2. 6.9.2 Hardware Requirements
      3. 6.9.3 Programming Sequence
      4. 6.9.4 Impact to Your Hardware Warranty
    10. 6.10 Thermal Resistance Characteristics
      1. 6.10.1 Package Thermal Characteristics
    11. 6.11 Timing and Switching Characteristics
      1. 6.11.1 Timing Parameters and Information
      2. 6.11.2 Power Supply Sequencing
        1. 6.11.2.1 Power-On and Reset Sequencing
          1. 6.11.2.1.1 Power Reset Sequence Description
        2. 6.11.2.2 Power-Down Sequencing
      3. 6.11.3 System Timing
        1. 6.11.3.1 System Timing Conditions
        2. 6.11.3.2 Reset Timing
          1. 6.11.3.2.1 PORz Timing Requirements
          2.        190
          3. 6.11.3.2.2 WARMRSTn Switching Characteristics
          4.        192
          5. 6.11.3.2.3 WARMRSTn Timing Requirements
          6.        194
        3. 6.11.3.3 Safety Signal Timing
          1. 6.11.3.3.1 SAFETY_ERRORn Switching Characteristics
          2.        197
      4. 6.11.4 Clock Specifications
        1. 6.11.4.1 Input Clocks / Oscillators
          1. 6.11.4.1.1 Crystal Oscillator (XTAL) Parameters
          2. 6.11.4.1.2 External Clock Characteristics
        2. 6.11.4.2 Clock Timing
          1. 6.11.4.2.1 Clock Timing Requirements
          2.        204
          3. 6.11.4.2.2 Clock Switching Characteristics
          4.        206
      5. 6.11.5 Peripherals
        1. 6.11.5.1  2-port Gigabit Ethernet MAC (CPSW)
          1. 6.11.5.1.1 CPSW MDIO Timing
            1. 6.11.5.1.1.1 CPSW MDIO Timing Conditions
            2. 6.11.5.1.1.2 CPSW MDIO Timing Requirements
            3. 6.11.5.1.1.3 CPSW MDIO Switching Characteristics
            4.         213
          2. 6.11.5.1.2 CPSW RMII Timing
            1. 6.11.5.1.2.1 CPSW RMII Timing Conditions
            2. 6.11.5.1.2.2 CPSW RMII[x]_REFCLK Timing Requirements - RMII Mode
            3.         217
            4. 6.11.5.1.2.3 CPSW RMII[x]_RXD[1:0], RMII[x]_CRS_DV, and RMII[x]_RXER Timing Requirements - RMII Mode
            5.         219
            6. 6.11.5.1.2.4 CPSW RMII[x]_TXD[1:0], and RMII[x]_TXEN Switching Characteristics - RMII Mode
            7.         221
          3. 6.11.5.1.3 CPSW RGMII Timing
            1. 6.11.5.1.3.1 CPSW RGMII Timing Conditions
            2. 6.11.5.1.3.2 CPSW RGMII[x]_RCLK Timing Requirements - RGMII Mode
            3. 6.11.5.1.3.3 CPSW RGMII[x]_RD[3:0], and RGMII[x]_RCTL Timing Requirements
            4.         226
            5. 6.11.5.1.3.4 CPSW RGMII[x]_TCLK Switching Characteristics - RGMII Mode
            6. 6.11.5.1.3.5 CPSW RGMII[x]_TD[3:0], and RGMII[x]_TCTL Switching Characteristics - RGMII Mode
            7.         229
        2. 6.11.5.2  Enhanced Capture (eCAP)
          1. 6.11.5.2.1 ECAP Timing Conditions
          2. 6.11.5.2.2 ECAP Timing Requirements
          3.        233
          4. 6.11.5.2.3 ECAP Switching Characteristics
          5.        235
        3. 6.11.5.3  Enhanced Pulse Width Modulation (ePWM)
          1. 6.11.5.3.1 EPWM Timing Conditions
          2. 6.11.5.3.2 EPWM Timing Requirements
          3.        239
          4. 6.11.5.3.3 EPWM Switching Characteristics
          5.        241
          6.        EPWM Characteristics
        4. 6.11.5.4  Enhanced Quadrature Encoder Pulse (eQEP)
          1. 6.11.5.4.1 EQEP Timing Conditions
          2. 6.11.5.4.2 EQEP Timing Requirements
          3.        246
          4. 6.11.5.4.3 EQEP Switching Characteristics
        5. 6.11.5.5  Fast Serial Interface (FSI)
          1. 6.11.5.5.1 FSI Timing Conditions
          2. 6.11.5.5.2 FSIRX Timing Requirements
          3.        251
          4. 6.11.5.5.3 FSIRX Switching Characteristics
          5. 6.11.5.5.4 FSITX Switching Characteristics
          6.        254
          7. 6.11.5.5.5 FSITX SPI Signaling Mode Switching Characteristics
          8.        256
        6. 6.11.5.6  General Purpose Input/Output (GPIO)
          1. 6.11.5.6.1 GPIO Timing Conditions
          2. 6.11.5.6.2 GPIO Timing Requirements
          3. 6.11.5.6.3 GPIO Switching Characteristics
        7. 6.11.5.7  General Purpose Memory Controller (GPMC)
          1. 6.11.5.7.1 GPMC Timing Conditions
          2. 6.11.5.7.2 GPMC/NOR Flash Timing Requirements - Synchronous Mode 100MHz
          3. 6.11.5.7.3 GPMC/NOR Flash Switching Characteristics - Synchronous Mode 100MHz
          4.        265
          5. 6.11.5.7.4 GPMC/NOR Flash Timing Requirements - Asynchronous Mode 100MHz
          6. 6.11.5.7.5 GPMC/NOR Flash Switching Characteristics - Asynchronous Mode 100MHz
          7.        268
          8. 6.11.5.7.6 GPMC/NAND Flash Timing Requirements - Asynchronous Mode 100MHz
          9. 6.11.5.7.7 GPMC/NAND Flash Switching Characteristics - Asynchronous Mode 100MHz
          10.        271
        8. 6.11.5.8  Inter-Integrated Circuit (I2C)
          1. 6.11.5.8.1 I2C
        9. 6.11.5.9  Local Interconnect Network (LIN)
          1. 6.11.5.9.1 LIN Timing Conditions
          2. 6.11.5.9.2 LIN Timing Requirements
          3. 6.11.5.9.3 LIN Switching Characteristics
        10. 6.11.5.10 Modular Controller Area Network (MCAN)
          1. 6.11.5.10.1 MCAN Timing Conditions
          2. 6.11.5.10.2 MCAN Switching Characteristics
        11. 6.11.5.11 Serial Peripheral Interface (SPI)
          1. 6.11.5.11.1 SPI Timing Conditions
          2. 6.11.5.11.2 SPI Controller Mode Timing Requirements
          3.        284
          4. 6.11.5.11.3 SPI Controller Mode Switching Characteristics (Clock Phase = 0)
          5.        286
          6. 6.11.5.11.4 SPI Peripheral Mode Timing Requirements
          7.        288
          8. 6.11.5.11.5 SPI Peripheral Mode Switching Characteristics
          9.        290
        12. 6.11.5.12 Multi-Media Card/Secure Digital (MMCSD)
          1. 6.11.5.12.1 MMC Timing Conditions
          2. 6.11.5.12.2 MMC Timing Requirements - SD Card Default Speed Mode
          3.        294
          4. 6.11.5.12.3 MMC Switching Characteristics - SD Card Default Speed Mode
          5.        296
          6. 6.11.5.12.4 MMC Timing Requirements - SD Card High Speed Mode
          7.        298
          8. 6.11.5.12.5 MMC Switching Characteristics - SD Card High Speed Mode
          9.        300
        13. 6.11.5.13 Quad Serial Peripheral Interface (QSPI)
          1. 6.11.5.13.1 QSPI Timing Conditions
          2. 6.11.5.13.2 QSPI Timing Requirements
          3.        304
          4. 6.11.5.13.3 QSPI Switching Characteristics
          5.        306
        14. 6.11.5.14 Programmable Real-Time Unit and Industrial Communication Subsystem (PRU-ICSS)
          1. 6.11.5.14.1 PRU-ICSS Programmable Real-Time Unit (PRU)
            1. 6.11.5.14.1.1 PRU-ICSS PRU Timing Conditions
            2. 6.11.5.14.1.2 PRU-ICSS PRU Switching Characteristics - Direct Output Mode
            3.         311
            4. 6.11.5.14.1.3 PRU-ICSS PRU Timing Requirements - Parallel Capture Mode
            5.         313
            6. 6.11.5.14.1.4 PRU-ICSS PRU Timing Requirements - Shift In Mode
            7.         315
            8. 6.11.5.14.1.5 PRU-ICSS PRU Switching Characteristics - Shift Out Mode
            9.         317
          2. 6.11.5.14.2 PRU-ICSS PRU Sigma Delta and Peripheral Interface
            1. 6.11.5.14.2.1 PRU-ICSS PRU Sigma Delta and Peripheral Interface Timing Conditions
            2. 6.11.5.14.2.2 PRU-ICSS PRU Timing Requirements - Sigma Delta Mode
            3.         321
            4. 6.11.5.14.2.3 PRU-ICSS PRU Timing Requirements - Peripheral Interface Mode
            5.         323
            6. 6.11.5.14.2.4 PRU-ICSS PRU Switching Characteristics - Peripheral Interface Mode
            7.         325
          3. 6.11.5.14.3 PRU-ICSS Pulse Width Modulation (PWM)
            1. 6.11.5.14.3.1 PRU-ICSS PWM Timing Conditions
            2. 6.11.5.14.3.2 PRU-ICSS PWM Switching Characteristics
            3.         329
          4. 6.11.5.14.4 PRU-ICSS Industrial Ethernet Peripheral (IEP)
            1. 6.11.5.14.4.1 PRU-ICSS IEP Timing Conditions
            2. 6.11.5.14.4.2 PRU-ICSS IEP Timing Requirements - Input Validated with SYNCx
            3.         333
            4. 6.11.5.14.4.3 PRU-ICSS IEP Timing Requirements - Digital IOs
            5.         335
            6. 6.11.5.14.4.4 PRU-ICSS IEP Timing Requirements - LATCHx_IN
            7.         337
          5. 6.11.5.14.5 PRU-ICSS Universal Asynchronous Receiver Transmitter (UART)
            1. 6.11.5.14.5.1 PRU-ICSS UART Timing Conditions
            2. 6.11.5.14.5.2 PRU-ICSS UART Timing Requirements
            3. 6.11.5.14.5.3 PRU-ICSS UART Switching Characteristics
            4.         342
          6. 6.11.5.14.6 PRU-ICSS Enhanced Capture Peripheral (ECAP)
            1. 6.11.5.14.6.1 PRU-ICSS ECAP Timing Conditions
            2. 6.11.5.14.6.2 PRU-ICSS ECAP Timing Requirements
            3.         346
            4. 6.11.5.14.6.3 PRU-ICSS ECAP Switching Characteristics
            5.         348
          7. 6.11.5.14.7 PRU-ICSS MDIO and MII
            1. 6.11.5.14.7.1 PRU-ICSS MDIO Timing
              1. 6.11.5.14.7.1.1 PRU-ICSS MDIO Timing Conditions
              2. 6.11.5.14.7.1.2 PRU-ICSS MDIO Timing Requirements
              3. 6.11.5.14.7.1.3 PRU-ICSS MDIO Switching Characteristics
              4.          354
            2. 6.11.5.14.7.2 PRU-ICSS MII Timing
              1. 6.11.5.14.7.2.1 PRU-ICSS MII Timing Conditions
              2. 6.11.5.14.7.2.2 PRU-ICSS MII Timing Requirements - MII[x]_RX_CLK
              3.          358
              4. 6.11.5.14.7.2.3 PRU-ICSS MII Timing Requirements - MII[x]_RXD[3:0], MII[x]_RX_DV, and MII[x]_RX_ER
              5.          360
              6. 6.11.5.14.7.2.4 PRU-ICSS MII Switching Characteristics - MII[x]_TX_CLK
              7.          362
              8. 6.11.5.14.7.2.5 PRU-ICSS MII Switching Characteristics - MII[x]_TXD[3:0] and MII[x]_TXEN
              9.          364
        15. 6.11.5.15 Sigma Delta Filter Module (SDFM)
          1. 6.11.5.15.1 SDFM Timing Conditions
          2. 6.11.5.15.2 SDFM Switching Characteristics
        16. 6.11.5.16 Universal Asynchronous Receiver/Transmitter (UART)
          1. 6.11.5.16.1 UART Timing Conditions
          2. 6.11.5.16.2 UART Timing Requirements
          3. 6.11.5.16.3 UART Switching Characteristics
          4.        372
      6. 6.11.6 Emulation and Debug
        1. 6.11.6.1 JTAG
          1. 6.11.6.1.1 JTAG Timing Conditions
          2. 6.11.6.1.2 JTAG Timing Requirements
          3. 6.11.6.1.3 JTAG Switching Characteristics
          4.        378
        2. 6.11.6.2 Trace
          1. 6.11.6.2.1 Debug Trace Timing Conditions
          2. 6.11.6.2.2 Debug Trace Switching Characteristics
          3.        382
    12. 6.12 Decoupling Capacitor Requirements
      1. 6.12.1 Decoupling Capacitor Requirements
  8. Detailed Description
    1. 7.1 Overview
    2. 7.2 Processor Subsystems
      1. 7.2.1 Arm Cortex-R5F Subsystem
  9. Applications, Implementation, and Layout
    1. 8.1 Device Connection and Layout Fundamentals
      1. 8.1.1 External Oscillator
      2. 8.1.2 JTAG, EMU, and TRACE
      3. 8.1.3 Hardware Design Guide
  10. Device and Documentation Support
    1. 9.1 Device Nomenclature
      1. 9.1.1 Standard Package Symbolization
      2. 9.1.2 Device Naming Convention
    2. 9.2 Tools and Software
    3. 9.3 Documentation Support
    4. 9.4 Support Resources
    5. 9.5 Trademarks
    6. 9.6 Electrostatic Discharge Caution
    7. 9.7 Glossary
  11. 10Revision History
  12. 11Mechanical, Packaging, and Orderable Information

Package Options

Refer to the PDF data sheet for device specific package drawings

Mechanical Data (Package|Pins)
  • ZCZ|324
Thermal pad, mechanical data (Package|Pins)
Orderable Information
AM2634 AM2634-Q1 AM2632 AM2632-Q1 AM2631  AM2631-Q1 GPMC and NOR Flash —
                                                  Asynchronous Read — Single Word
In GPMC_CSn[i], i is equal to 0, 1, 2 or 3. In GPMC_WAIT[j], j is equal to 0 or 1.
FA5 parameter illustrates amount of time required to internally sample input data. It is expressed in number of GPMC functional clock cycles. From start of read cycle and after FA5 functional clock cycles, input data will be internally sampled by active functional clock edge. FA5 value must be stored inside AccessTime register bits field.
GPMC_FCLK is an internal clock (GPMC functional clock) not provided externally.
Figure 6-30 GPMC and NOR Flash — Asynchronous Read — Single Word
AM2634 AM2634-Q1 AM2632 AM2632-Q1 AM2631  AM2631-Q1 GPMC and NOR Flash —
                                                  Asynchronous Read — 32–Bit
In GPMC_CSn[i], i is equal to 0, 1, 2 or 3. In GPMC_WAIT[j], j is equal to 0 or 1.
FA5 parameter illustrates amount of time required to internally sample input data. It is expressed in number of GPMC functional clock cycles. From start of read cycle and after FA5 functional clock cycles, input data will be internally sampled by active functional clock edge. FA5 value must be stored inside AccessTime register bits field.
GPMC_FCLK is an internal clock (GPMC functional clock) not provided externally.
Figure 6-31 GPMC and NOR Flash — Asynchronous Read — 32–Bit
AM2634 AM2634-Q1 AM2632 AM2632-Q1 AM2631  AM2631-Q1 GPMC and NOR Flash —
                                                  Asynchronous Read — Page Mode 4x16–Bit
In GPMC_CSn[i], i is equal to 0, 1, 2 or 3. In GPMC_WAIT[j], j is equal to 0 or 1.
FA21 parameter illustrates amount of time required to internally sample first input page data. It is expressed in number of GPMC functional clock cycles. From start of read cycle and after FA21 functional clock cycles, first input page data will be internally sampled by active functional clock edge. FA21 calculation must be stored inside AccessTime register bits field.
FA20 parameter illustrates amount of time required to internally sample successive input page data. It is expressed in number of GPMC functional clock cycles. After each access to input page data, next input page data will be internally sampled by active functional clock edge after FA20 functional clock cycles. FA20 is also the duration of address phases for successive input page data (excluding first input page data). FA20 value must be stored in PageBurstAccessTime register bits field.
GPMC_FCLK is an internal clock (GPMC functional clock) not provided externally.
Figure 6-32 GPMC and NOR Flash — Asynchronous Read — Page Mode 4x16–Bit
AM2634 AM2634-Q1 AM2632 AM2632-Q1 AM2631  AM2631-Q1 GPMC and NOR Flash —
                                                  Asynchronous Write — Single Word
In GPMC_CSn[i], i is equal to 0, 1, 2 or 3. In GPMC_WAIT[j], j is equal to 0 or 1.
Figure 6-33 GPMC and NOR Flash — Asynchronous Write — Single Word
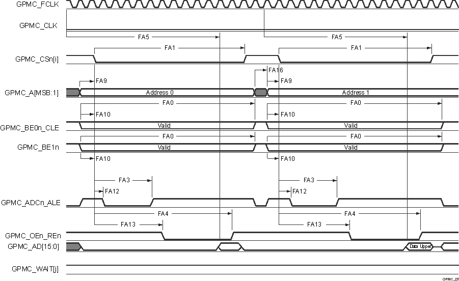
AM2634 AM2634-Q1 AM2632 AM2632-Q1 AM2631  AM2631-Q1 GPMC and Multiplexed NOR
                                                  Flash — Asynchronous Read — Single Word
In GPMC_CSn[i], i is equal to 0, 1, 2 or 3. In GPMC_WAIT[j], j is equal to 0 or 1.
FA5 parameter illustrates amount of time required to internally sample input data. It is expressed in number of GPMC functional clock cycles. From start of read cycle and after FA5 functional clock cycles, input data will be internally sampled by active functional clock edge. FA5 value must be stored inside AccessTime register bits field.
GPMC_FCLK is an internal clock (GPMC functional clock) not provided externally.
Figure 6-34 GPMC and Multiplexed NOR Flash — Asynchronous Read — Single Word
AM2634 AM2634-Q1 AM2632 AM2632-Q1 AM2631  AM2631-Q1 GPMC and Multiplexed NOR
                                                  Flash — Asynchronous Write — Single Word
In GPMC_CSn[i], i is equal to 0, 1, 2 or 3. In GPMC_WAIT[j], j is equal to 0 or 1.
Figure 6-35 GPMC and Multiplexed NOR Flash — Asynchronous Write — Single Word