SWRS206E March   2017  – May 2021 CC3220MOD , CC3220MODA

PRODUCTION DATA  

  1. Features
  2. Applications
  3. Description
  4. Functional Block Diagrams
  5. Revision History
  6. Device Comparison
    1. 6.1 Related Products
  7. Terminal Configuration and Functions
    1. 7.1 CC3220MODx and CC3220MODAx Pin Diagram
    2. 7.2 Pin Attributes
      1. 7.2.1 Module Pin Attributes
    3. 7.3 Connections for Unused Pins
    4. 7.4 Pin Attributes and Pin Multiplexing
    5. 7.5 Drive Strength and Reset States for Analog-Digital Multiplexed Pins
    6. 7.6 Pad State After Application of Power to Chip, but Before Reset Release
  8. Specifications
    1. 8.1  Absolute Maximum Ratings
    2. 8.2  ESD Ratings
    3. 8.3  Recommended Operating Conditions
    4. 8.4  Current Consumption (CC3220MODS and CC3220MODAS)
    5. 8.5  Current Consumption (CC3220MODSF and CC3220MODASF)
    6. 8.6  TX Power and IBAT Versus TX Power Level Settings
    7. 8.7  Brownout and Blackout Conditions
    8. 8.8  Electrical Characteristics
    9. 8.9  CC3220MODAx Antenna Characteristics
    10. 8.10 WLAN Receiver Characteristics
    11. 8.11 WLAN Transmitter Characteristics
    12. 8.12 Reset Requirement
    13. 8.13 Thermal Resistance Characteristics for MOB and MON Packages
    14. 8.14 Timing and Switching Characteristics
      1. 8.14.1 Power-Up Sequencing
      2. 8.14.2 Power-Down Sequencing
      3. 8.14.3 Device Reset
      4. 8.14.4 Wake Up From Hibernate Timing
      5. 8.14.5 Peripherals Timing
        1. 8.14.5.1  SPI
          1. 8.14.5.1.1 SPI Master
          2. 8.14.5.1.2 SPI Slave
        2. 8.14.5.2  I2S
          1. 8.14.5.2.1 I2S Transmit Mode
          2. 8.14.5.2.2 I2S Receive Mode
        3. 8.14.5.3  GPIOs
          1. 8.14.5.3.1 GPIO Input Transition Time Parameters
        4. 8.14.5.4  I2C
        5. 8.14.5.5  IEEE 1149.1 JTAG
        6. 8.14.5.6  ADC
        7. 8.14.5.7  Camera Parallel Port
        8. 8.14.5.8  UART
        9. 8.14.5.9  External Flash Interface
        10. 8.14.5.10 SD Host
        11. 8.14.5.11 Timers
  9. Detailed Description
    1. 9.1  Overview
    2. 9.2  Arm® Cortex®-M4 Processor Core Subsystem
    3. 9.3  Wi-Fi® Network Processor Subsystem
      1. 9.3.1 WLAN
      2. 9.3.2 Network Stack
    4. 9.4  Security
    5. 9.5  Power-Management Subsystem
      1. 9.5.1 VBAT Wide-Voltage Connection
    6. 9.6  Low-Power Operating Mode
    7. 9.7  Memory
      1. 9.7.1 Internal Memory
        1. 9.7.1.1 SRAM
        2. 9.7.1.2 ROM
        3. 9.7.1.3 Flash Memory
        4. 9.7.1.4 Memory Map
    8. 9.8  Restoring Factory Default Configuration
    9. 9.9  Boot Modes
      1. 9.9.1 Boot Mode List
    10. 9.10 Device Certification and Qualification
      1. 9.10.1 FCC Certification and Statement
      2. 9.10.2 Industry Canada (IC) Certification and Statement
      3. 9.10.3 ETSI/CE Certification
      4. 9.10.4 MIC Certification
      5. 9.10.5 SRRC Certification and Statement
    11. 9.11 Module Markings
    12. 9.12 End Product Labeling
    13. 9.13 Manual Information to the End User
  10. 10Applications, Implementation, and Layout
    1. 10.1 Typical Application
    2. 10.2 Device Connection and Layout Fundamentals
      1. 10.2.1 Power Supply Decoupling and Bulk Capacitors
      2. 10.2.2 Reset
      3. 10.2.3 Unused Pins
    3. 10.3 PCB Layout Guidelines
      1. 10.3.1 General Layout Recommendations
      2. 10.3.2 CC3220MODx RF Layout Recommendations
        1. 10.3.2.1 Antenna Placement and Routing
        2. 10.3.2.2 Transmission Line Considerations
      3. 10.3.3 CC3220MODAx RF Layout Recommendations
  11. 11Environmental Requirements and Specifications
    1. 11.1 PCB Bending
    2. 11.2 Handling Environment
      1. 11.2.1 Terminals
      2. 11.2.2 Falling
    3. 11.3 Storage Condition
      1. 11.3.1 Moisture Barrier Bag Before Opened
      2. 11.3.2 Moisture Barrier Bag Open
    4. 11.4 Baking Conditions
    5. 11.5 Soldering and Reflow Condition
  12. 12Device and Documentation Support
    1. 12.1 Development Tools and Software
    2. 12.2 Firmware Updates
    3. 12.3 Device Nomenclature
    4. 12.4 Documentation Support
    5. 12.5 Trademarks
  13. 13Mechanical, Packaging, and Orderable Information
    1. 13.1 Mechanical, Land, and Solder Paste Drawings
    2. 13.2 Package Option Addendum
      1. 13.2.1 Packaging Information
      2. 13.2.2 Tape and Reel Information
        1. 13.2.2.1 CC3220MODx Tape Specifications
        2. 13.2.2.2 CC3220MODAx Tape Specifications

Refer to the PDF data sheet for device specific package drawings

Mechanical Data (Package|Pins)
  • MON|63
Thermal pad, mechanical data (Package|Pins)
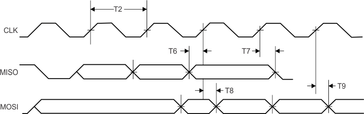
SPI Master

The CC3220MODx and CC3220MODAx microcontroller includes one SPI module, which can be configured as a master or slave device. The SPI includes a serial clock with programmable frequency, polarity, and phase; a programmable timing control between chip select and external clock generation; and a programmable delay before the first SPI word is transmitted. Slave mode does not include a dead cycle between two successive words.

Figure 8-8 shows the timing diagram for the SPI master.

GUID-FE3600EE-A464-45DB-BDA7-932A8B9365C6-low.gifFigure 8-8 SPI Master Timing Diagram

Table 8-4 lists the timing parameters for the SPI master.

Table 8-4 SPI Master Timing Parameters
ITEMNAMEDESCRIPTIONMINMAXUNIT
F(1)Clock frequency20MHz
T2Tclk(1)Clock period50ns
D(1)Duty cycle45%55%
T6tIS(1)RX data setup time1ns
T7tIH(1)RX data hold time2ns
T8tOD(1)TX data output delay8.5ns
T9tOH(1)TX data hold time8ns
Timing parameter assumes a maximum load of 20 pF.