DLPS071A October 2015 – February 2023 DLPA3005
PRODUCTION DATA
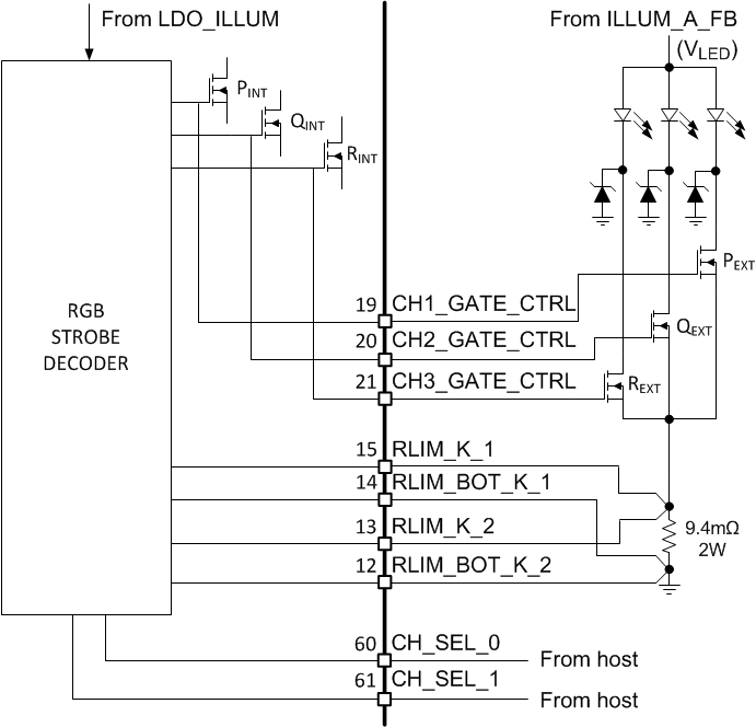
The DLPA3005 contains circuitry to sequentially control the three color-LEDs (red, green, and blue). This circuitry consists of three drivers to control external switches, the actual strobe decoder, and the LED current control (Figure 7-6). The NMOS switches are connected to the cathode terminals of the external LED package and turn on and off the currents through the LEDs.
Figure 7-6 Switch
Connection for a Common-Anode LED AssemblyThe NMOS FETs P, Q, and R are controlled by the CH_SEL_0 and CH_SEL_1 pins. CH_SEL[1:0] typically receive a rotating code switching from RED to GREEN to BLUE and then back to RED. The relation between CH_SEL[0:1] and which switch is closed is indicated in Table 7-1.
| PINS CH_SEL[1:0] | SWITCH | IDAC REGISTER | ||
|---|---|---|---|---|
| P | Q | R | ||
| 00 | Open | Open | Open | N/A |
| 01 | Closed | Open | Open | 0x03 and 0x04 SW1_IDAC[9:0] |
| 10 | Open | Closed | Open | 0x05 and 0x06 SW2_IDAC[9:0] |
| 11 | Open | Open | Closed | 0x07 and 0x08 SW3_IDAC[9:0] |
Besides enabling one of the switches, CH_SEL[1:0] also selects a 10-bit current setting for the control IDAC that is used as the set current for the LED. This set current together with the measured current through RLIM is used to control the illumination driver to the appropriate VLED. The current through the 3 LEDs can be set independently by registers SWx_IDAC(x), 0x03 to 0x08 (Table 7-1).
Each current level can be set from off to 150 mV/RLIM in 1023 steps:

For single LED, the maximum current for RLIM= 9.4 mΩ is thus 16A.
For two LEDs in series, the maximum current is 32A, thus RLIM (for example, RLIM= 4.7 mΩ to support configuration for 32A) need to change for higher LED current.
For proper operation a minimum LED current of 5% of ILED_MAX is required.