SWRS323B April   2024  – August 2025 IWRL6432AOP

PRODUCTION DATA  

  1.   1
  2. Features
  3. Applications
  4. Description
  5. Functional Block Diagram
  6. Device Comparison
    1. 5.1 Related Products
  7. Terminal Configurations and Functions
    1. 6.1 Pin Diagrams
    2.     10
    3. 6.2 Signal Descriptions
      1.      12
      2.      13
      3.      14
      4.      15
      5.      16
      6.      17
      7.      18
      8.      19
      9.      20
      10.      21
      11.      22
      12.      23
      13.      24
      14.      25
      15.      26
      16.      27
  8. Specifications
    1. 7.1  Absolute Maximum Ratings
    2. 7.2  ESD Ratings
    3. 7.3  Power-On Hours (POH)
    4. 7.4  Recommended Operating Conditions
    5. 7.5  VPP Specifications for One-Time Programmable (OTP) eFuses
      1. 7.5.1 Recommended Operating Conditions for OTP eFuse Programming
      2. 7.5.2 Hardware Requirements
      3. 7.5.3 Impact to Your Hardware Warranty
    6. 7.6  Power Supply Specifications
      1. 7.6.1 Power Optimized 3.3V I/O Topology
      2. 7.6.2 Power Optimized 1.8V I/O Topology
      3. 7.6.3 BOM Optimized 3.3V I/O Topology
      4. 7.6.4 BOM Optimized 1.8V I/O Topology
      5. 7.6.5 System Topologies
        1. 7.6.5.1 Power Topologies
          1. 7.6.5.1.1 BOM Optimized Mode
          2. 7.6.5.1.2 Power Optimized Mode
      6. 7.6.6 Internal LDO output decoupling capacitor and layout conditions for BOM optimized topology
        1. 7.6.6.1 Single-Capacitor Rail
          1. 7.6.6.1.1 1.2V Digital LDO
        2. 7.6.6.2 Two-capacitor rail
          1. 7.6.6.2.1 1.2V RF LDO
          2. 7.6.6.2.2 1.2V SRAM LDO
          3. 7.6.6.2.3 1.0V RF LDO
      7. 7.6.7 Noise and Ripple Specifications
    7. 7.7  Power Save Modes
      1. 7.7.1 Typical Power Consumption Numbers
    8. 7.8  Peak Current Requirement per Voltage Rail
    9. 7.9  Supported DFE Features
    10. 7.10 RF Specification
    11. 7.11 CPU Specifications
    12. 7.12 Thermal Resistance Characteristics
    13. 7.13 Antenna Radiation Patterns
      1. 7.13.1 Antenna Radiation Patterns for Receiver
      2. 7.13.2 Antenna Radiation Patterns for Transmitter
    14. 7.14 Antenna Positions
    15. 7.15 Timing and Switching Characteristics
      1. 7.15.1  Power Supply Sequencing and Reset Timing
      2. 7.15.2  Synchronized Frame Triggering
      3. 7.15.3  Input Clocks and Oscillators
        1. 7.15.3.1 Clock Specifications
      4. 7.15.4  MultiChannel buffered / Standard Serial Peripheral Interface (McSPI)
        1. 7.15.4.1 McSPI Features
        2. 7.15.4.2 SPI Timing Conditions
        3. 7.15.4.3 SPI—Controller Mode
          1. 7.15.4.3.1 Timing and Switching Requirements for SPI - Controller Mode
          2. 7.15.4.3.2 Timing and Switching Characteristics for SPI Output Timings—Controller Mode
        4. 7.15.4.4 SPI—Peripheral Mode
          1. 7.15.4.4.1 Timing and Switching Requirements for SPI - Peripheral Mode
          2. 7.15.4.4.2 Timing and Switching Characteristics for SPI Output Timings—Secondary Mode
      5. 7.15.5  RDIF Interface Configuration
        1. 7.15.5.1 RDIF Interface Timings
        2. 7.15.5.2 RDIF Data Format
      6. 7.15.6  General-Purpose Input/Output
        1. 7.15.6.1 Switching Characteristics for Output Timing versus Load Capacitance (CL)
      7. 7.15.7  Controller Area Network - Flexible Data-rate (CAN-FD)
        1. 7.15.7.1 Dynamic Characteristics for the CANx TX and RX Pins
      8. 7.15.8  Serial Communication Interface (SCI)
        1. 7.15.8.1 SCI Timing Requirements
      9. 7.15.9  Inter-Integrated Circuit Interface (I2C)
        1. 7.15.9.1 I2C Timing Requirements
      10. 7.15.10 Quad Serial Peripheral Interface (QSPI)
        1. 7.15.10.1 QSPI Timing Conditions
        2. 7.15.10.2 Timing Requirements for QSPI Input (Read) Timings
        3. 7.15.10.3 QSPI Switching Characteristics
      11. 7.15.11 JTAG Interface
        1. 7.15.11.1 JTAG Timing Conditions
        2. 7.15.11.2 Timing Requirements for IEEE 1149.1 JTAG
        3. 7.15.11.3 Switching Characteristics Over Recommended Operating Conditions for IEEE 1149.1 JTAG
  9. Detailed Description
    1. 8.1 Overview
    2. 8.2 Functional Block Diagram
    3. 8.3 Subsystems
      1. 8.3.1 RF and Analog Subsystem
      2. 8.3.2 Clock Subsystem
      3. 8.3.3 Transmit Subsystem
      4. 8.3.4 Receive Subsystem
      5. 8.3.5 Processor Subsystem
      6. 8.3.6 Host Interface
      7. 8.3.7 Application Subsystem Cortex-M4F
      8. 8.3.8 Hardware Accelerator (HWA1.2) Features
        1. 8.3.8.1 Hardware Accelerator Feature Differences Between HWA1.1 and HWA1.2
    4. 8.4 Other Subsystems
      1. 8.4.1 GPADC Channels (Service) for User Application
      2. 8.4.2 GPADC Parameters
    5. 8.5 Memory Partitioning Options
    6. 8.6 Boot Modes
  10. Applications, Implementation, and Layout
    1. 9.1 Application Information
    2. 9.2 Reference Schematic
  11. 10Device and Documentation Support
    1. 10.1 Device Nomenclature
    2. 10.2 Tools and Software
    3. 10.3 Documentation Support
    4. 10.4 Support Resources
    5. 10.5 Trademarks
    6. 10.6 Electrostatic Discharge Caution
    7. 10.7 Glossary
  12. 11Revision History
  13. 12Mechanical, Packaging, and Orderable Information

Package Options

Mechanical Data (Package|Pins)
  • AMY|101
Thermal pad, mechanical data (Package|Pins)
Orderable Information

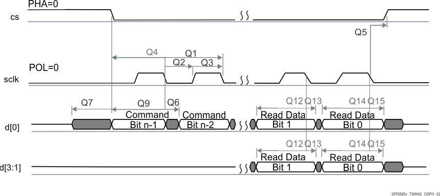
QSPI Switching Characteristics

NO. PARAMETER MIN TYP MAX UNIT
Q1 tc(SCLK) Cycle time, sclk 12.5 ns
Q2 tw(SCLKL) Pulse duration, sclk low Y*P – 3(1)(2) ns
Q3 tw(SCLKH) Pulse duration, sclk high Y*P – 3(1)(2) ns
Q4 td(CS-SCLK) Delay time, sclk falling edge to cs active edge –M*P – 1(2)(3) –M*P + 2.5(2)(3) ns
Q5 td(SCLK-CS) Delay time, sclk falling edge to cs inactive edge N*P – 1(2)(3) N*P + 2.5(2)(3) ns
Q6 td(SCLK-D1) Delay time, sclk falling edge to d[1] transition –2 4 ns
Q7 tena(CS-D1LZ) Enable time, cs active edge to d[1] driven (lo-z) –P – 4(2) –P +1(2) ns
Q8 tdis(CS-D1Z) Disable time, cs active edge to d[1] tri-stated (hi-z) –P – 4(2) –P +1(2) ns
Q9 td(SCLK-D1) Delay time, sclk first falling edge to first d[1] transition (for PHA = 0 only) –2 – P(2) 4– P(2) ns
Q12 tsu(D-SCLK) Setup time, d[3:0] valid before falling sclk edge 5 ns
Q13 th(SCLK-D) Hold time, d[3:0] valid after falling sclk edge 1 ns
Q14 tsu(D-SCLK) Setup time, final d[3:0] bit valid before final falling sclk edge 5 — P(2) ns
Q15 th(SCLK-D) Hold time, final d[3:0] bit valid after final falling sclk edge 1 + P(2) ns
The Y parameter is defined as follows: If DCLK_DIV is 0 or ODD then, Y equals 0.5. If DCLK_DIV is EVEN then, Y equals (DCLK_DIV/2) / (DCLK_DIV+1). For best performance, it is recommended to use a DCLK_DIV of 0 or ODD to minimize the duty cycle distortion. All required details about clock division factor DCLK_DIV can be found in the device-specific Technical Reference Manual.
P = SCLK period in ns.
M = QSPI_SPI_DC_REG.DDx + 1, N = 2
IWRL6432AOP QSPI Read (Clock Mode 0)Figure 7-22 QSPI Read (Clock Mode 0)
IWRL6432AOP QSPI Write (Clock Mode 0)Figure 7-23 QSPI Write (Clock Mode 0)