SCPS123F March   2005  – January 2015 PCF8575C

PRODUCTION DATA.  

  1. Features
  2. Applications
  3. Description
  4. Revision History
  5. Pin Configuration
  6. Specifications
    1. 6.1 Absolute Maximum Ratings
    2. 6.2 ESD Ratings
    3. 6.3 Recommended Operating Conditions
    4. 6.4 Thermal Information
    5. 6.5 Electrical Characteristics
    6. 6.6 I2C Interface Timing Requirements
    7. 6.7 Switching Characteristics
    8. 6.8 Typical Characteristics
  7. Parameter Measurement Information
  8. Detailed Description
    1. 8.1 Overview
    2. 8.2 Functional Block Diagram
      1. 8.2.1 Simplified Block Diagram of Device
      2. 8.2.2 Simplified Schematic Diagram of Each P-Port Input/Output
    3. 8.3 Feature Description
      1. 8.3.1 I2C Interface
      2. 8.3.2 Interface Definition
      3. 8.3.3 Address Reference
    4. 8.4 Device Functional Modes
  9. Application and Implementation
    1. 9.1 Application Information
    2. 9.2 Typical Application
      1. 9.2.1 Design Requirements
        1. 9.2.1.1 Minimizing ICC When I/Os Control LEDs
      2. 9.2.2 Detailed Design Procedure
      3. 9.2.3 Application Curves
  10. 10Power Supply Recommendations
    1. 10.1 Power-On Reset Requirements
  11. 11Layout
    1. 11.1 Layout Guidelines
    2. 11.2 Layout Example
  12. 12Device and Documentation Support
    1. 12.1 Glossary
  13. 13Mechanical, Packaging, and Orderable Information

Package Options

Mechanical Data (Package|Pins)
Thermal pad, mechanical data (Package|Pins)
Orderable Information

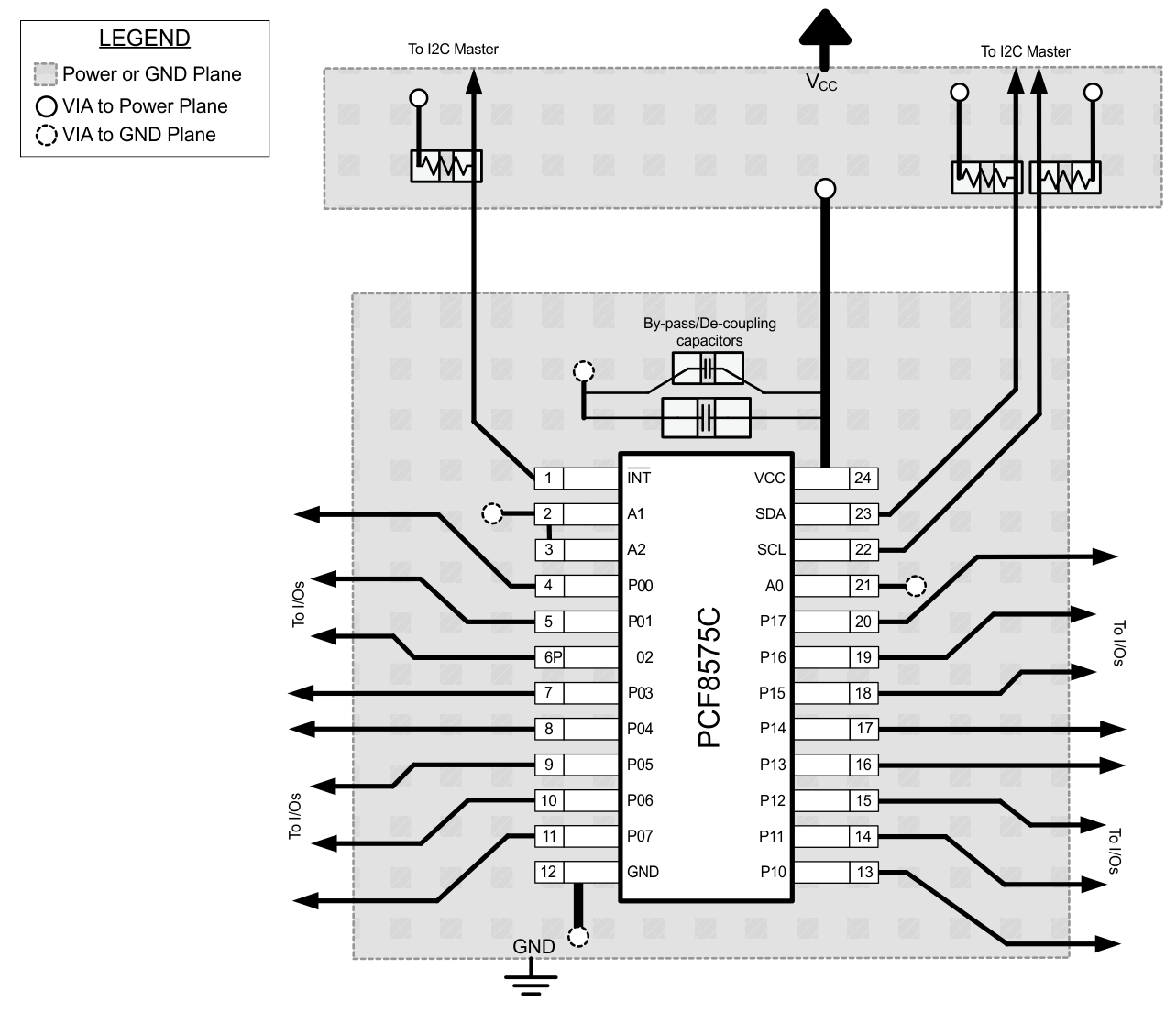
11 Layout

11.1 Layout Guidelines

For printed circuit board (PCB) layout of the PCF8575C device, common PCB layout practices should be followed but additional concerns related to high-speed data transfer such as matched impedances and differential pairs are not a concern for I2C signal speeds.

In all PCB layouts, it is a best practice to avoid right angles in signal traces, to fan out signal traces away from each other upon leaving the vicinity of an integrated circuit (IC), and to use thicker trace widths to carry higher amounts of current that commonly pass through power and ground traces. By-pass and de-coupling capacitors are commonly used to control the voltage on the VCC pin, using a larger capacitor to provide additional power in the event of a short power supply glitch and a smaller capacitor to filter out high-frequency ripple. These capacitors should be placed as close to the PCF8575C as possible. These best practices are shown in Figure 24.

For the layout example provided in Figure 24, it would be possible to fabricate a PCB with only 2 layers by using the top layer for signal routing and the bottom layer as a split plane for power (VCC) and ground (GND). However, a 4 layer board is preferable for boards with higher density signal routing. On a 4 layer PCB, it is common to route signals on the top and bottom layer, dedicate one internal layer to a ground plane, and dedicate the other internal layer to a power plane. In a board layout using planes or split planes for power and ground, vias are placed directly next to the surface mount component pad which needs to attach to VCC or GND and the via is connected electrically to the internal layer or the other side of the board. Vias are also used when a signal trace needs to be routed to the opposite side of the board, but this technique is not demonstrated in Figure 24.

11.2 Layout Example

layout.gifFigure 24. Layout Example for PCF8575C