SBOS874D August   2017  – February 2021 THS4561

PRODUCTION DATA  

  1. Features
  2. Applications
  3. Description
  4. Revision History
  5. Device Comparison Table
  6. Pin Configuration and Functions
  7. Specifications
    1. 7.1 Absolute Maximum Ratings
    2. 7.2 ESD Ratings
    3. 7.3 Recommended Operating Conditions
    4. 7.4 Thermal Information
    5. 7.5 Electrical Characteristics: VS+ – VS– = 5 V to 12 V
    6. 7.6 Typical Characteristics: (VS+) – (VS–) = 12 V
    7. 7.7 Typical Characteristics: (VS+) – (VS–) = 5 V
    8. 7.8 Typical Characteristics: (VS+) – (VS–) = 3 V
    9. 7.9 Typical Characteristics: (VS+) – (VS–) = 3-V to 12-V Supply Range
  8. Parameter Measurement Information
    1. 8.1 Example Characterization Circuits
    2. 8.2 Output Interface Circuit for DC-Coupled Differential Testing
    3. 8.3 Output Common-Mode Measurements
    4. 8.4 Differential Amplifier Noise Measurements
    5. 8.5 Balanced Split-Supply Versus Single-Supply Characterization
    6. 8.6 Simulated Characterization Curves
    7. 8.7 Terminology and Application Assumptions
  9. Detailed Description
    1. 9.1 Overview
    2. 9.2 Functional Block Diagram
    3. 9.3 Feature Description
    4. 9.4 Device Functional Modes
      1. 9.4.1 Power-Down Mode
      2. 9.4.2 Single-Ended Source to Differential Output Mode
        1. 9.4.2.1 AC-Coupled Signal Path Considerations for Single-Ended Input to Differential Output Conversions
        2. 9.4.2.2 DC-Coupled Input Signal Path Considerations for Single-Ended to Differential Conversions
      3. 9.4.3 Differential Input to a Differential Output Mode
        1. 9.4.3.1 AC-Coupled, Differential-Input to Differential-Output Design Issues
  10. 10Application and Implementation
    1. 10.1 Application Information
      1. 10.1.1 Differential Open-Loop Gain and Output Impedance
      2. 10.1.2 Setting Resistor Values Versus Gain
      3. 10.1.3 Noise Analysis
      4. 10.1.4 Factors Influencing Harmonic Distortion
      5. 10.1.5 Input Overdrive Performance
    2. 10.2 Typical Application
      1. 10.2.1 Design Requirements
      2. 10.2.2 Detailed Design Procedure
      3. 10.2.3 Application Curves
  11. 11Power Supply Recommendations
  12. 12Layout
    1. 12.1 Layout Guidelines
      1. 12.1.1 Board Layout Recommendations
    2. 12.2 Layout Examples
  13. 13Device and Documentation Support
    1. 13.1 Receiving Notification of Documentation Updates
    2. 13.2 Support Resources
    3. 13.3 Trademarks
    4. 13.4 Electrostatic Discharge Caution
    5. 13.5 Glossary
  14. 14Mechanical, Packaging, and Orderable Information

Package Options

Mechanical Data (Package|Pins)
Thermal pad, mechanical data (Package|Pins)
Orderable Information

Pin Configuration and Functions

GUID-EAB8FDEF-60CB-4B64-A508-F80A0B436042-low.gifFigure 6-1 DGK Package8-Pin VSSOPTop View
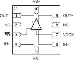
GUID-B0C7168D-CE23-461C-B5CA-9F08E1692A41-low.gifFigure 6-2 RUN Package 10-Pin WQFN Top View
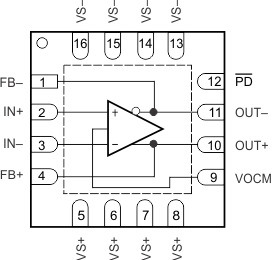
GUID-899A68FD-E25D-426A-B29F-0F5C345AE573-low.gif Figure 6-3 RGT Package16-Pin VQFN With Exposed Thermal PadTop View
Table 6-1 Pin Functions
PIN TYPE(2) DESCRIPTION
NAME DGK RUN RGT(1)
FB– 1 O Inverting (negative) output feedback
FB+ 4 O Noninverting (positive) output feedback
IN– 1 6 3 I Inverting (negative) amplifier input
IN+ 8 4 2 I Noninverting (positive) amplifier input
NC 2, 8 No internal connection
OUT– 5 1 11 O Inverting (negative) amplifier output
OUT+ 4 9 10 O Noninverting (positive) amplifier output
PD 7 3 12 I Power down. PD = logic low = power off mode; PD = logic high = normal operation.
VOCM 2 7 9 I Common-mode voltage input
VS– 6 5 13, 14, 15, 16 P Negative power-supply input
VS+ 3 10 5, 6, 7, 8 P Positive power-supply input
Solder the exposed RGT package thermal pad to a heat-spreading power or ground plane. This pad is electrically isolated from the die, but must be connected to a power or ground plane and not floated.
I = input, O = output, P = power.