SPRS584Q April 2009 – January 2024 TMS320F28030 , TMS320F28030-Q1 , TMS320F28031 , TMS320F28031-Q1 , TMS320F28032 , TMS320F28032-Q1 , TMS320F28033 , TMS320F28033-Q1 , TMS320F28034 , TMS320F28034-Q1 , TMS320F28035 , TMS320F28035-Q1
PRODUCTION DATA
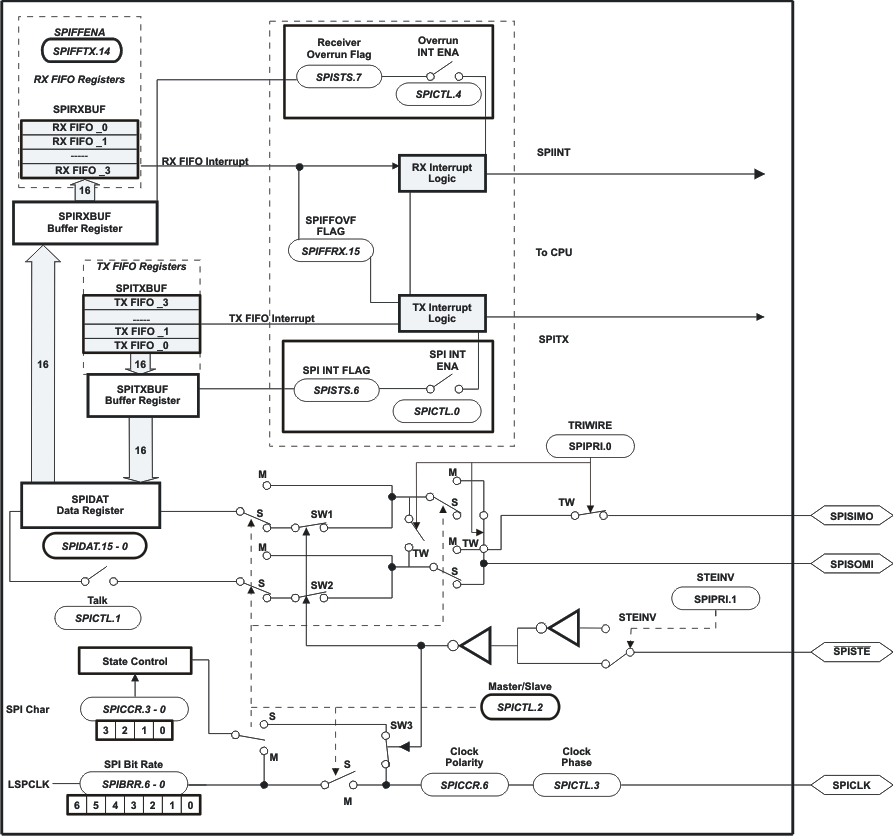
The device includes the four-pin serial peripheral interface (SPI) module. Up to two SPI modules are available. The SPI is a high-speed, synchronous serial I/O port that allows a serial bit stream of programmed length (1 to 16 bits) to be shifted into and out of the device at a programmable bit-transfer rate. Normally, the SPI is used for communications between the MCU and external peripherals or another processor. Typical applications include external I/O or peripheral expansion through devices such as shift registers, display drivers, and ADCs. Multidevice communications are supported by the master/slave operation of the SPI.
The SPI module features include:
All four pins can be used as GPIO if the SPI module is not used.
Enhanced feature:
The SPI port operation is configured and controlled by the registers listed in Table 7-27 and Table 7-28.
| NAME | ADDRESS | SIZE (x16) | EALLOW PROTECTED | DESCRIPTION(1) |
|---|---|---|---|---|
| SPICCR | 0x7040 | 1 | No | SPI-A Configuration Control Register |
| SPICTL | 0x7041 | 1 | No | SPI-A Operation Control Register |
| SPISTS | 0x7042 | 1 | No | SPI-A Status Register |
| SPIBRR | 0x7044 | 1 | No | SPI-A Baud Rate Register |
| SPIRXEMU | 0x7046 | 1 | No | SPI-A Receive Emulation Buffer Register |
| SPIRXBUF | 0x7047 | 1 | No | SPI-A Serial Input Buffer Register |
| SPITXBUF | 0x7048 | 1 | No | SPI-A Serial Output Buffer Register |
| SPIDAT | 0x7049 | 1 | No | SPI-A Serial Data Register |
| SPIFFTX | 0x704A | 1 | No | SPI-A FIFO Transmit Register |
| SPIFFRX | 0x704B | 1 | No | SPI-A FIFO Receive Register |
| SPIFFCT | 0x704C | 1 | No | SPI-A FIFO Control Register |
| SPIPRI | 0x704F | 1 | No | SPI-A Priority Control Register |
| NAME | ADDRESS | SIZE (x16) | EALLOW PROTECTED | DESCRIPTION(1) |
|---|---|---|---|---|
| SPICCR | 0x7740 | 1 | No | SPI-B Configuration Control Register |
| SPICTL | 0x7741 | 1 | No | SPI-B Operation Control Register |
| SPISTS | 0x7742 | 1 | No | SPI-B Status Register |
| SPIBRR | 0x7744 | 1 | No | SPI-B Baud Rate Register |
| SPIRXEMU | 0x7746 | 1 | No | SPI-B Receive Emulation Buffer Register |
| SPIRXBUF | 0x7747 | 1 | No | SPI-B Serial Input Buffer Register |
| SPITXBUF | 0x7748 | 1 | No | SPI-B Serial Output Buffer Register |
| SPIDAT | 0x7749 | 1 | No | SPI-B Serial Data Register |
| SPIFFTX | 0x774A | 1 | No | SPI-B FIFO Transmit Register |
| SPIFFRX | 0x774B | 1 | No | SPI-B FIFO Receive Register |
| SPIFFCT | 0x774C | 1 | No | SPI-B FIFO Control Register |
| SPIPRI | 0x774F | 1 | No | SPI-B Priority Control Register |
For more information on the SPI, see the Serial Peripheral Interface (SPI) chapter in the TMS320F2803x Real-Time Microcontrollers Technical Reference Manual.
Figure 7-28 is a block diagram of the SPI in slave mode.
