SCDS408C February 2019 – December 2023 TMUX1111 , TMUX1112 , TMUX1113
PRODUCTION DATA
Refer to the PDF data sheet for device specific package drawings
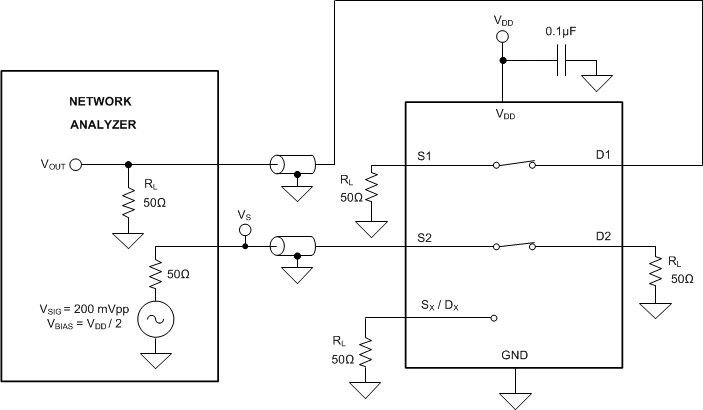
Crosstalk is defined as the ratio of the signal at the drain pin (Dx) of a different channel, when a signal is applied at the source pin (Sx) of an on-channel. The characteristic impedance, Z0, for the measurement is 50Ω. Figure 7-8 shows the setup used to measure, and the equation used to compute crosstalk.
Figure 7-8 Channel-to-Channel Crosstalk Measurement Setup