SCDS418F July   2020  – July 2024 TMUX7208 , TMUX7209

PRODUCTION DATA  

  1.   1
  2. Features
  3. Applications
  4. Description
  5. Device Comparison Table
  6. Pin Configuration and Functions
  7. Specifications
    1. 6.1  Absolute Maximum Ratings
    2. 6.2  ESD Ratings
    3. 6.3  Thermal Information
    4. 6.4  Recommended Operating Conditions
    5. 6.5  Source or Drain Continuous Current
    6. 6.6  ±15 V Dual Supply: Electrical Characteristics 
    7. 6.7  ±15 V Dual Supply: Switching Characteristics 
    8. 6.8  ±20 V Dual Supply: Electrical Characteristics
    9. 6.9  ±20 V Dual Supply: Switching Characteristics
    10. 6.10 44 V Single Supply: Electrical Characteristics 
    11. 6.11 44 V Single Supply: Switching Characteristics 
    12. 6.12 12 V Single Supply: Electrical Characteristics 
    13. 6.13 12 V Single Supply: Switching Characteristics 
    14. 6.14 Typical Characteristics
  8. Parameter Measurement Information
    1. 7.1  On-Resistance
    2. 7.2  Off-Leakage Current
    3. 7.3  On-Leakage Current
    4. 7.4  Transition Time
    5. 7.5  tON(EN) and tOFF(EN)
    6. 7.6  Break-Before-Make
    7. 7.7  tON (VDD) Time
    8. 7.8  Propagation Delay
    9. 7.9  Charge Injection
    10. 7.10 Off Isolation
    11. 7.11 Crosstalk
    12. 7.12 Bandwidth
    13. 7.13 THD + Noise
    14. 7.14 Power Supply Rejection Ratio (PSRR)
  9. Detailed Description
    1. 8.1 Overview
    2. 8.2 Functional Block Diagram
    3. 8.3 Feature Description
      1. 8.3.1 Bidirectional Operation
      2. 8.3.2 Rail-to-Rail Operation
      3. 8.3.3 1.8V Logic Compatible Inputs
      4. 8.3.4 Integrated Pull-Down Resistor on Logic Pins
      5. 8.3.5 Fail-Safe Logic
      6. 8.3.6 Latch-Up Immune
      7. 8.3.7 Ultra-Low Charge Injection
    4. 8.4 Device Functional Modes
    5. 8.5 Truth Tables
  10. Application and Implementation
    1. 9.1 Application Information
    2. 9.2 Typical Application
      1. 9.2.1 Design Requirements
      2. 9.2.2 Detailed Design Procedure
      3. 9.2.3 Application Curve
    3. 9.3 Power Supply Recommendations
    4. 9.4 Layout
      1. 9.4.1 Layout Guidelines
      2. 9.4.2 Layout Example
  11. 10Device and Documentation Support
    1. 10.1 Documentation Support
      1. 10.1.1 Related Documentation
    2. 10.2 Receiving Notification of Documentation Updates
    3. 10.3 Support Resources
    4. 10.4 Trademarks
    5. 10.5 Electrostatic Discharge Caution
    6. 10.6 Glossary
  12. 11Revision History
  13. 12Mechanical, Packaging, and Orderable Information

Package Options

Mechanical Data (Package|Pins)
Thermal pad, mechanical data (Package|Pins)
Orderable Information

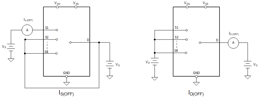
Off-Leakage Current

There are two types of leakage currents associated with a switch during the off state:

  • Source off-leakage current
  • Drain off-leakage current

Source leakage current is defined as the leakage current flowing into or out of the source pin when the switch is off. This current is denoted by the symbol IS(OFF).

Drain leakage current is defined as the leakage current flowing into or out of the drain pin when the switch is off. This current is denoted by the symbol ID(OFF).

Figure 7-2 shows the setup used to measure both off-leakage currents.

TMUX7208 TMUX7209 Off-Leakage Measurement Setup Figure 7-2 Off-Leakage Measurement Setup