SLVSFJ0B March   2021  – October 2021 TPS61379-Q1

PRODUCTION DATA  

  1. Features
  2. Applications
  3. Description
  4. Revision History
  5. Device Comparison Table
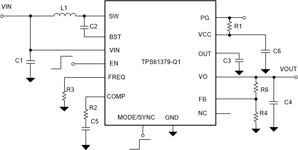
  6. Pin Configuration and Functions
  7. Specifications
    1. 7.1 Absolute Maximum Ratings
    2. 7.2 ESD Ratings
    3. 7.3 Recommended Operating Conditions
    4. 7.4 Thermal Information
    5. 7.5 Electrical Characteristics
    6. 7.6 Typical Characteristics
  8. Detailed Description
    1. 8.1 Overview
    2. 8.2 Functional Block Diagrams
    3. 8.3 Feature Description
      1. 8.3.1  VCC Power Supply
      2. 8.3.2  Input Undervoltage Lockout (UVLO)
      3. 8.3.3  Enable and Soft Start
      4. 8.3.4  Shut Down
      5. 8.3.5  Switching Frequency Setting
      6. 8.3.6  Spread Spectrum Frequency Modulation
      7. 8.3.7  Bootstrap
      8. 8.3.8  Load Disconnect
      9. 8.3.9  MODE/SYNC Configuration
      10. 8.3.10 Overvoltage Protection (OVP)
      11. 8.3.11 Output Short Protection/Hiccup
      12. 8.3.12 Power-Good Indicator
      13. 8.3.13 Thermal Shutdown
    4. 8.4 Device Functional Modes
      1. 8.4.1 Forced PWM Mode
      2. 8.4.2 Auto PFM Mode
      3. 8.4.3 External Clock Synchronization
      4. 8.4.4 Down Mode
  9. Application and Implementation
    1. 9.1 Application Information
    2. 9.2 Typical Application
      1. 9.2.1 Design Requirements
      2. 9.2.2 Detailed Design Procedure
        1. 9.2.2.1 Programming the Output Voltage
        2. 9.2.2.2 Setting the Switching Frequency
        3. 9.2.2.3 Selecting the Inductor
        4. 9.2.2.4 Selecting the Output Capacitors
        5. 9.2.2.5 Selecting the Input Capacitors
        6. 9.2.2.6 Loop Stability and Compensation
          1. 9.2.2.6.1 Small Signal Model
          2. 9.2.2.6.2 Loop Compensation Design Steps
          3. 9.2.2.6.3 Selecting the Bootstrap Capacitor
          4. 9.2.2.6.4 VCC Capacitor
      3. 9.2.3 Application Curves
  10. 10Power Supply Recommendations
  11. 11Layout
    1. 11.1 Layout Guidelines
    2. 11.2 Layout Example
  12. 12Device and Documentation Support
    1. 12.1 Device Support
      1. 12.1.1 Third-Party Products Disclaimer
    2. 12.2 Receiving Notification of Documentation Updates
    3. 12.3 Support Resources
    4. 12.4 Trademarks
    5. 12.5 Glossary
    6. 12.6 Electrostatic Discharge Caution
  13. 13Mechanical, Packaging, and Orderable Information

Package Options

Mechanical Data (Package|Pins)
Thermal pad, mechanical data (Package|Pins)
Orderable Information

Description

The TPS61379-Q1 is a fully integrated synchronous boost converter with load disconnect function integrated. The input voltage covers 2.3 V to 14 V, while the maximal output voltage is up to 18.5 V. The switching current limit is 2 A typical. It consumes 25-μA quiescent current from VIN.

The TPS61379-Q1 employs the peak current mode control with the switching frequency programmable from 200 kHz to 2.2 MHz. The device works in fixed frequency PWM operation in medium to heavy load. There are two optional modes in light load by configuring the MODE pin: auto PFM mode and forced PWM to balance the efficiency and noise immunity in light load. The switching frequency can be synchronized to an external clock. The TPS61379-Q1 uses the spread spectrum of the internal clock to be more EMI friendly at FPWM mode. In addition, there is an internal soft-start time to limit the inrush current.

The TPS61379-Q1 has various fixed output voltage versions to save the external feedback resistor. It supports the external loop compensation so that the stability and transient response can be optimized at wider VOUT/VIN ranges. It also integrates robust protection features including the output short protection, output overvoltage protection, and thermal shutdown protection. The TPS61379-Q1 is available in a 3-mm × 3-mm 16-pin QFN package with wettable flank.

Device Information
PART NUMBER PACKAGE(1) BODY SIZE (NOM)
TPS61379-Q1 VQFN-16 3.0-mm × 3.0-mm
For all available packages, see the orderable addendum at the end of the data sheet.
GUID-20210107-CA0I-KJWP-WDTB-13VNN9G3MFFP-low.gif Typical Application