SBVS054K November   2004  – June 2025 TPS730

PRODUCTION DATA  

  1.   1
  2. Features
  3. Applications
  4. Description
  5. Pin Configuration and Functions
  6. Specifications
    1. 5.1 Absolute Maximum Ratings
    2. 5.2 ESD Ratings
    3. 5.3 Recommended Operating Conditions
    4. 5.4 Thermal Information
    5. 5.5 Electrical Characteristics
    6. 5.6 Typical Characteristics
  7. Detailed Description
    1. 6.1 Overview
    2. 6.2 Functional Block Diagrams
    3. 6.3 Feature Description
      1. 6.3.1 Undervoltage Lockout (UVLO)
      2. 6.3.2 Shutdown
      3. 6.3.3 Foldback Current Limit
    4. 6.4 Device Functional Modes
      1. 6.4.1 Normal Operation
      2. 6.4.2 Dropout Operation
      3. 6.4.3 Disabled
  8. Application and Implementation
    1. 7.1 Application Information
      1. 7.1.1 Adjustable Operation
      2. 7.1.2 Capacitor Recommendations
      3. 7.1.3 Input and Output Capacitor Requirements
      4. 7.1.4 Noise-Reduction and Feed-Forward Capacitor Requirements
      5. 7.1.5 Reverse Current Operation
    2. 7.2 Typical Application
      1. 7.2.1 Design Requirements
      2. 7.2.2 Detailed Design Procedure
      3. 7.2.3 Application Curves
    3. 7.3 Best Design Practices
    4. 7.4 Power Supply Recommendations
    5. 7.5 Layout
      1. 7.5.1 Layout Guidelines
        1. 7.5.1.1 Board Layout Recommendations to Improve PSRR and Noise Performance
        2. 7.5.1.2 Thermal Considerations
        3. 7.5.1.3 Power Dissipation
      2. 7.5.2 Layout Examples
  9. Device and Documentation Support
    1. 8.1 Device Support
      1. 8.1.1 Development Support
        1. 8.1.1.1 Spice Models
      2. 8.1.2 Device Nomenclature
    2. 8.2 Documentation Support
      1. 8.2.1 Related Documentation
    3. 8.3 Receiving Notification of Documentation Updates
    4. 8.4 Support Resources
    5. 8.5 Trademarks
    6. 8.6 Electrostatic Discharge Caution
    7. 8.7 Glossary
  10. Revision History
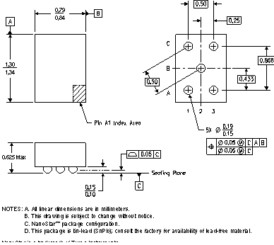
  11. 10Mechanical, Packaging, and Orderable Information
    1. 10.1 TPS730YZQ Nanostar™ Wafer Chip Scale Information

Package Options

Mechanical Data (Package|Pins)
Thermal pad, mechanical data (Package|Pins)
Orderable Information

TPS730YZQ Nanostar™ Wafer Chip Scale Information

TPS730 Nanostar™ Wafer Chip Scale Package Figure 10-1 Nanostar Wafer Chip Scale Package