JAJSJO1C October 2021 – December 2023 TMS320F280033 , TMS320F280034 , TMS320F280034-Q1 , TMS320F280036-Q1 , TMS320F280036C-Q1 , TMS320F280037 , TMS320F280037-Q1 , TMS320F280037C , TMS320F280037C-Q1 , TMS320F280038-Q1 , TMS320F280038C-Q1 , TMS320F280039 , TMS320F280039-Q1 , TMS320F280039C , TMS320F280039C-Q1
PRODMIX
FSI トランスミッタ・モジュールは、データのフレーミング、CRC 生成、TXCLK、TXD0、TXD1 の信号生成、割り込み生成を処理します。トランスミッタ・コアの動作は、プログラム可能な制御レジスタによって制御および構成されます。このトランスミッタ制御レジスタを使って、CPU は、FSI トランスミッタの動作をプログラム、制御、および監視できます。送信データ バッファは、CPU、および DMA からアクセスできます。
トランスミッタの特長は次のとおりです。
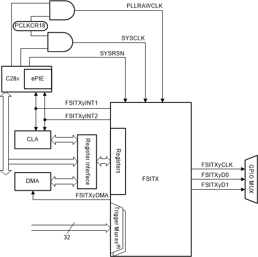
図 6-78 に、FSITX CPU インターフェイスを示します。図 6-79 に、FSITX の概略ブロック図を示します。すべてのデータ・パスと内部接続が表示されているわけではありません。この図は、FSITX に搭載されている内部モジュールの概要を示しています。

図 6-79 FSITX のブロック図