SLAU855A June   2021  – March 2022 TLV320AIC3101 , TLV320AIC3104 , TLV320AIC3104-Q1 , TLV320AIC3105 , TLV320AIC3106 , TLV320AIC3106-Q1 , TLV320AIC3107 , TLV320AIC3109-Q1 , TLV320AIC34

 

  1.   1
  2.   2
    1.     3
    2.     4
  3.   5
    1.     6
    2.     7
    3.     8
    4.     9
  4.   10
    1.     11
      1.      12
        1.       13
      2.      14
        1.       15
        2.       16
    2.     17
    3.     18
    4.     19
    5.     20
    6.     21
    7.     22
    8.     23
  5.   24

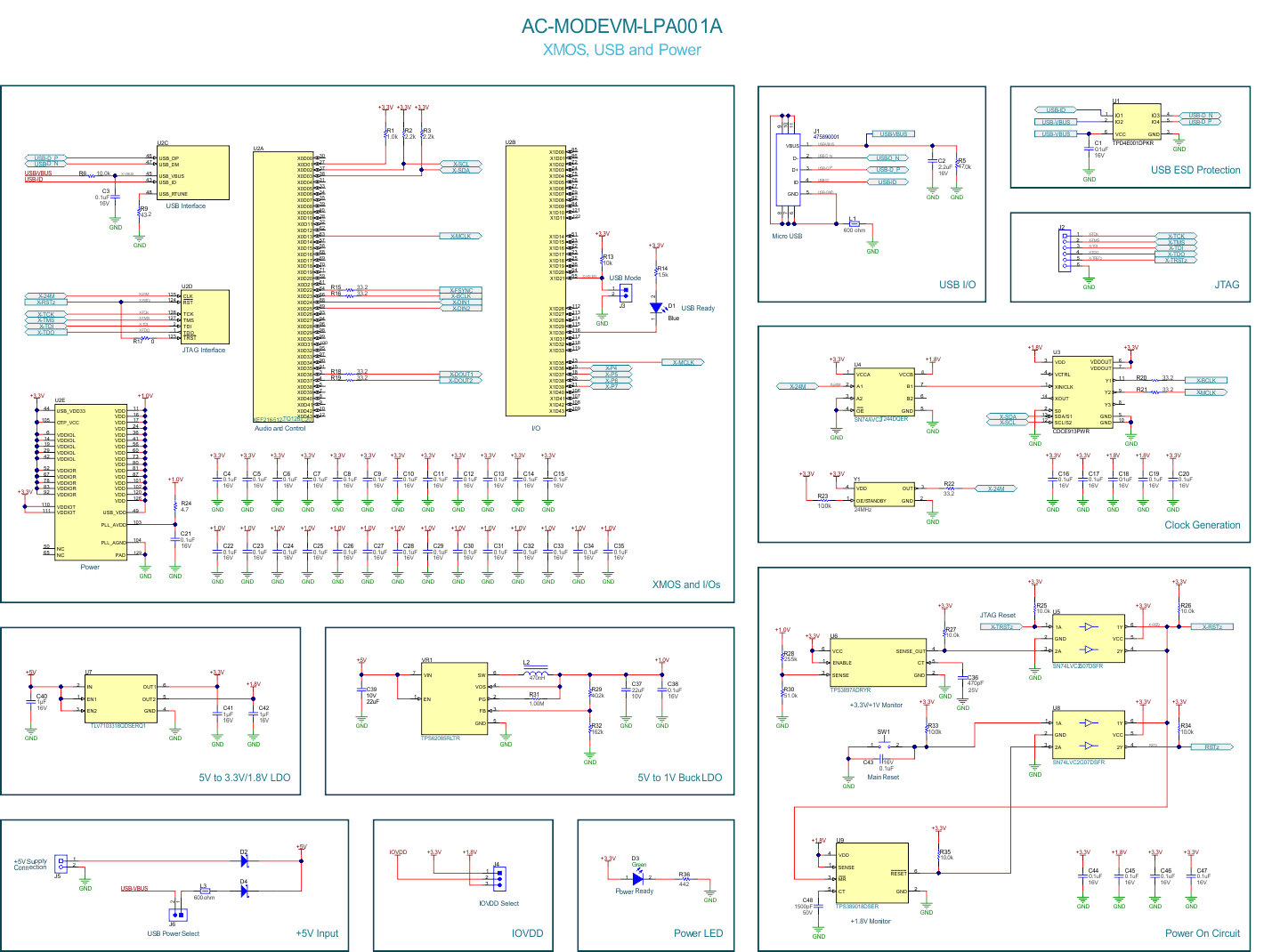
AC-MODEVM Schematic

The schematic diagrams http://www.ti.com/tool/TIDA-00xxX for the AC-MODEVM interface board are provided for reference.

GUID-20211117-SS0I-JZMF-ZTPL-HCRVNRK7CTZX-low.gif GUID-20211119-SS0I-GL74-FJZR-GB2XMCHS3LH4-low.gif Figure 3-4 AC-MODEVM Schematic