SLUS720F February   2007  – June 2019 TPS40195

PRODUCTION DATA.  

  1. Features
  2. Applications
  3. Description
    1.     Device Images
      1.      Simplified Application Diagram
  4. Revision History
  5. Description (continued)
  6. Pin Configuration and Functions
    1.     Pin Functions
  7. Specifications
    1. 7.1 Absolute Maximum Ratings
    2. 7.2 ESD Ratings
    3. 7.3 Recommended Operating Conditions
    4. 7.4 Electrical Characteristics
    5. 7.5 Dissipation Ratings
    6. 7.6 Typical Characteristics
  8. Detailed Description
    1. 8.1 Overview
    2. 8.2 Functional Block Diagram
    3. 8.3 Feature Description
      1. 8.3.1  Enable Functionality
      2. 8.3.2  Voltage Reference
      3. 8.3.3  Oscillator and Synchronization
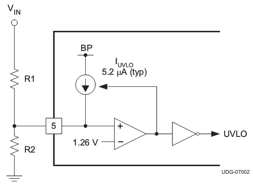
      4. 8.3.4  Undervoltage Lockout (UVLO)
      5. 8.3.5  Soft Start
      6. 8.3.6  Selecting the Short Circuit Threshold
      7. 8.3.7  5-V Regulator
      8. 8.3.8  Prebias Start-up
      9. 8.3.9  Drivers
      10. 8.3.10 Power Good
      11. 8.3.11 Thermal Shutdown
  9. Application and Implementation
    1. 9.1 Application Information
    2. 9.2 Typical Applications
      1. 9.2.1 Typical Application 1
        1. 9.2.1.1 Design Requirements
        2. 9.2.1.2 Detailed Design Procedure
          1. 9.2.1.2.1 Output Inductor, LOUT
          2. 9.2.1.2.2 Output Capacitor, COUT
          3. 9.2.1.2.3 Input Capacitor, CIN
          4. 9.2.1.2.4 Switching MOSFET, QSW
          5. 9.2.1.2.5 Rectifier MOSFET, QSR
          6. 9.2.1.2.6 Component Selection for the TPS40195
            1. 9.2.1.2.6.1 Timing Resistor, RT
            2. 9.2.1.2.6.2 Setting UVLO
            3. 9.2.1.2.6.3 Setting the Soft-Start Time
            4. 9.2.1.2.6.4 Short-Circuit Protection, RILIM
            5. 9.2.1.2.6.5 Voltage Decoupling Capacitors, CBP, and CVDD
            6. 9.2.1.2.6.6 Boost Voltage, CBOOST and DBOOST (optional)
            7. 9.2.1.2.6.7 Closing the Feedback Loop RZ1, RP1, RPZ2, RSET1, RSET2, CZ2, CP2 AND CPZ1
          7. 9.2.1.2.7 Application Curve
      2. 9.2.2 Typical Application 2
        1. 9.2.2.1 Design Requirements
        2. 9.2.2.2 Detailed Design Procedure
        3. 9.2.2.3 Application Curves
      3. 9.2.3 Typical Application 3
        1. 9.2.3.1 Design Requirements
        2. 9.2.3.2 Detailed Design Procedure
        3. 9.2.3.3 Application Curves
  10. 10Layout
    1. 10.1 Layout Guidelines
    2. 10.2 Layout Examples
  11. 11Device and Documentation Support
    1. 11.1 Device Support
      1. 11.1.1 Third-Party Products Disclaimer
    2. 11.2 Device Support
      1. 11.2.1 Related Parts
    3. 11.3 Documentation Support
      1. 11.3.1 Related Documentation
    4. 11.4 Receiving Notification of Documentation Updates
    5. 11.5 Community Resources
    6. 11.6 Trademarks
    7. 11.7 Electrostatic Discharge Caution
    8. 11.8 Glossary
  12. 12Mechanical, Packaging, and Orderable Information

Undervoltage Lockout (UVLO)

There are two separate UVLO circuits in the TPS40195. Both must be satisfied before the controller starts. One circuit detects the BP voltage and the other circuit detects voltage on the UVLO pin. The voltage on the BP pin (VBP) must be above 4.3 V in order for the device to start up.

The UVLO pin is generally used to provide a higher UVLO voltage than that which the BP UVLO circuit provides. This level is programmed using a resistor divider from VIN to GND with the tap connected to the UVLO pin of the TPS40195. Hysteresis is provided by a 5.2-μA current source that is turned on when the UVLO pin reaches the 1.26 V turn on threshold. The turnon level is determined by the divider ratio, and the hysteresis level is determined by the divider equivalent impedance.

To determine the resistor values for the UVLO circuit, a turnon voltage and turn off voltage must be known. Once these are known the resistors can be calculated in Equation 2 and Equation 3. The functional schematic is shown in Figure 20.

Equation 2. TPS40195 q_r1_lus720.gif
Equation 3. TPS40195 q_r2_lus720.gif

where

  • VON is the desired turnon voltage of the converter
  • VOFF is the desired turn off voltage for the converter, must be less than VON
  • IUVLO is the hysteresis current generated by the device, 5.2 μA (typical)
  • VUVLO is the UVLO pin threshold voltage, 1.26 V (typical)
TPS40195 v07002.gifFigure 20. Undervoltage Lockout