SNLU254A November   2020  – July 2022 DS160PT801

 

  1.   Abstract
  2.   Trademarks
  3. 1EVM Control and Configuration Information
    1. 1.1 Retimer Pin Controls
    2. 1.2 USB-to-SMBus Interface
    3. 1.3 PCIe PRSNT# Signal Control and Configuration
    4. 1.4 PCIe Reference Clock Control and Configuration
  4. 2EVM Power
    1. 2.1 EVM Current Sensing
  5. 3SigCon Architect GUI
    1. 3.1 Setup and Installation
    2. 3.2 Configuration Page
    3. 3.3 Low-Level Page
    4. 3.4 EEPROM Page
    5. 3.5 Control Panel
    6. 3.6 High-Level Page
    7. 3.7 Diagnostic Page
    8. 3.8 Eye Monitor Page
  6. 4PCB Material Information
    1. 4.1 DS160PT801 PCB Design
    2. 4.2 DS160PT801 PCB Stackup
    3. 4.3 DS160PT801 PCB Power Distribution
    4. 4.4 DS160PT801 Local Decoupling
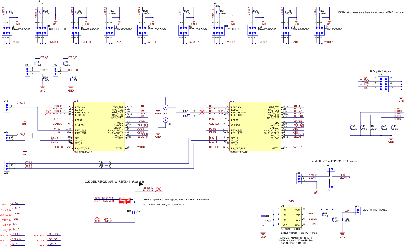
  7. 5DS160PT801X16EVM Schematic
  8. 6Hardware BOM
  9. 7Revision History

DS160PT801X16EVM Schematic

Figure 5-1 through Figure 5-2 illustrate the DS160PT801X16EVM schematics.



Figure 5-1 Schematic – Cover Sheet
GUID-20220602-SS0I-PBRW-H0QZ-DKHVTFZLJB8R-low.gif Figure 5-2 Schematic – High Speed
GUID-20220602-SS0I-KGPP-RCRL-HDGF80BTCQHZ-low.gif Figure 5-3 Schematic – Control
GUID-20220602-SS0I-GBRQ-X1PM-L1KBVBPXSPJ2-low.gif Figure 5-4 Schematic – Supply Voltage Regulators
GUID-20220602-SS0I-PZPL-595N-FPZQBKDCL5GT-low.gif Figure 5-5 Schematic – Retimer 1 Current Sense and Decoupling
GUID-20220602-SS0I-NCPJ-V7W4-SD3RVCGMX9S9-low.gif Figure 5-6 Schematic – Retimer 0 Current Sense and Decoupling
GUID-20220602-SS0I-8KGP-QPSD-SGV9DTQDMRSJ-low.gif Figure 5-7 Schematic – PCIe Gen4 Clock Generation
GUID-20220602-SS0I-VSBX-PSHB-M8N54ZRKMNLZ-low.gif Figure 5-8 Schematic – PCIe Gen4 Clock Buffer
GUID-20220602-SS0I-7SC8-MF9J-LRWGJNQCLHL0-low.gif Figure 5-9 Schematic – MSP430 Microcontroller