SWRS325 December   2024 AWRL6844

ADVANCE INFORMATION  

  1.   1
  2. Features
  3. Applications
  4. Description
  5. Functional Block Diagram
  6. Device Comparison
    1. 5.1 Related Products
  7. Terminal Configurations and Functions
    1. 6.1 Pin Diagrams
    2. 6.2 Signal Descriptions
      1.      11
      2.      12
      3.      13
      4.      14
      5.      15
      6.      16
      7.      17
      8.      18
      9.      19
      10.      20
      11.      21
      12.      22
      13.      23
      14.      24
      15.      25
      16.      26
      17.      27
    3.     28
  8. Specifications
    1. 7.1  Absolute Maximum Ratings
    2. 7.2  ESD Ratings
    3. 7.3  Power-On Hours (POH)
    4. 7.4  Recommended Operating Conditions
    5. 7.5  VPP Specifications for One-Time Programmable (OTP) eFuses
      1. 7.5.1 Recommended Operating Conditions for OTP eFuse Programming
      2. 7.5.2 Hardware Requirements
      3. 7.5.3 Impact to Your Hardware Warranty
    6. 7.6  Power Supply Specifications
      1. 7.6.1 3.3V I/O Topology
      2. 7.6.2 1.8V I/O Topology
      3. 7.6.3 System Topologies
        1. 7.6.3.1 I/O Topologies
      4. 7.6.4 RF Supply Decoupling Capacitor and Layout Conditions
        1. 7.6.4.1 1.2V RF Supply Rail
          1. 7.6.4.1.1 1.2V RF Rail
        2. 7.6.4.2 1.0V RF LDO
          1. 7.6.4.2.1 1.0V RF LDO
      5. 7.6.5 Noise and Ripple Specifications
    7. 7.7  Power Save Modes
      1. 7.7.1 Typical Power Consumption Numbers
    8. 7.8  Peak Current Requirement per Voltage Rail
    9. 7.9  RF Specification
    10. 7.10 Supported DFE Features
    11. 7.11 CPU Specifications
    12. 7.12 Thermal Resistance Characteristics
    13. 7.13 Timing and Switching Characteristics
      1. 7.13.1  Power Supply Sequencing and Reset Timing
      2. 7.13.2  Synchronized Frame Triggering
      3. 7.13.3  Input Clocks and Oscillators
        1. 7.13.3.1 Clock Specifications
      4. 7.13.4  MultiChannel buffered / Standard Serial Peripheral Interface (McSPI)
        1. 7.13.4.1 McSPI Features
        2. 7.13.4.2 SPI Timing Conditions
        3. 7.13.4.3 SPI—Controller Mode
          1. 7.13.4.3.1 Timing and Switching Requirements for SPI - Controller Mode
          2. 7.13.4.3.2 Timing and Switching Characteristics for SPI Output Timings—Controller Mode
        4. 7.13.4.4 SPI—Peripheral Mode
          1. 7.13.4.4.1 Timing and Switching Requirements for SPI - Peripheral Mode
          2. 7.13.4.4.2 Timing and Switching Characteristics for SPI Output Timings—Secondary Mode
      5. 7.13.5  LVDS Instrumentation and Measurement Peripheral
        1. 7.13.5.1 LVDS Interface Configuration
        2. 7.13.5.2 LVDS Interface Timings
      6. 7.13.6  LIN
      7. 7.13.7  General-Purpose Input/Output
        1. 7.13.7.1 Switching Characteristics for Output Timing versus Load Capacitance (CL)
      8. 7.13.8  Controller Area Network - Flexible Data-rate (CAN-FD)
        1. 7.13.8.1 Dynamic Characteristics for the CANx TX and RX Pins
      9. 7.13.9  Serial Communication Interface (SCI)
        1. 7.13.9.1 SCI Timing Requirements
      10. 7.13.10 Inter-Integrated Circuit Interface (I2C)
        1. 7.13.10.1 I2C Timing Requirements
      11. 7.13.11 Quad Serial Peripheral Interface (QSPI)
        1. 7.13.11.1 QSPI Timing Conditions
        2. 7.13.11.2 Timing Requirements for QSPI Input (Read) Timings
        3. 7.13.11.3 QSPI Switching Characteristics
      12. 7.13.12 JTAG Interface
        1. 7.13.12.1 JTAG Timing Conditions
        2. 7.13.12.2 Timing Requirements for IEEE 1149.1 JTAG
        3. 7.13.12.3 Switching Characteristics Over Recommended Operating Conditions for IEEE 1149.1 JTAG
  9. Detailed Description
    1. 8.1 Overview
    2. 8.2 Functional Block Diagram
    3. 8.3 Subsystems
      1. 8.3.1  RF and Analog Subsystem
      2. 8.3.2  Clock Subsystem
      3. 8.3.3  Transmit Subsystem
      4. 8.3.4  Receive Subsystem
      5. 8.3.5  Processor Subsystem
      6. 8.3.6  Automotive Interface
      7. 8.3.7  Host Interface
      8. 8.3.8  Application Subsystem Cortex-R5F
      9. 8.3.9  DSP Subsystem
      10. 8.3.10 Hardware Accelerator (HWA1.2) Features
        1. 8.3.10.1 Hardware Accelerator Feature Differences Between HWA1.1 in xWRx843, HWA1.2 in xWRLx432 and HWA1.2 in xWRL684x
    4. 8.4 Other Subsystems
      1. 8.4.1 Security – Hardware Security Module
      2. 8.4.2 GPADC Channels (Service) for User Application
      3. 8.4.3 GPADC Parameters
    5. 8.5 Memory Partitioning Options
    6. 8.6 Boot Modes
  10. Monitoring and Diagnostics
  11. 10Applications, Implementation, and Layout
    1. 10.1 Application Information
    2. 10.2 Reference Schematic
  12. 11Device and Documentation Support
    1. 11.1 Device Nomenclature
    2. 11.2 Tools and Software
    3. 11.3 Documentation Support
    4. 11.4 Support Resources
    5. 11.5 Trademarks
    6. 11.6 Electrostatic Discharge Caution
    7. 11.7 Glossary
  13. 12Revision History
  14. 13Mechanical, Packaging, and Orderable Information

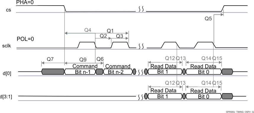
QSPI Switching Characteristics

NO.PARAMETERMINTYPMAXUNIT
Q1tc(SCLK)Cycle time, sclk12.5ns
Q2tw(SCLKL)Pulse duration, sclk lowY*P – 3(1)(2)ns
Q3tw(SCLKH)Pulse duration, sclk highY*P – 3(1)(2)ns
Q4td(CS-SCLK)Delay time, sclk falling edge to cs active edge–M*P – 1(2)(3)–M*P + 2.5(2)(3)ns
Q5td(SCLK-CS)Delay time, sclk falling edge to cs inactive edgeN*P – 1(2)(3)N*P + 2.5(2)(3)ns
Q6td(SCLK-D1)Delay time, sclk falling edge to d[1] transition–24ns
Q7tena(CS-D1LZ)Enable time, cs active edge to d[1] driven (lo-z)–P – 4(2)–P +1(2)ns
Q8tdis(CS-D1Z)Disable time, cs active edge to d[1] tri-stated (hi-z)–P – 4(2)–P +1(2)ns
Q9td(SCLK-D1)Delay time, sclk first falling edge to first d[1] transition (for PHA = 0 only)–2 – P(2)4– P(2)ns
Q12tsu(D-SCLK)Setup time, d[3:0] valid before falling sclk edge5ns
Q13th(SCLK-D)Hold time, d[3:0] valid after falling sclk edge1ns
Q14tsu(D-SCLK)Setup time, final d[3:0] bit valid before final falling sclk edge5 — P(2)ns
Q15th(SCLK-D)Hold time, final d[3:0] bit valid after final falling sclk edge1 + P(2)ns
The Y parameter is defined as follows: If DCLK_DIV is 0 or ODD then, Y equals 0.5. If DCLK_DIV is EVEN then, Y equals (DCLK_DIV/2) / (DCLK_DIV+1). For best performance, it is recommended to use a DCLK_DIV of 0 or ODD to minimize the duty cycle distortion. All required details about clock division factor DCLK_DIV can be found in the device-specific Technical Reference Manual.
P = SCLK period in ns.
M = QSPI_SPI_DC_REG.DDx + 1, N = 2
AWRL6844 AWRL6843 QSPI Read (Clock Mode 0)Figure 7-16 QSPI Read (Clock Mode 0)
AWRL6844 AWRL6843 QSPI Write (Clock Mode 0)Figure 7-17 QSPI Write (Clock Mode 0)