SPRS742L June 2011 – February 2021 F28M35E20B , F28M35H22C , F28M35H52C , F28M35H52C-Q1 , F28M35M22C , F28M35M52C
PRODUCTION DATA
Concerto devices have two types of emulation ports to support debug operations: the 7-pin TI JTAG port and the 5-pin Cortex-M3 Instrumentation Trace Macrocell (ITM) port. The 7-pin TI JTAG port can be used to connect to debug tools through the TI 14-pin JTAG header or the TI 20-pin JTAG header. The 5-pin Cortex-M3 ITM port can only be accessed through the TI 20-pin JTAG header.
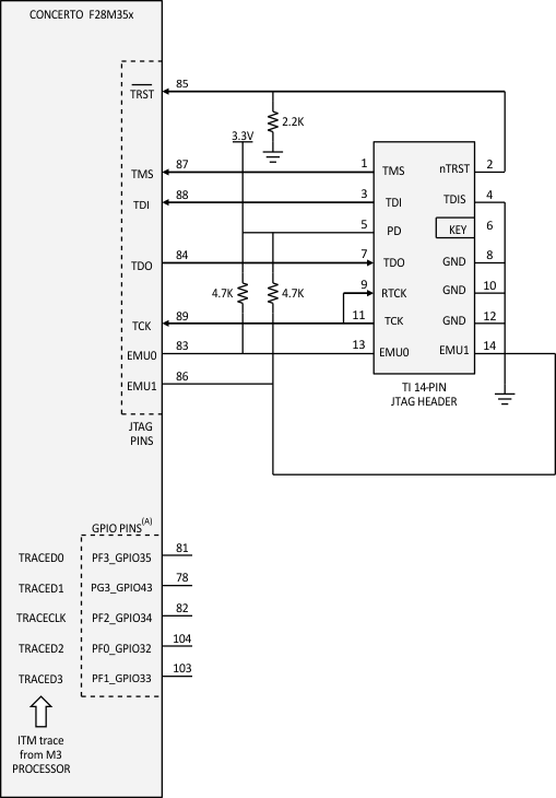
The JTAG port has seven dedicated pins: TRST, TMS, TDI, TDO, TCK, EMU0, and EMU1. The TRST signal should always be pulled down through a 2.2-kΩ pulldown resistor on the board. EMU0 and EMU1 signals should be pulled up through a pair of pullups ranging from 2.2 kΩ to 4.7 kΩ (depending on the drive strength of the debugger ports). The JTAG port is TI’s standard debug port.
The ITM port uses five GPIO pins that can be mapped to internal Cortex-M3 ITM trace signals: TRACE0, TRACE1, TRACE2, TRACE3, and TRACECLK. This port is typically used for advanced software debug.
TI JTAG debug probes, and those from other manufacturers, can connect to Concerto devices through TI’s 14-pin JTAG header or 20-pin JTAG header. See Figure 8-18 to see how the 14-pin JTAG header connects to the JTAG port signals in Concerto. The 14-pin header does not support the ITM debug mode.
Figure 8-19 shows two possible ways to connect the 20-pin header to the emulation pins in Concerto. The left side of the drawing shows all seven JTAG signals connecting to the 20-pin header similar to the way the 14-pin header was connected. The JTAG EMU0 and EMU1 signals are mapped to the corresponding terminals on the 20-pin header. In this mode, header terminals EMU2, EMU3, and EMU4 are left unconnected and the ITM trace mode is not available.
The right side of the drawing shows the same 20-pin header now connected to five ITM signals and five of seven JTAG signals. The EMU0 and EMU1 signals in Concerto are left unconnected in this mode; thus, the emulation functions associated with these two signals are not available when debugging with ITM trace.

