SPRS742L June   2011  – February 2021 F28M35E20B , F28M35H22C , F28M35H52C , F28M35H52C-Q1 , F28M35M22C , F28M35M52C

PRODUCTION DATA  

  1. Features
  2. Applications
  3. Description
    1. 3.1 Functional Block Diagram
  4. Revision History
  5. Device Comparison
    1. 5.1 Related Products
  6. Terminal Configuration and Functions
    1. 6.1 Pin Diagram
    2. 6.2 Signal Descriptions
      1. 6.2.1 Signal Descriptions
  7. Specifications
    1. 7.1  Absolute Maximum Ratings
    2. 7.2  ESD Ratings – Automotive
    3. 7.3  ESD Ratings – Commercial
    4. 7.4  Recommended Operating Conditions
    5. 7.5  Power Consumption Summary
      1. 7.5.1 Current Consumption at 150-MHz C28x SYSCLKOUT and 75-MHz M3SSCLK
      2. 7.5.2 Current Consumption at 100-MHz C28x SYSCLKOUT and 100-MHz M3SSCLK
      3. 7.5.3 Current Consumption at 75-MHz C28x SYSCLKOUT and 75-MHz M3SSCLK
      4. 7.5.4 Current Consumption at 60-MHz C28x SYSCLKOUT and 60-MHz M3SSCLK
    6. 7.6  Electrical Characteristics
    7. 7.7  Thermal Resistance Characteristics for RFP PowerPAD Package
    8. 7.8  Thermal Design Considerations
    9. 7.9  Timing and Switching Characteristics
      1. 7.9.1 Power Sequencing
        1. 7.9.1.1 Reset ( XRS) Timing Requirements
        2. 7.9.1.2 Reset ( XRS) Switching Characteristics
        3. 7.9.1.3 Power Management and Supervisory Circuit Solutions
      2. 7.9.2 Clock Specifications
        1. 7.9.2.1 Changing the Frequency of the Main PLL
        2. 7.9.2.2 Input Clock Frequency and Timing Requirements, PLL Lock Times
          1. 7.9.2.2.1 Input Clock Frequency
          2. 7.9.2.2.2 Crystal Oscillator Electrical Characteristics
          3. 7.9.2.2.3 X1 Timing Requirements - PLL Enabled (1)
          4. 7.9.2.2.4 X1 Timing Requirements - PLL Disabled
          5. 7.9.2.2.5 XCLKIN Timing Requirements - PLL Enabled
          6. 7.9.2.2.6 XCLKIN Timing Requirements - PLL Disabled
          7. 7.9.2.2.7 PLL Lock Times
        3. 7.9.2.3 Output Clock Frequency and Switching Characteristics
          1. 7.9.2.3.1 Output Clock Frequency
          2. 7.9.2.3.2 XCLKOUT Switching Characteristics (PLL Bypassed or Enabled) (1) (1)
        4. 7.9.2.4 Internal Clock Frequencies
          1. 7.9.2.4.1 Internal Clock Frequencies (150-MHz Devices)
      3. 7.9.3 Timing Parameter Symbology
        1. 7.9.3.1 General Notes on Timing Parameters
        2. 7.9.3.2 Test Load Circuit
      4. 7.9.4 Flash Timing – Master Subsystem
        1. 7.9.4.1 Master Subsystem – Flash/OTP Endurance
        2. 7.9.4.2 Master Subsystem – Flash Parameters
        3. 7.9.4.3 Master Subsystem – Flash/OTP Access Timing
        4. 7.9.4.4 Master Subsystem – Flash Data Retention Duration
        5. 7.9.4.5 Master Subsystem – Minimum Required Flash/OTP Wait States at Different Frequencies
      5. 7.9.5 Flash Timing – Control Subsystem
        1. 7.9.5.1 Control Subsystem – Flash/OTP Endurance
        2. 7.9.5.2 Control Subsystem – Flash Parameters
        3. 7.9.5.3 Control Subsystem – Flash/OTP Access Timing
        4. 7.9.5.4 Control Subsystem – Flash Data Retention Duration
      6. 7.9.6 GPIO Electrical Data and Timing
        1. 7.9.6.1 GPIO - Output Timing
          1. 7.9.6.1.1 General-Purpose Output Switching Characteristics
        2. 7.9.6.2 GPIO - Input Timing
          1. 7.9.6.2.1 General-Purpose Input Timing Requirements
        3. 7.9.6.3 Sampling Window Width for Input Signals
        4. 7.9.6.4 Low-Power Mode Wakeup Timing
          1. 7.9.6.4.1 IDLE Mode Timing Requirements
          2. 7.9.6.4.2 IDLE Mode Switching Characteristics
          3. 7.9.6.4.3 IDLE Entry and Exit Timing Diagram
          4. 7.9.6.4.4 STANDBY Mode Timing Requirements
          5. 7.9.6.4.5 STANDBY Mode Switching Characteristics
          6. 7.9.6.4.6 STANDBY Entry and Exit Timing Diagram
          7. 7.9.6.4.7 HALT Mode Timing Requirements
          8. 7.9.6.4.8 HALT Mode Switching Characteristics
          9. 7.9.6.4.9 HALT Entry and Exit Timing Diagram
      7. 7.9.7 External Interrupt Electrical Data and Timing
        1. 7.9.7.1 External Interrupt Timing Requirements
        2. 7.9.7.2 External Interrupt Switching Characteristics
        3. 7.9.7.3 External Interrupt Timing Diagram
    10. 7.10 Analog and Shared Peripherals
      1. 7.10.1 Analog-to-Digital Converter
        1. 7.10.1.1 Sample Mode
        2. 7.10.1.2 Start-of-Conversion Triggers
        3. 7.10.1.3 Analog Inputs
        4. 7.10.1.4 ADC Result Registers and EOC Interrupts
        5. 7.10.1.5 ADC Electrical Data and Timing
          1. 7.10.1.5.1 ADC Electrical Characteristics
          2. 7.10.1.5.2 External ADC Start-of-Conversion Switching Characteristics
          3. 7.10.1.5.3 ADCSOCAO or ADCSOCBO Timing Diagram
      2. 7.10.2 Comparator + DAC Units
        1. 7.10.2.1 On-Chip Comparator and DAC Electrical Data and Timing
          1. 7.10.2.1.1 Electrical Characteristics of the Comparator/DAC
      3. 7.10.3 Interprocessor Communications
      4. 7.10.4 External Peripheral Interface
        1. 7.10.4.1 EPI General-Purpose Mode
        2. 7.10.4.2 EPI SDRAM Mode
        3. 7.10.4.3 EPI Host Bus Mode
          1. 7.10.4.3.1 EPI 8-Bit Host Bus (HB-8) Mode
            1. 7.10.4.3.1.1 HB-8 Muxed Address/Data Mode
            2. 7.10.4.3.1.2 HB-8 Non-Muxed Address/Data Mode
            3. 7.10.4.3.1.3 HB-8 FIFO Mode
          2. 7.10.4.3.2 EPI 16-Bit Host Bus (HB-16) Mode
            1. 7.10.4.3.2.1 HB-16 Muxed Address/Data Mode
            2. 7.10.4.3.2.2 HB-16 Non-Muxed Address/Data Mode
            3. 7.10.4.3.2.3 HB-16 FIFO Mode
        4. 7.10.4.4 EPI Electrical Data and Timing
          1. 7.10.4.4.1 EPI SDRAM Interface Switching Characteristics Over Recommended Operating Conditions (Unless Otherwise Noted) (see Figure 1-1 , Figure 1-1 , and Figure 1-1 )
          2. 7.10.4.4.2 EPI SDRAM Timing Diagrams
          3. 7.10.4.4.3 EPI Host-Bus 8 and Host-Bus 16 Interface Switching Characteristics Over Recommended Operating Conditions (Unless Otherwise Noted) (see Figure 1-1 , Figure 1-1 , Figure 1-1 , and Figure 1-1 )
          4. 7.10.4.4.4 EPI Host-Bus 8 and Host-Bus 16 Interface Timing Requirements (1) (see Figure 1-1 and Figure 1-1 )
          5. 7.10.4.4.5 EPI Host-Bus 8/16 Mode Timing Diagrams
          6. 7.10.4.4.6 EPI General-Purpose Interface Switching Characteristics Over Recommended Operating Conditions (Unless Otherwise Noted) (see Figure 1-1 )
          7. 7.10.4.4.7 EPI General-Purpose Interface Timing Requirements (see Figure 1-1 and Figure 1-1 )
          8. 7.10.4.4.8 EPI General-Purpose Interface Timing Diagrams
    11. 7.11 Master Subsystem Peripherals
      1. 7.11.1 Synchronous Serial Interface
        1. 7.11.1.1 Bit Rate Generation
        2. 7.11.1.2 Transmit FIFO
        3. 7.11.1.3 Receive FIFO
        4. 7.11.1.4 Interrupts
        5. 7.11.1.5 Frame Formats
      2. 7.11.2 Universal Asynchronous Receiver/Transmitter
        1. 7.11.2.1 Baud-Rate Generation
        2. 7.11.2.2 Transmit and Receive Logic
        3. 7.11.2.3 Data Transmission and Reception
        4. 7.11.2.4 Interrupts
      3. 7.11.3 Cortex-M3 Inter-Integrated Circuit
        1. 7.11.3.1 Functional Overview
        2. 7.11.3.2 Available Speed Modes
        3. 7.11.3.3 I2C Electrical Data and Timing
          1. 7.11.3.3.1 I2C Timing
      4. 7.11.4 Cortex-M3 Controller Area Network
        1. 7.11.4.1 Functional Overview
      5. 7.11.5 Cortex-M3 Universal Serial Bus Controller
        1. 7.11.5.1 Functional Description
      6. 7.11.6 Cortex-M3 Ethernet Media Access Controller
        1. 7.11.6.1 Functional Overview
        2. 7.11.6.2 MII Signals
        3. 7.11.6.3 EMAC Electrical Data and Timing
          1. 7.11.6.3.1 Timing Requirements for MIITXCK (see Figure 1-1 )
          2. 7.11.6.3.2 MIITXCK Timing Diagrams
          3. 7.11.6.3.3 Timing Requirements for MIIRXCK (see Figure 1-1 )
          4. 7.11.6.3.4 MIIRXCK Timing Diagram
          5. 7.11.6.3.5 Switching Characteristics Over Recommended Operating Conditions (Unless Otherwise Noted) for EMAC MII Transmit (see Figure 1-1 )
          6. 7.11.6.3.6 EMAC MII Transmit Timing Diagram
          7. 7.11.6.3.7 Timing Requirements for EMAC MII Receive (see Figure 1-1 )
          8. 7.11.6.3.8 EMAC MII Receive Timing Diagram
        4. 7.11.6.4 MDIO Electrical Data and Timing
          1. 7.11.6.4.1 Switching Characteristics Over Recommended Operating Conditions (Unless Otherwise Noted) for MDIO_CK (see Figure 1-1 )
          2. 7.11.6.4.2 MDIO_CK Timing Diagram
          3. 7.11.6.4.3 Switching Characteristics Over Recommended Operating Conditions (Unless Otherwise Noted) for MDIO as Output (see Figure 1-1 )
          4. 7.11.6.4.4 MDIO as Output Timing Diagram
          5. 7.11.6.4.5 Timing Requirements for MDIO as Input (see Figure 1-1 )
          6. 7.11.6.4.6 MDIO as Input Timing Diagram
    12. 7.12 Control Subsystem Peripherals
      1. 7.12.1 High-Resolution PWM and Enhanced PWM Modules
        1. 7.12.1.1 HRPWM Electrical Data and Timing
          1. 7.12.1.1.1 High-Resolution PWM Characteristics at SYSCLKOUT = (60–150 MHz)
        2. 7.12.1.2 ePWM Electrical Data and Timing
          1. 7.12.1.2.1 ePWM Timing Requirements
          2. 7.12.1.2.2 ePWM Switching Characteristics
          3. 7.12.1.2.3 Trip-Zone Input Timing
            1. 7.12.1.2.3.1 Trip-Zone Input Timing Requirements
      2. 7.12.2 Enhanced Capture Module
        1. 7.12.2.1 eCAP Electrical Data and Timing
          1. 7.12.2.1.1 eCAP Timing Requirement
          2. 7.12.2.1.2 eCAP Switching Characteristics
      3. 7.12.3 Enhanced Quadrature Encoder Pulse Module
        1. 7.12.3.1 eQEP Electrical Data and Timing
          1. 7.12.3.1.1 eQEP Timing Requirements
          2. 7.12.3.1.2 eQEP Switching Characteristics
      4. 7.12.4 C28x Inter-Integrated Circuit Module
        1. 7.12.4.1 Functional Overview
        2. 7.12.4.2 Clock Generation
        3. 7.12.4.3 I2C Electrical Data and Timing
          1. 7.12.4.3.1 I2C Timing
      5. 7.12.5 C28x Serial Communications Interface
        1. 7.12.5.1 Architecture
        2. 7.12.5.2 Multiprocessor and Asynchronous Communication Modes
      6. 7.12.6 C28x Serial Peripheral Interface
        1. 7.12.6.1 Functional Overview
        2. 7.12.6.2 SPI Electrical Data and Timing
          1. 7.12.6.2.1 Master Mode Timing
            1. 7.12.6.2.1.1 SPI Master Mode External Timing (Clock Phase = 0)
            2. 7.12.6.2.1.2 SPI Master Mode External Timing (Clock Phase = 1)
          2. 7.12.6.2.2 Slave Mode Timing
            1. 7.12.6.2.2.1 SPI Slave Mode External Timing (Clock Phase = 0)
            2. 7.12.6.2.2.2 SPI Slave Mode External Timing (Clock Phase = 1)
      7. 7.12.7 C28x Multichannel Buffered Serial Port
        1. 7.12.7.1 McBSP Electrical Data and Timing
          1. 7.12.7.1.1 McBSP Transmit and Receive Timing
            1. 7.12.7.1.1.1 McBSP Timing Requirements
            2. 7.12.7.1.1.2 McBSP Switching Characteristics
            3. 7.12.7.1.1.3 McBSP Timing Diagrams
          2. 7.12.7.1.2 McBSP as SPI Master or Slave Timing
            1. 7.12.7.1.2.1  McBSP as SPI Master or Slave Timing Requirements (CLKSTP = 10b, CLKXP = 0)
            2. 7.12.7.1.2.2  McBSP as SPI Master or Slave Switching Characteristics Over Recommended Operating Conditions (Unless Otherwise Noted) (CLKSTP = 10b, CLKXP = 0)
            3. 7.12.7.1.2.3  McBSP Timing as SPI Master or Slave: CLKSTP = 10b, CLKXP = 0 Timing Diagram
            4. 7.12.7.1.2.4  McBSP as SPI Master or Slave Timing Requirements (CLKSTP = 11b, CLKXP = 0)
            5. 7.12.7.1.2.5  McBSP as SPI Master or Slave Switching Characteristics Over Recommended Operating Conditions (Unless Otherwise Noted) (CLKSTP = 11b, CLKXP = 0)
            6. 7.12.7.1.2.6  McBSP Timing as SPI Master or Slave: CLKSTP = 11b, CLKXP = 0 Timing Diagram
            7. 7.12.7.1.2.7  McBSP as SPI Master or Slave Timing Requirements (CLKSTP = 10b, CLKXP = 1)
            8. 7.12.7.1.2.8  McBSP as SPI Master or Slave Switching Characteristics Over Recommended Operating Conditions (Unless Otherwise Noted) (CLKSTP = 10b, CLKXP = 1)
            9. 7.12.7.1.2.9  McBSP Timing as SPI Master or Slave: CLKSTP = 10b, CLKXP = 1 Timing Diagram
            10. 7.12.7.1.2.10 McBSP as SPI Master or Slave Timing Requirements (CLKSTP = 11b, CLKXP = 1)
            11. 7.12.7.1.2.11 McBSP as SPI Master or Slave Switching Characteristics Over Recommended Operating Conditions (Unless Otherwise Noted) (CLKSTP = 11b, CLKXP = 1)
            12. 7.12.7.1.2.12 McBSP Timing as SPI Master or Slave: CLKSTP = 11b, CLKXP = 1 Timing Diagram
  8. Detailed Description
    1. 8.1  Memory Maps
      1. 8.1.1 Control Subsystem Memory Map
      2. 8.1.2 Master Subsystem Memory Map
    2. 8.2  Identification
    3. 8.3  Master Subsystem
      1. 8.3.1 Cortex-M3 CPU
      2. 8.3.2 Cortex-M3 DMA and NVIC
      3. 8.3.3 Cortex-M3 Interrupts
      4. 8.3.4 Cortex-M3 Vector Table
      5. 8.3.5 Cortex-M3 Local Peripherals
      6. 8.3.6 Cortex-M3 Local Memory
      7. 8.3.7 Cortex-M3 Accessing Shared Resources and Analog Peripherals
    4. 8.4  Control Subsystem
      1. 8.4.1 C28x CPU/FPU/VCU
      2. 8.4.2 C28x Core Hardware Built-In Self-Test
      3. 8.4.3 C28x Peripheral Interrupt Expansion
      4. 8.4.4 C28x Direct Memory Access
      5. 8.4.5 C28x Local Peripherals
      6. 8.4.6 C28x Local Memory
      7. 8.4.7 C28x Accessing Shared Resources and Analog Peripherals
    5. 8.5  Analog Subsystem
      1. 8.5.1 ADC1
      2. 8.5.2 ADC2
      3. 8.5.3 Analog Comparator + DAC
      4. 8.5.4 Analog Common Interface Bus
    6. 8.6  Master Subsystem NMIs
    7. 8.7  Control Subsystem NMIs
    8. 8.8  Resets
      1. 8.8.1 Cortex-M3 Resets
      2. 8.8.2 C28x Resets
      3. 8.8.3 Analog Subsystem and Shared Resources Resets
      4. 8.8.4 Device Boot Sequence
    9. 8.9  Internal Voltage Regulation and Power-On-Reset Functionality
      1. 8.9.1 Analog Subsystem: Internal 1.8-V VREG
      2. 8.9.2 Digital Subsystem: Internal 1.2-V VREG
      3. 8.9.3 Analog and Digital Subsystems: Power-On-Reset Functionality
      4. 8.9.4 Connecting ARS and XRS Pins
    10. 8.10 Input Clocks and PLLs
      1. 8.10.1 Internal Oscillator (Zero-Pin)
      2. 8.10.2 Crystal Oscillator/Resonator (Pins X1/X2 and VSSOSC)
      3. 8.10.3 External Oscillators (Pins X1 and XCLKIN)
      4. 8.10.4 Main PLL
      5. 8.10.5 USB PLL
    11. 8.11 Master Subsystem Clocking
      1. 8.11.1 Cortex-M3 Run Mode
      2. 8.11.2 Cortex-M3 Sleep Mode
      3. 8.11.3 Cortex-M3 Deep Sleep Mode
    12. 8.12 Control Subsystem Clocking
      1. 8.12.1 C28x Normal Mode
      2. 8.12.2 C28x IDLE Mode
      3. 8.12.3 C28x STANDBY Mode
    13. 8.13 Analog Subsystem Clocking
    14. 8.14 Shared Resources Clocking
    15. 8.15 Loss of Input Clock (NMI Watchdog Function)
    16. 8.16 GPIOs and Other Pins
      1. 8.16.1 GPIO_MUX1
      2. 8.16.2 GPIO_MUX2
      3. 8.16.3 AIO_MUX1
      4. 8.16.4 AIO_MUX2
    17. 8.17 Emulation/JTAG
    18. 8.18 Code Security Module
      1. 8.18.1 Functional Description
    19. 8.19 µCRC Module
      1. 8.19.1 Functional Description
      2. 8.19.2 CRC Polynomials
      3. 8.19.3 CRC Calculation Procedure
      4. 8.19.4 CRC Calculation for Data Stored In Secure Memory
  9. Applications, Implementation, and Layout
    1. 9.1 TI Reference Design
  10. 10Device and Documentation Support
    1. 10.1 Device and Development Support Tool Nomenclature
    2. 10.2 Tools and Software
    3. 10.3 Documentation Support
    4. 10.4 Trademarks
    5. 10.5 Support Resources
    6. 10.6 Electrostatic Discharge Caution
    7. 10.7 Glossary
  11. 11Mechanical, Packaging, and Orderable Information
    1. 11.1 Packaging Information

Package Options

Mechanical Data (Package|Pins)
Thermal pad, mechanical data (Package|Pins)
Orderable Information

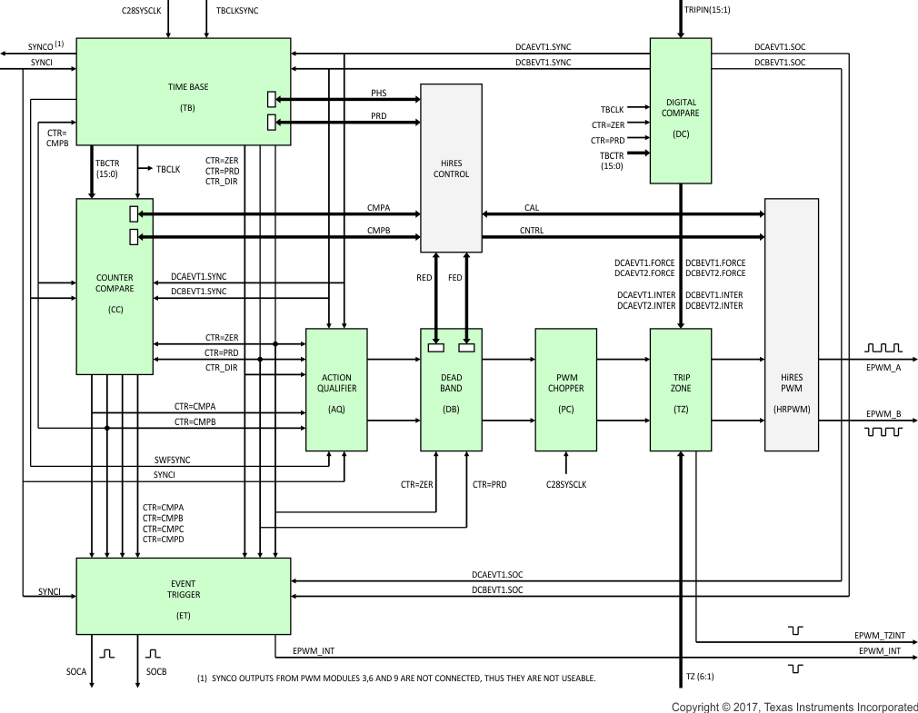
High-Resolution PWM and Enhanced PWM Modules

There are nine PWM modules in the Concerto device. Eight of these are of the HRPWM type with high-resolution control on both A and B signal outputs, and one is of the ePWM type. The HRPWM modules have all the features of the ePWM plus they offer significantly higher PWM resolution (time granularity on the order of 150 ps). Figure 7-43 shows the eight HRPWM modules (PWM 1–8) and one ePWM module (PWM 9).

The synchronization inputs to the PWM modules include the SYNCI signal from the GPTRIP1 output of GPIO_MUX1, and the TBCLKSYNC signal from the CPCLKCR0 register. Synchronization output SYNCO1 comes from the ePWM1 module and is stretched by 8 HSPCLK cycles before entering GPIO_MUX1. There are two groups of trip signal inputs to PWM modules. TRIP1–15 inputs come from GPTRIP1–12 (from GPIO_MUX1), ECCDBLERR signal (from C28x Local and Shared RAM), and PIEERR signal from the C28x CPU. TZ1–6 (Trip Zone) inputs come from GPTRIP 1–3 (from GPIO_MUX1), EQEPERR (from the eQEP peripheral), CLOCKFAIL (from M3 CLOCKS), and EMUSTOP (from the C28x CPU).

There are 9 SOCA PWM outputs and 9 SOCB PWM outputs—a pair from each PWM module. The 9 SOCA outputs are OR-ed together and stretched by 32 HSPCLK cycles before entering GPIO_MUX1 as a single SOCAO signal. The 9 SOCB outputs are OR-ed together and stretched by 32 HSPCLK cycles before entering GPIO_MUX1 as a single SOCBO signal. The 18 SOCA/B outputs from PWM1–PWM9 also go to the Analog Subsystem, where they can be selected to become conversion triggers to ADC modules.

The nine PWM modules also drive two other sets of outputs which can interrupt the C28x CPU through the C28x PIE block. These are nine EPWMINT interrupts and nine EPWMTZINT trip-zone interrupts. See Figure 7-44 for the internal structure of the HRPWM and ePWM modules. The green-colored blocks are common to both ePWM and HRPWM modules, but only the HRPWMs have the grey-colored hi-resolution blocks.

GUID-4097EECB-1130-4433-B556-DDFB33E8076F-low.gifFigure 7-43 PWM, eCAP, eQEP
GUID-424F68B8-FE4A-4FB2-89D0-AAD8AAF86886-low.gifFigure 7-44 Internal Structure of PWM