SLLSF86C May   2018  – March 2022 ISOW1412 , ISOW1432

PRODUCTION DATA  

  1. Features
  2. Applications
  3. Description
  4. Revision History
  5. Description Continued
  6. Device Comparison Table
  7. Pin Configuration and Functions
  8. Specifications
    1. 8.1  Absolute Maximum Ratings
    2. 8.2  Recommended Operating Conditions
    3. 8.3  Thermal Information
    4. 8.4  Power Ratings
    5. 8.5  Insulation Specifications
    6. 8.6  Safety-Related Certifications
    7. 8.7  Safety Limiting Values
    8. 8.8  Electrical Characteristics
    9. 8.9  Supply Current Characteristics at VISOOUT = 3.3 V
    10. 8.10 Supply Current Characteristics at  VISOOUT = 5 V
    11. 8.11 Switching Characteristics at VISOOUT = 3.3 V
    12. 8.12 Switching Characteristics at VISOOUT = 5 V
    13. 8.13 Insulation Characteristics Curves
    14. 8.14 Typical Characteristics
  9. Parameter Measurement Information
  10. 10Detailed Description
    1. 10.1 Overview
    2. 10.2 Power Isolation
    3. 10.3 Signal Isolation
    4. 10.4 RS-485
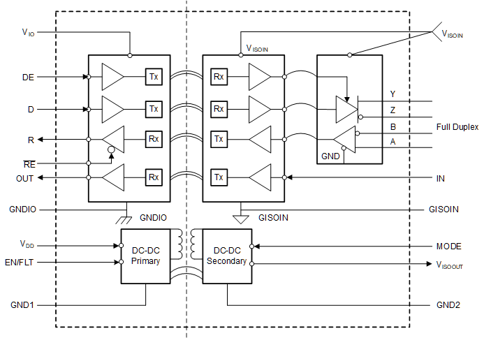
    5. 10.5 Functional Block Diagram
    6. 10.6 Feature Description
      1. 10.6.1 Power-Up and Power-Down Behavior
      2. 10.6.2 Protection Features
      3. 10.6.3 Failsafe Receiver
      4. 10.6.4 Glitch-Free Power Up and Power Down
    7. 10.7 Device Functional Modes
    8. 10.8 Device I/O Schematics
  11. 11Application and Implementation
    1. 11.1 Application Information
    2. 11.2 Typical Application
      1. 11.2.1 Design Requirements
      2. 11.2.2 Detailed Design Procedure
        1. 11.2.2.1 Data Rate, Bus Length and Bus Loading
        2. 11.2.2.2 Stub Length
        3. 11.2.2.3 Insulation Lifetime
  12. 12Power Supply Recommendations
  13. 13Layout
    1. 13.1 Layout Guidelines
    2. 13.2 Layout Example
  14. 14Device and Documentation Support
    1. 14.1 Documentation Support
      1. 14.1.1 Related Documentation
    2. 14.2 Receiving Notification of Documentation Updates
    3. 14.3 Support Resources
    4. 14.4 Trademarks
    5. 14.5 Electrostatic Discharge Caution
    6. 14.6 Glossary
  15. 15Mechanical, Packaging, and Orderable Information

Package Options

Mechanical Data (Package|Pins)
Thermal pad, mechanical data (Package|Pins)
Orderable Information

Functional Block Diagram

GUID-20210511-CA0I-W1VL-66VG-5P3GVCQ339G0-low.gif Figure 10-1 Block Diagram
GUID-2B342DB4-9BA4-4C8B-8D80-C92BD420A48D-low.gifFigure 10-2 Signal Isolation channel