SWRS219F October   2018  – April 2025 IWR6443 , IWR6843

PRODUCTION DATA  

  1.   1
  2. Features
  3. Applications
  4. Description
  5. Functional Block Diagram
  6. Device Comparison
    1. 5.1 Related Products
  7. Terminal Configuration and Functions
    1. 6.1 Pin Diagram
    2. 6.2 Signal Descriptions
      1. 6.2.1 Signal Descriptions - Digital
      2. 6.2.2 Signal Descriptions - Analog
    3. 6.3 Pin Attributes
  8. Specifications
    1. 7.1  Absolute Maximum Ratings
    2. 7.2  ESD Ratings
    3. 7.3  Power-On Hours (POH)
    4. 7.4  Recommended Operating Conditions
    5. 7.5  VPP Specifications for One-Time Programmable (OTP) eFuses
      1. 7.5.1 Recommended Operating Conditions for OTP eFuse Programming
      2. 7.5.2 Hardware Requirements
      3. 7.5.3 Impact to Your Hardware Warranty
    6. 7.6  Power Supply Specifications
    7. 7.7  Power Consumption Summary
    8. 7.8  Power Save Mode
    9. 7.9  RF Specification
    10. 7.10 CPU Specifications
    11. 7.11 Thermal Resistance Characteristics for FCBGA Package [ABL0161]
    12. 7.12 Timing and Switching Characteristics
      1. 7.12.1  Power Supply Sequencing and Reset Timing
      2. 7.12.2  Input Clocks and Oscillators
        1. 7.12.2.1 Clock Specifications
      3. 7.12.3  Multibuffered / Standard Serial Peripheral Interface (MibSPI)
        1. 7.12.3.1 Peripheral Description
        2. 7.12.3.2 MibSPI Transmit and Receive RAM Organization
          1. 7.12.3.2.1 SPI Timing Conditions
          2. 7.12.3.2.2 SPI Controller Mode Switching Parameters (CLOCK PHASE = 0, SPICLK = output, SPISIMO = output, and SPISOMI = input) #GUID-C70CFB1F-161A-495B-85B8-62E1C643D037/T4362547-236 #GUID-C70CFB1F-161A-495B-85B8-62E1C643D037/T4362547-237 #GUID-C70CFB1F-161A-495B-85B8-62E1C643D037/T4362547-238
          3. 7.12.3.2.3 SPI Controller Mode Switching Parameters (CLOCK PHASE = 1, SPICLK = output, SPISIMO = output, and SPISOMI = input) #GUID-F724BCC6-8F26-42C4-8723-451EDE9A36D3/T4362547-244 #GUID-F724BCC6-8F26-42C4-8723-451EDE9A36D3/T4362547-245 #GUID-F724BCC6-8F26-42C4-8723-451EDE9A36D3/T4362547-246
        3. 7.12.3.3 SPI Peripheral Mode I/O Timings
          1. 7.12.3.3.1 SPI Peripheral Mode Switching Parameters (SPICLK = input, SPISIMO = input, and SPISOMI = output) #GUID-1B5DE4C6-14B2-48EF-965D-3B03E1AE325B/T4362547-70 #GUID-1B5DE4C6-14B2-48EF-965D-3B03E1AE325B/T4362547-71 #GUID-1B5DE4C6-14B2-48EF-965D-3B03E1AE325B/T4362547-73
        4. 7.12.3.4 Typical Interface Protocol Diagram (Peripheral Mode)
      4. 7.12.4  LVDS Interface Configuration
        1. 7.12.4.1 LVDS Interface Timings
      5. 7.12.5  General-Purpose Input/Output
        1. 7.12.5.1 Switching Characteristics for Output Timing versus Load Capacitance (CL)
      6. 7.12.6  Controller Area Network - Flexible Data-rate (CAN-FD)
        1. 7.12.6.1 Dynamic Characteristics for the CANx TX and RX Pins
      7. 7.12.7  Serial Communication Interface (SCI)
        1. 7.12.7.1 SCI Timing Requirements
      8. 7.12.8  Inter-Integrated Circuit Interface (I2C)
        1. 7.12.8.1 I2C Timing Requirements #GUID-36963FBF-DA1A-4FF8-B71D-4A185830E708/T4362547-185
      9. 7.12.9  Quad Serial Peripheral Interface (QSPI)
        1. 7.12.9.1 QSPI Timing Conditions
        2. 7.12.9.2 Timing Requirements for QSPI Input (Read) Timings #GUID-6DC69BBB-F187-4499-AC42-8C006552DEE1/T4362547-210 #GUID-6DC69BBB-F187-4499-AC42-8C006552DEE1/T4362547-209
        3. 7.12.9.3 QSPI Switching Characteristics
      10. 7.12.10 ETM Trace Interface
        1. 7.12.10.1 ETMTRACE Timing Conditions
        2. 7.12.10.2 ETM TRACE Switching Characteristics
      11. 7.12.11 Data Modification Module (DMM)
        1. 7.12.11.1 DMM Timing Requirements
      12. 7.12.12 JTAG Interface
        1. 7.12.12.1 JTAG Timing Conditions
        2. 7.12.12.2 Timing Requirements for IEEE 1149.1 JTAG
        3. 7.12.12.3 Switching Characteristics Over Recommended Operating Conditions for IEEE 1149.1 JTAG
  9. Detailed Description
    1. 8.1 Overview
    2. 8.2 Functional Block Diagram
    3. 8.3 Subsystems
      1. 8.3.1 RF and Analog Subsystem
        1. 8.3.1.1 Clock Subsystem
        2. 8.3.1.2 Transmit Subsystem
        3. 8.3.1.3 Receive Subsystem
      2. 8.3.2 Processor Subsystem
      3. 8.3.3 Host Interface
      4. 8.3.4 Main Subsystem Cortex-R4F
      5. 8.3.5 DSP Subsystem
      6. 8.3.6 Hardware Accelerator
    4. 8.4 Other Subsystems
      1. 8.4.1 ADC Channels (Service) for User Application
        1. 8.4.1.1 GP-ADC Parameter
    5. 8.5 Boot Modes
      1. 8.5.1 Flashing Mode
      2. 8.5.2 Functional Mode
  10. Monitoring and Diagnostics
    1. 9.1 Monitoring and Diagnostic Mechanisms
      1. 9.1.1 Error Signaling Module
  11. 10Applications, Implementation, and Layout
    1. 10.1 Application Information
    2. 10.2 Reference Schematic
  12. 11Device and Documentation Support
    1. 11.1 Device Nomenclature
    2. 11.2 Tools and Software
    3. 11.3 Documentation Support
    4. 11.4 Support Resources
    5. 11.5 Trademarks
    6. 11.6 Electrostatic Discharge Caution
    7. 11.7 Glossary
  13. 12Revision History
  14. 13Mechanical, Packaging, and Orderable Information
    1. 13.1 Packaging Information
    2. 13.2 Tray Information for ABL, 10.4 × 10.4 mm

Package Options

Refer to the PDF data sheet for device specific package drawings

Mechanical Data (Package|Pins)
  • ABL|161
Thermal pad, mechanical data (Package|Pins)
Orderable Information

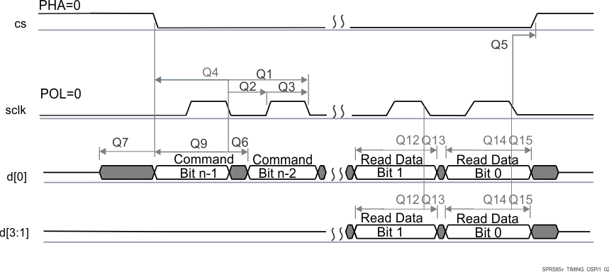
QSPI Switching Characteristics

NO. PARAMETER MIN TYP MAX UNIT
Q1 tc(SCLK) Cycle time, sclk 12.5 ns
Q2 tw(SCLKL) Pulse duration, sclk low Y*P – 3(1)(2) ns
Q3 tw(SCLKH) Pulse duration, sclk high Y*P – 3(1) ns
Q4 td(CS-SCLK) Delay time, sclk falling edge to cs active edge –M*P – 1(1)(3) –M*P + 2.5(1)(3) ns
Q5 td(SCLK-CS) Delay time, sclk falling edge to cs inactive edge N*P – 1(1)(3) N*P + 2.5(1)(3) ns
Q6 td(SCLK-D1) Delay time, sclk falling edge to d[1] transition –3.5 7 ns
Q7 tena(CS-D1LZ) Enable time, cs active edge to d[1] driven (lo-z) –P – 4(3) –P +1(3) ns
Q8 tdis(CS-D1Z) Disable time, cs active edge to d[1] tri-stated (hi-z) –P – 4(3) –P +1(3) ns
Q9 td(SCLK-D1) Delay time, sclk first falling edge to first d[1] transition (for PHA = 0 only) –3.5 – P(3) 7 – P(3) ns
Q12 tsu(D-SCLK) Setup time, d[3:0] valid before falling sclk edge 7.3 ns
Q13 th(SCLK-D) Hold time, d[3:0] valid after falling sclk edge 1.5 ns
Q14 tsu(D-SCLK) Setup time, final d[3:0] bit valid before final falling sclk edge 7.3 — P(3) ns
Q15 th(SCLK-D) Hold time, final d[3:0] bit valid after final falling sclk edge 1.5 + P(3) ns
The Y parameter is defined as follows: If DCLK_DIV is 0 or ODD then, Y equals 0.5. If DCLK_DIV is EVEN then, Y equals (DCLK_DIV/2) / (DCLK_DIV+1). For best performance, it is recommended to use a DCLK_DIV of 0 or ODD to minimize the duty cycle distortion. All required details about clock division factor DCLK_DIV can be found in the device-specific Technical Reference Manual.
P = SCLK period in ns.
M = QSPI_SPI_DC_REG.DDx + 1, N = 2
IWR6843 IWR6443 QSPI Read
                    (Clock Mode 0) Figure 7-15 QSPI Read (Clock Mode 0)
IWR6843 IWR6443 QSPI Write (Clock Mode
                    0) Figure 7-16 QSPI Write (Clock Mode 0)