SLASEB7D June 2017 – December 2020 MSP430FR6035 , MSP430FR6037 , MSP430FR60371 , MSP430FR6045 , MSP430FR6047 , MSP430FR60471
PRODUCTION DATA
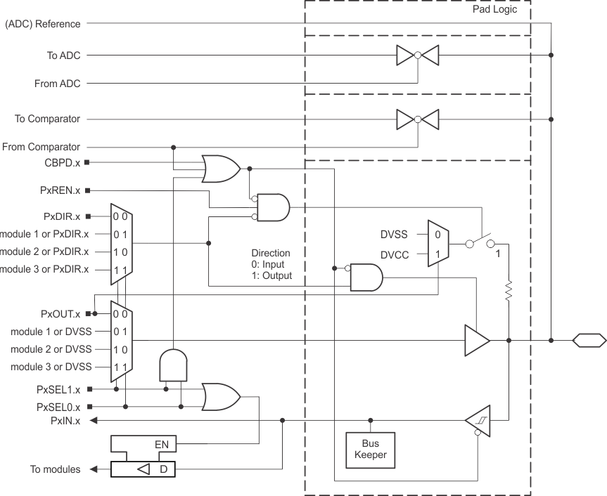
Figure 9-3 shows the port diagram. Table 9-25 summarizes the selection of the pin function.

| PIN NAME (P1.x) | x | FUNCTION | CONTROL BITS AND SIGNALS(1) | ||
|---|---|---|---|---|---|
| P1DIR.x | P1SEL1.x | P1SEL0.x | |||
| P1.0/UCA1CLK/TA1.0/A0/C0/ VREF-/VeREF- | 0 | P1.0 (I/O) | 0 = Input, 1 = Output | 0 | 0 |
| UCA1CLK | X(4) | 0 | 1 | ||
| TA1.CCI0A | 0 | 1 | 0 | ||
| TA1.0 | 1 | ||||
| A0, C0, VREF-, VeREF-(2)(3) | X | 1 | 1 | ||
| P1.1/UCA1STE/TA4.0/A1/C1/ VREF+/VeREF+ | 1 | P1.1 (I/O) | 0 = Input, 1 = Output | 0 | 0 |
| UCA1STE | X(4) | 0 | 1 | ||
| TA4.CCI0A | 0 | 1 | 0 | ||
| TA4.0 | 1 | ||||
| A1, C1, VREF+, VeREF+(2)(3) | X | 1 | 1 | ||