SLVS165O April   1998  – March 2025 TPS3820 , TPS3823 , TPS3824 , TPS3825 , TPS3828

PRODUCTION DATA  

  1.   1
  2. Features
  3. Applications
  4. Description
  5. Device Comparison Table
  6. Pin Configuration and Functions
  7. Specifications
    1. 6.1  Absolute Maximum Ratings
    2. 6.2  ESD Ratings
    3. 6.3  Recommended Operating Conditions
    4. 6.4  Thermal Information
    5. 6.5  Electrical Characteristics
    6. 6.6  Electrical Characteristics for TPS3823A-33 only
    7. 6.7  Timing Requirements
    8. 6.8  Switching Characteristics
    9. 6.9  Timing Diagram
    10. 6.10 Typical Characteristics
  8. Detailed Description
    1. 7.1 Overview
    2. 7.2 Functional Block Diagram
    3. 7.3 Feature Description
      1. 7.3.1 Manual Reset (MR)
      2. 7.3.2 Active-High or Active-Low Output
      3. 7.3.3 Push-Pull or Open-Drain Output
      4. 7.3.4 Watchdog Timer (WDI)
    4. 7.4 Device Functional Modes
  9. Application and Implementation
    1. 8.1 Application Information
    2. 8.2 Typical Applications
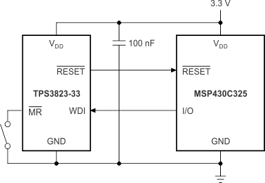
      1. 8.2.1 Supply Rail Monitoring With Watchdog Time-Out and 200ms Delay
        1. 8.2.1.1 Design Requirements
        2. 8.2.1.2 Detailed Design Procedure
        3. 8.2.1.3 Application Curve
      2. 8.2.2 Decoupling WDI During Reset Event
        1. 8.2.2.1 Design Requirements
        2. 8.2.2.2 Detailed Design Procedure
        3. 8.2.2.3 Application Curve
    3. 8.3 Power Supply Recommendations
    4. 8.4 Layout
      1. 8.4.1 Layout Guidelines
      2. 8.4.2 Layout Example
  10. Device and Documentation Support
    1. 9.1 Device Support
      1. 9.1.1 Development Support
        1. 9.1.1.1 Spice Models
      2. 9.1.2 Device Nomenclature
    2. 9.2 Documentation Support
      1. 9.2.1 Related Documentation
    3. 9.3 Receiving Notification of Documentation Updates
    4. 9.4 Support Resources
    5. 9.5 Trademarks
    6. 9.6 Electrostatic Discharge Caution
    7. 9.7 Glossary
  11. 10Revision History
  12. 11Mechanical, Packaging, and Orderable Information

Package Options

Mechanical Data (Package|Pins)
Thermal pad, mechanical data (Package|Pins)
Orderable Information

Description

The TPS382x family of supervisors provide circuit initialization and timing supervision, primarily for DSP and processor-based systems. During power on, RESET asserts when the supply voltage VDD becomes greater than 1.1V. Thereafter, the supply voltage supervisor monitors VDD and keeps RESET active low as long as VDD remains less than the threshold voltage, VIT−. An internal timer delays the return of the output to the inactive state (high) to make sure proper system reset. The delay time, td, starts after VDD has risen above the threshold voltage (VIT− + VHYS). When the supply voltage drops below the threshold voltage VIT−, the output becomes active (low) again. No external components are required. All the devices of this family have a fixed-sense threshold voltage, VIT–, set by an internal voltage divider. The TPS382x family also offers watchdog time out options of 200ms (TPS3820) and 1.6s (TPS3823, TPS3824, and TPS3828).

PART NUMBER PACKAGE(1) BODY SIZE (NOM)(2)
TPS382x SOT-23 (5) 2.90mm × 1.60mm
For all available packages, see the orderable addendum at the end of the data sheet.
The package size (length × width) is a nominal value and includes pins, where applicable.
TPS3820 TPS3823 TPS3824 TPS3825 TPS3828 Typical Application
                        SchematicTypical Application Schematic
TPS3820 TPS3823 TPS3824 TPS3825 TPS3828 Normalized Input
                        Threshold Voltage vs Free-Air TemperatureNormalized Input Threshold Voltage vs Free-Air Temperature