SLVSD02E March   2015  – August 2021 TPS65982

PRODUCTION DATA  

  1. Features
  2. Applications
  3. Description
  4. Revision History
  5. Description (continued)
  6. Pin Configuration and Functions
  7. Specifications
    1. 7.1  Absolute Maximum Ratings
    2. 7.2  ESD Ratings
    3. 7.3  Recommended Operating Conditions
    4. 7.4  Thermal Information
    5. 7.5  Power Supply Requirements and Characteristics
    6. 7.6  Power Supervisor Characteristics
    7. 7.7  Power Consumption Characteristics (1)
    8. 7.8  Cable Detection Characteristics
    9. 7.9  USB-PD Baseband Signal Requirements and Characteristics
    10. 7.10 USB-PD TX Driver Voltage Adjustment Parameter
    11. 7.11 Port Power Switch Characteristics
    12. 7.12 Port Data Multiplexer Switching Characteristics
    13. 7.13 Port Data Multiplexer Clamp Characteristics
    14. 7.14 Port Data Multiplexer SBU Detection Characteristics
    15. 7.15 Port Data Multiplexer Signal Monitoring Pullup and Pulldown Characteristics
    16. 7.16 Port Data Multiplexer USB Endpoint Characteristics
    17. 7.17 Port Data Multiplexer BC1.2 Detection Characteristics
    18. 7.18 Analog-to-Digital Converter (ADC) Characteristics
    19. 7.19 Input/Output (I/O) Characteristics
    20. 7.20 I2C Slave Characteristics
    21. 7.21 SPI Controller Characteristics
    22. 7.22 BUSPOWERZ Configuration Characteristics
    23. 7.23 Thermal Shutdown Characteristics
    24. 7.24 Oscillator Characteristics
    25. 7.25 Single-Wire Debugger (SWD) Timing Requirements
    26. 7.26 HPD Timing Requirements
    27. 7.27 Typical Characteristics
  8. Parameter Measurement Information
  9. Detailed Description
    1. 9.1 Overview
    2. 9.2 Functional Block Diagram
    3. 9.3 Feature Description
      1. 9.3.1  USB-PD Physical Layer
        1. 9.3.1.1 USB-PD Encoding and Signaling
        2. 9.3.1.2 USB-PD Bi-Phase Marked Coding
        3. 9.3.1.3 USB-PD Transmit (TX) and Receive (Rx) Masks
        4. 9.3.1.4 USB-PD BMC Transmitter
        5. 9.3.1.5 USB-PD BMC Receiver
      2. 9.3.2  Cable Plug and Orientation Detection
        1. 9.3.2.1 Configured as a DFP
        2. 9.3.2.2 Configured as a UFP
        3. 9.3.2.3 Dead-Battery or No-Battery Support
      3. 9.3.3  Port Power Switches
        1. 9.3.3.1  5V Power Delivery
        2. 9.3.3.2  5V Power Switch as a Source
        3. 9.3.3.3  PP_5V0 Current Sense
        4. 9.3.3.4  PP_5V0 Current Limit
        5. 9.3.3.5  Internal HV Power Delivery
        6. 9.3.3.6  Internal HV Power Switch as a Source
        7. 9.3.3.7  Internal HV Power Switch as a Sink
        8. 9.3.3.8  Internal HV Power Switch Current Sense
        9. 9.3.3.9  Internal HV Power Switch Current Limit
        10. 9.3.3.10 External HV Power Delivery
        11. 9.3.3.11 External HV Power Switch as a Source with RSENSE
        12. 9.3.3.12 External HV Power Switch as a Sink with RSENSE
        13. 9.3.3.13 External HV Power Switch as a Sink without RSENSE
        14. 9.3.3.14 External Current Sense
        15. 9.3.3.15 External Current Limit
        16. 9.3.3.16 Soft Start
        17. 9.3.3.17 BUSPOWERZ
        18. 9.3.3.18 Voltage Transitions on VBUS through Port Power Switches
        19. 9.3.3.19 HV Transition to PP_RV0 Pull-Down on VBUS
        20. 9.3.3.20 VBUS Transition to VSAFE0V
        21. 9.3.3.21 C_CC1 and C_CC2 Power Configuration and Power Delivery
        22. 9.3.3.22 PP_CABLE to C_CC1 and C_CC2 Switch Architecture
        23. 9.3.3.23 PP_CABLE to C_CC1 and C_CC2 Current Limit
      4. 9.3.4  USB Type-C Port Data Multiplexer
        1. 9.3.4.1  USB Top and Bottom Ports
        2. 9.3.4.2  Multiplexer Connection Orientation
        3. 9.3.4.3  Digital Crossbar Multiplexer
        4. 9.3.4.4  SBU Crossbar Multiplexer
        5. 9.3.4.5  Signal Monitoring and Pullup/Pulldown
        6. 9.3.4.6  Port Multiplexer Clamp
        7. 9.3.4.7  USB2.0 Low-Speed Endpoint
        8. 9.3.4.8  Battery Charger (BC1.2) Detection Block
        9. 9.3.4.9  BC1.2 Data Contact Detect
        10. 9.3.4.10 BC1.2 Primary and Secondary Detection
      5. 9.3.5  Power Management
        1. 9.3.5.1 Power-On and Supervisory Functions
        2. 9.3.5.2 Supply Switch-Over
        3. 9.3.5.3 RESETZ and MRESET
      6. 9.3.6  Digital Core
      7. 9.3.7  USB-PD BMC Modem Interface
      8. 9.3.8  System Glue Logic
      9. 9.3.9  Power Reset Congrol Module (PRCM)
      10. 9.3.10 Interrupt Monitor
      11. 9.3.11 ADC Sense
      12. 9.3.12 UART
      13. 9.3.13 I2C Slave
      14. 9.3.14 SPI Controller
      15. 9.3.15 Single-Wire Debugger Interface
      16. 9.3.16 DisplayPort HPD Timers
      17. 9.3.17 ADC
        1. 9.3.17.1 ADC Divider Ratios
        2. 9.3.17.2 ADC Operating Modes
        3. 9.3.17.3 Single Channel Readout
        4. 9.3.17.4 Round Robin Automatic Readout
        5. 9.3.17.5 One Time Automatic Readout
      18. 9.3.18 I/O Buffers
        1. 9.3.18.1 IOBUF_GPIOLS and IOBUF_GPIOLSI2C
        2. 9.3.18.2 IOBUF_OD
        3. 9.3.18.3 IOBUF_UTX
        4. 9.3.18.4 IOBUF_URX
        5. 9.3.18.5 IOBUF_PORT
        6. 9.3.18.6 IOBUF_I2C
        7. 9.3.18.7 IOBUF_GPIOHSPI
        8. 9.3.18.8 IOBUF_GPIOHSSWD
      19. 9.3.19 Thermal Shutdown
      20. 9.3.20 Oscillators
    4. 9.4 Device Functional Modes
      1. 9.4.1 Boot Code
      2. 9.4.2 Initialization
      3. 9.4.3 I2C Configuration
      4. 9.4.4 Dead-Battery Condition
      5. 9.4.5 Application Code
      6. 9.4.6 Flash Memory Read
      7. 9.4.7 Invalid Flash Memory
      8. 9.4.8 UART Download
    5. 9.5 Programming
      1. 9.5.1 SPI Controller Interface
      2. 9.5.2 I2C Slave Interface
        1. 9.5.2.1 I2C Interface Description
        2. 9.5.2.2 I2C Clock Stretching
        3. 9.5.2.3 I2C Address Setting
        4. 9.5.2.4 Unique Address Interface
        5. 9.5.2.5 I2C Pin Address Setting
  10. 10Application and Implementation
    1. 10.1 Application Information
    2. 10.2 Typical Applications
      1. 10.2.1 Fully-Featured USB Type-C and PD Charger Application
        1. 10.2.1.1 Design Requirements
          1. 10.2.1.1.1 External FET Path Components (PP_EXT and RSENSE)
        2. 10.2.1.2 Detailed Design Procedure
          1. 10.2.1.2.1 TPS65982 External Flash
          2. 10.2.1.2.2 I2C (I2C), Debug Control (DEBUG_CTL), and Single-Wire De-bugger (SWD) Resistors
          3. 10.2.1.2.3 Oscillator (R_OSC) Resistor
          4. 10.2.1.2.4 VBUS Capacitor and Ferrite Bead
          5. 10.2.1.2.5 Soft Start (SS) Capacitor
          6. 10.2.1.2.6 USB Top (C_USB_T), USB Bottom (C_USB_B), and Sideband-Use (SBU) Connections
          7. 10.2.1.2.7 Port Power Switch (PP_EXT, PP_HV, PP_5V0, and PP_CABLE) Capacitors
          8. 10.2.1.2.8 Cable Connection (CCn) Capacitors and RPD_Gn Connections
          9. 10.2.1.2.9 LDO_3V3, LDO_1V8A, LDO_1V8D, LDO_BMC, VOUT_3V3, VIN_3V3, and VDDIO
        3. 10.2.1.3 Application Curve
      2. 10.2.2 Dual-Port Notebook Application Supporting USB PD Charging and DisplayPort
        1. 10.2.2.1 Design Requirements
          1. 10.2.2.1.1 Source Power Delivery Profiles for Type-C Ports
          2. 10.2.2.1.2 Sink Power Delivery Profile for Type-C Ports
        2. 10.2.2.2 Detailed Design Procedure
          1. 10.2.2.2.1 TPS65982 and System Controller Interaction
          2. 10.2.2.2.2 HD3SS460 Control and DisplayPort Configuration
          3. 10.2.2.2.3 9.3.2.3 DC Barrel Jack and Type-C PD Charging
          4. 10.2.2.2.4 Primary TPS65982 Flash Controller and Secondary Port
          5. 10.2.2.2.5 TPS65982 Dead Battery Support Primary and Secondary Port
          6. 10.2.2.2.6 Debugging Methods
        3. 10.2.2.3 Application Curves
  11. 11Power Supply Recommendations
    1. 11.1 3.3-V Power
      1. 11.1.1 VIN_3V3 Input Switch
      2. 11.1.2 VOUT_3V3 Output Switch
      3. 11.1.3 VBUS 3.3-V LDO
    2. 11.2 1.8 V Core Power
      1. 11.2.1 1.8 V Digital LDO
      2. 11.2.2 1.8 V Analog LDO
    3. 11.3 VDDIO
      1. 11.3.1 Recommended Supply Load Capacitance
      2. 11.3.2 Schottky for Current Surge Protection
  12. 12Layout
    1. 12.1 Layout Guidelines
      1. 12.1.1  TPS65982 Recommended Footprints
        1. 12.1.1.1 Standard TPS65982 Footprint (Circular Pads)
      2. 12.1.2  Alternate TPS65982 Footprint (Oval Pads)
      3. 12.1.3  Top TPS65982 Placement and Bottom Component Placement and Layout
      4. 12.1.4  Oval Pad Footprint Layout and Placement
      5. 12.1.5  Component Placement
      6. 12.1.6  Designs Rules and Guidance
      7. 12.1.7  Routing PP_HV, PP_EXT, PP_5V0, and VBUS
      8. 12.1.8  Routing Top and Bottom Passive Components
      9. 12.1.9  Void Via Placement
      10. 12.1.10 Top Layer Routing
      11. 12.1.11 Inner Signal Layer Routing
      12. 12.1.12 Bottom Layer Routing
    2. 12.2 Layout Example
  13. 13Device and Documentation Support
    1. 13.1 Device Support
      1. 13.1.1 Development Support
    2. 13.2 Documentation Support
      1. 13.2.1 Related Documentation
    3. 13.3 Receiving Notification of Documentation Updates
    4. 13.4 Support Resources
    5. 13.5 Trademarks
    6. 13.6 Electrostatic Discharge Caution
    7. 13.7 Glossary
  14. 14Mechanical, Packaging, and Orderable Information

Package Options

Mechanical Data (Package|Pins)
Thermal pad, mechanical data (Package|Pins)
Orderable Information

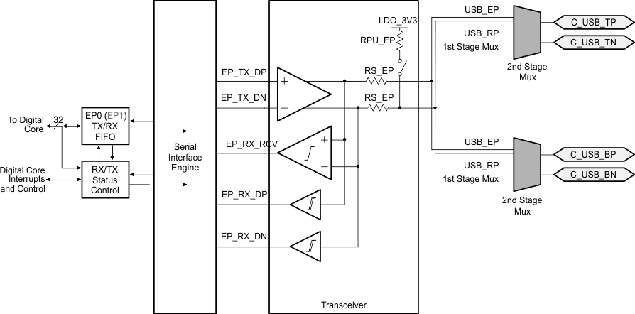
USB2.0 Low-Speed Endpoint

The USB low-speed Endpoint is a USB 2.0 low-speed (1.5 Mbps) interface used to support HID class based accesses. The TPS65982 supports control of endpoint EP0. This endpoint enumerates to a USB 2.0 bus to provide USB-Billboard information to a host system as defined in the USB Type-C standard. EP0 is used for advertising the Billboard Class. When a host is connected to a device that provides Alternate Modes which cannot be supported by the host, the Billboard class allows a means for the host to report back to the user without any silent failures.

Figure 9-38 shows the USB Endpoint physical layer. The physical layer consists of the analog transceiver, the Serial Interface Engine, and the Endpoint FIFOs and supports low speed operation.

GUID-D3A88EBA-3D58-44C6-BC67-15980A9AC6F6-low.gifFigure 9-38 USB Endpoint Phy

The transceiver is made up of a fully differential output driver, a differential to single-ended receive buffer and two single-ended receive buffers on the D+/D– independently. The output driver drives the D+/D– of the selected output of the Port Multiplexer. The signals pass through the 2nd Stage Port Data Multiplexer to the port pins. When driving, the signal is driven through a source resistance RS_EP. RS_EP is shown as a single resistor in USB Endpoint Phy but this resistance also includes the resistance of the 2nd Stage Port Data Multiplexer defined in Port Data Multiplexer Requirements and Characteristics. RPU_EP is disconnected during transmit mode of the transceiver.

When the endpoint is in receive mode, the resistance RPU_EP is connected to the D– pin of the top or bottom port (C_USB_TN or C_USB_BN) depending on the detected orientation of the cable. The RPU_EP resistance advertises low speed mode only.