GERY022 December 2024 AMC0106M05 , AMC0106M25 , AMC0136 , AMC0311D , AMC0311S , AMC0386 , AMC0386-Q1 , AMC1100 , AMC1106M05 , AMC1200 , AMC1200-Q1 , AMC1202 , AMC1203 , AMC1204 , AMC1211-Q1 , AMC1300 , AMC1300B-Q1 , AMC1301 , AMC1301-Q1 , AMC1302-Q1 , AMC1303M2510 , AMC1304L25 , AMC1304M25 , AMC1305M25 , AMC1305M25-Q1 , AMC1306M05 , AMC1306M25 , AMC1311 , AMC1311-Q1 , AMC131M03 , AMC1336 , AMC1336-Q1 , AMC1350 , AMC1350-Q1 , AMC23C12 , AMC3301 , AMC3330 , AMC3330-Q1
Designziele
| Spannungsquelle | AMC1300B Eingangsspannung | AMC1300B Ausgangsspannung (1,44 VCM) | Stromversorgungen | ||||
|---|---|---|---|---|---|---|---|
| VMAX | VMIN | VIN DIFF, MAX | VIN DIFF, MIN | VOUT DIFF, MAX | VOUT DIFF, MIN | VDD1 | VDD2 |
| +240 V | -240 V | +250 mV | -250 mV | +2,05V | -2,05 V | 3,0 V–5,5 V | 3,0 V–5,5 V |
Designbeschreibung I
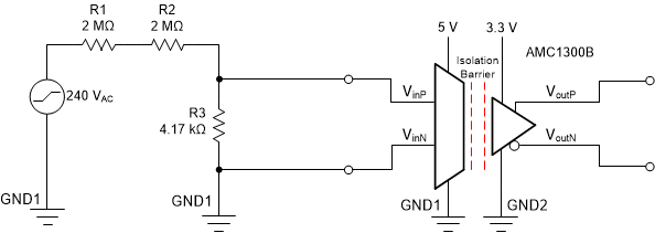
Dieser Schaltkreis führt eine Hochspannungs-Differenzmessung mit einem Spannungsteiler und einem AMC1300B-isolierten Verstärker mit einem ±250 mV-Differenzeingang und Differenzausgang durch. Da es sich um einen Baustein mit geringer Eingangsimpedanz handelt, eignet sich der AMC1300B besser für Strommessanwendungen. Die Interaktion der Eingangsimpedanz des isolierten Verstärkers mit dem Eingangsspannungsteiler führt zu einem Verstärkungsfehler. Darüber hinaus führt der Vorstrom, der an den Eingängen mit niedriger Impedanz und durch den Spannungsmesswiderstand fließt, zu einem signifikanten Offsetfehler. Zunächst werden diese Fehler nicht kompensiert. Danach beobachten wir ihre Auswirkungen und beschreiben sie mathematisch. Zum Schluss werden wir das Design neu gestalten, um ihre Auswirkungen zu begrenzen und die verbesserten Ergebnisse zu beobachten.
Der Spannungsteilerschaltkreis reduziert die Eingangsspannung von ±240 V auf ±250 mV, um sie dem Eingangsbereich des Isolationsverstärkers anzupassen. Der AMC1300B erfordert sowohl High- als auch Low-Side-Stromversorgungen. Die Highside-Stromversorgung wird häufig mit einer potenzialfreien Stromversorgung oder von der Low-Side mit einem isolierten Transformator oder einem isolierten DC/DC-Wandler erzeugt. Der AMC1300B kann Differenzsignale von ±250 mV mit einer festen Verstärkung von 8,2 V/V messen und eine isolierte Differenzausgangsspannung von ±2,05 V mit einer Gleichtaktspannung von 1,44 V ausgeben. Die differenzielle Ausgangsspannung kann nach Bedarf mit einem zusätzlichen Operationsverstärker skaliert werden, wie im Technischen Hinweis zur Schnittstelle mit einem TLV6001-Baustein zur Anbindung an einen A/D-Wandler mit unsymmetrischem Eingang (isoliert) gezeigt.

Designhinweise I
Designschritte I
Gleichstromübertragungskennlinie I
Die folgenden Diagramme zeigen die simulierte Ausgabe für eine ±240 V-Quelle. Die Quelle wird von -300 V bis +300 V durchlaufen, und die Eingangs- und Ausgangsspannungen des Verstärkers werden beobachtet. Die gewünschten linearen Bereiche sind ±250 mV am Eingang des Verstärkers und ±2,05 V am Ausgang des Verstärkers. Am Eingang des Verstärkers erwarten wir aufgrund der Spannungsteilung des Spannungsteilers einen Offsetfehler von 0 und eine Verstärkung von ca. 1,042 mV/V. Am Ausgang des Verstärkers erwarten wir erneut einen Offsetfehler von 0 und eine Verstärkung von 8,542 mV/V aufgrund der Dämpfung der Spannungsquelle des Spannungsteilers, gefolgt von der festen 8,2 V/V-Verstärkung von AMC1300B.
Wie in den folgenden Grafiken zu sehen ist , stimmen die simulierten Ergebnisse nicht mit der gewünschten, idealen Ausgabe überein. Am Eingang des Verstärkers liegt ein Offsetspannungsfehler von 107 mV vor. Dies ist im Vergleich zum ±250 mV-Eingangsbereich des Bauteils signifikant. Dieser Offsetfehler wird zum Ausgang des Verstärkers übertragen, wo ein 837 mV-Offset einen großen Teil des ±2,05 V-Ausgangsbereichs des Verstärkers einnimmt. Die Schaltung weist außerdem einen signifikanten Verstärkungsfehler auf. Obwohl am Eingang des Spannungsteilers eine Verstärkung von 1,042 mV/V und am Ausgang des Bausteins eine Verstärkung von 8,540 mV/V zu erwarten ist, beobachten wir stattdessen Verstärkungen von 0,853 mV/V bzw. 6,842 mV/V, die zu großen Verstärkungsfehlern von ca. 18,1 % bzw. 19,9 % führen. Im folgenden Abschnitt werden bessere Designverfahren definiert.


Designbeschreibung II
Die vorherige Methode eignet sich für Spannungsmessanwendungen, wenn Bausteine mit großen Eingangswiderständen, wie z. B. 1 MΩ oder höher, verwendet werden. Der AMC1300B-Baustein hat eine differenzielle Eingangsimpedanz von 22 kΩ, was zu den oben gezeigten Offset- und Verstärkungsfehlern führt. Verstärkungs- und Offsetfehler bei der Verwendung eines Verstärkers mit niedriger Eingangsimpedanz zur Spannungsmessung in dieser Schaltkreiskonfiguration können mit den folgenden Formeln geschätzt werden.
Der Verstärkungsfehler ist das Ergebnis einer nicht idealen Spannungsaufteilung durch R3. Da der Eingangswiderstand des Verstärkers mit R3 vergleichbar ist, wird ein Teil des an R1 und R2 ausgehenden Stroms nicht durch R3 geleitet, sondern durch den Eingang des Verstärkers geleitet. Das Ergebnis ist ein unerwarteter Spannungsabfall am Eingang des Verstärkers. Daher ist die Formel im Abschnitt Designschritte I ungültig. Es muss eine umfassendere Formel berücksichtigt werden, bei der die Eingangsimpedanz des Verstärkers parallel zu R3 ist. Der Offset-Fehler ist das Produkt des Bias-Stroms, der durch den Shunt-Widerstand R3 vom PLUS-Eingangspin des isolierten Verstärkers fließt. Dieser Bias-Strom an R3 V kann zu signifikanten Offsetspannungen am Eingang führen, die dann verstärkt und an den Ausgang geleitet werden.
Anhand der vorherigen Formeln kann man die Fehler der Schaltung im Abschnitt Designschritte I abschätzen. Unter Verwendung der typischen im Datenblatt angegebenen Werte beträgt der Differenzeingangswiderstand 22 kΩ und der Eingangsruhestrom 30 µA. Wir haben für R3 einen Wert von 4.17 kΩ festgelegt. Daher ist am Eingang des Verstärkers ein Verstärkungsfehler von 18,7 % und ein Offsetfehler von 125 mV zu erwarten. Im Vergleich dazu hatten die simulierten Fehler einen Verstärkungsfehler von 19,9 % am Ausgang des Verstärkers und 107 mV des Offsets am Eingang. Diese Fehlerformeln sind wertvolle Hilfsmittel, um sich schnell ein Bild von der zu erwartenden Größe der Fehler zu machen. Ohne Simulationen können Sie sich ein Bild davon machen, ob die erwarteten Fehler für den Endanwender akzeptabel sind oder nicht.
Wie im Datenblatt AMC1300 Precision, ±250 mV Eingang, verstärkter isolierter Verstärker erwähnt, kann die Einführung von R3' in Reihe mit dem invertierenden Anschluss des Verstärkers für Spannungsmessanwendungen die Offset- und Verstärkungsfehler reduzieren. Der Bias-Strom des Verstärkers erzeugt am negativen Eingangspin einen ähnlichen Offset wie am positiven Eingangspin. Dadurch wird die Größe der gesamten Offsetspannung erheblich verringert. Darüber hinaus werden die Auswirkungen des Eingangswiderstands des Verstärkers und R3' bei der Auswahl des Wertes R3 berücksichtigt. Dies ermöglicht eine idealere Spannungsverteilung der 240 V-Quelle und verbessert den Gesamtverstärkungsfehler.
Designschritte II – Berücksichtigung von R3'
Wie in den Designschritten I sind die Verstärkungs- und RtoP-Widerstandsberechnungen exakt gleich. Deshalb sind wir mehr an der Berechnung von R3 und R3' interessiert, um die beste Schaltkreisleistung zu erzielen.
Dies ist die daraus resultierende ideale Schaltungskonfiguration. Beachten Sie, dass rot dargestellte Rind den differenziellen Eingangswiderstand des AMC1300B darstellt und nicht zum Schaltplan hinzugefügt werden sollte.

Gleichstromübertragungskennlinie II
Die folgenden Diagramme zeigen das simulierte Ausgangssignal für eine Spannungsquelle mit ±240 V unter Verwendung des neuen Designs. Erinnern Sie sich, dass die gewünschten linearen Bereiche ±250 mV am Eingang des Verstärkers und ±2,05 V am Ausgang des Verstärkers sind.


Das neue Design bietet einen deutlich verbesserten Offset-Fehler. Eingangsoffsetspannung und Verstärkungsfehler wurden auf Null reduziert. Die überarbeitete Schaltung zeigt auch eine bessere Verstärkungsfehlerleistung, da eine genauere Berechnung verwendet wird, um den gewünschten Wert von R3 für den Eingangsspannungsteiler und den Idealwert für R3' zu ermitteln.
Dieses positive Ergebnis ist eine Folge der Hinzufügung von R3', um die durch den Bias-Strom des AMC1300B-Bausteins über R3 im ursprünglichen Design eingeführte Offsetspannung zu löschen. Der Nachteil ist, dass die Idealwerte für R3 und R3’ nicht im Handel erhältlich sind und es in Wirklichkeit nicht sinnvoll wäre, zwei verschiedene Widerstandswerte zu verwenden, die so nahe beieinander liegen.
Mit dem Analog Engineers Calculator ist es möglich, die nächsten E189 Serienwiderstandswerte zu finden, die sofort verfügbar sind. In beiden Fällen beträgt der den berechneten Idealwerten für R3 und R3’ am nächsten liegende Widerstandswert von 0,1 % 6.65 kΩ. Der letzte Schaltplan folgt.

Mit sofort verfügbaren Widerständen für R3 und R3' ist die Schaltkreisleistung immer noch ziemlich gut, wie in den folgenden Diagrammen zu sehen ist. Der Verstärkungsfehler am Eingang wurde von 18,2 % auf 0,3 % reduziert. Der Verstärkungsfehler am Ausgang wurde von 19,9 % auf 0,4 % reduziert. Die Offsetfehler werden auch auf 195 µV am Eingang und 2 mV am Ausgang reduziert.

AC-Übertragungskennlinie II
Eine AC-Abtastung validiert den Frequenzbereich, in dem der gewünschte Ausgang zu erwarten ist. Im folgenden Simulationsplot entspricht die simulierte Verstärkung von –41,40 dB oder 8,51 mV/V dem Verstärkungsergebnis im DC-Ausgangsdiagramm. Dies liegt relativ nahe an der gewünschten Ausgangsverstärkung von –41,37 dB oder 8,54 mV/V, wie im vorhergehenden Abschnitt erläutert wurde. Die simulierte Bandbreite des Designs, 313,1 kHz, übersteigt leicht die Erwartungen, die durch die typische Bandbreitenspezifikation von 310 kHz im Datenblatt festgelegt werden.

Quellennachweise
Design vorgestellter isolierter Operationsverstärker
| AMC1300B | |
|---|---|
| VDD1 | 3,0 V–5,5 V |
| VDD2 | 3 V–5,5 V |
| Eingangsspannungsbereich | ±250 mV |
| Nennverstärkung | 8,2 |
| VOUT | Differenziell ±2,05 V am Ausgangsgleichtakt von 1,44 V |
| Eingangswiderstand | 19 kΩ (Typ, unsymmetrisch), 22 kΩ (Typ, differenziell) |
| Kleinsignalbandbreite | 310 kHz |
| Eingangs-Offsetspannung und Drift | ±0, 2mV (max.), ±3 µV/°C (max.) |
| Verstärkungsfehler und Drift | ±0,3 % (max.), ±15 ppm/°C (Typ) |
| Nichtlinearität und Drift | ±0,03 % (max.), ±1 ppm/Grad C (Typ.) |
| Isolierung transiente Überspannung | 7,071 kVPEAK |
| Arbeitsspannung | 1,5 kVRMS, 2,121 kVDC |
| Gleichtakt-Transientenstörfestigkeit (CMTI) | 75 kV/µs (min.), 140 kV/µs (typ.) |
| AMC1300 | |
Design alternativer isolierter Operationsverstärker
| AMC1200 | |
|---|---|
| VDD1 | 4,5 V–5,5 V |
| VDD2 | 2,7 V–5,5 V |
| Eingangsspannungsbereich | ±250 mV |
| Nennverstärkung | 8 |
| VOUT | Differenziell ±2 V, Gleichtakt variiert mit dem Versorgungsspannungsbereich |
| Eingangswiderstand | 28 kΩ (typ., differenziell) |
| Kleinsignalbandbreite | 100 kHz |
| Eingangs-Offsetspannung und Drift | ±1,5 mV (max.), ±10 µV/°C (max.) |
| Verstärkungsfehler und Drift | ±1 % (max.), ±56 ppm/°C (typ.) |
| Nichtlinearität und Drift | ±0,1 % (max.), ±2,4 ppm/°C (typ.) |
| Isolierung Transiente Überspannung | 4 kVPEAK |
| Arbeitsspannung | 1,2 kVPeak |
| Gleichtakt-Transientenstörfestigkeit (CMTI) | 10 kV/µs (min), 15 kV/µs (typ.) |
| AMC1200 | |