SPRACV0A February   2021  – March 2023 F29H850TU , F29H850TU , F29H859TU-Q1 , F29H859TU-Q1 , TMS320F2800132 , TMS320F2800132 , TMS320F2800133 , TMS320F2800133 , TMS320F2800135 , TMS320F2800135 , TMS320F2800137 , TMS320F2800137 , TMS320F2800152-Q1 , TMS320F2800152-Q1 , TMS320F2800153-Q1 , TMS320F2800153-Q1 , TMS320F2800154-Q1 , TMS320F2800154-Q1 , TMS320F2800155 , TMS320F2800155 , TMS320F2800155-Q1 , TMS320F2800155-Q1 , TMS320F2800156-Q1 , TMS320F2800156-Q1 , TMS320F2800157 , TMS320F2800157 , TMS320F2800157-Q1 , TMS320F2800157-Q1 , TMS320F280021 , TMS320F280021 , TMS320F280021-Q1 , TMS320F280021-Q1 , TMS320F280023 , TMS320F280023 , TMS320F280023-Q1 , TMS320F280023-Q1 , TMS320F280023C , TMS320F280023C , TMS320F280025 , TMS320F280025 , TMS320F280025-Q1 , TMS320F280025-Q1 , TMS320F280025C , TMS320F280025C , TMS320F280025C-Q1 , TMS320F280025C-Q1 , TMS320F280033 , TMS320F280033 , TMS320F280034 , TMS320F280034 , TMS320F280034-Q1 , TMS320F280034-Q1 , TMS320F280036-Q1 , TMS320F280036-Q1 , TMS320F280036C-Q1 , TMS320F280036C-Q1 , TMS320F280037 , TMS320F280037 , TMS320F280037-Q1 , TMS320F280037-Q1 , TMS320F280037C , TMS320F280037C , TMS320F280037C-Q1 , TMS320F280037C-Q1 , TMS320F280038-Q1 , TMS320F280038-Q1 , TMS320F280038C-Q1 , TMS320F280038C-Q1 , TMS320F280039 , TMS320F280039 , TMS320F280039-Q1 , TMS320F280039-Q1 , TMS320F280039C , TMS320F280039C , TMS320F280039C-Q1 , TMS320F280039C-Q1 , TMS320F280040-Q1 , TMS320F280040-Q1 , TMS320F280040C-Q1 , TMS320F280040C-Q1 , TMS320F280041 , TMS320F280041 , TMS320F280041-Q1 , TMS320F280041-Q1 , TMS320F280041C , TMS320F280041C , TMS320F280041C-Q1 , TMS320F280041C-Q1 , TMS320F280045 , TMS320F280045 , TMS320F280048-Q1 , TMS320F280048-Q1 , TMS320F280048C-Q1 , TMS320F280048C-Q1 , TMS320F280049 , TMS320F280049 , TMS320F280049-Q1 , TMS320F280049-Q1 , TMS320F280049C , TMS320F280049C , TMS320F280049C-Q1 , TMS320F280049C-Q1 , TMS320F28075 , TMS320F28075 , TMS320F28075-Q1 , TMS320F28075-Q1 , TMS320F28076 , TMS320F28076 , TMS320F28374D , TMS320F28374D , TMS320F28374S , TMS320F28374S , TMS320F28375D , TMS320F28375D , TMS320F28375S , TMS320F28375S , TMS320F28375S-Q1 , TMS320F28375S-Q1 , TMS320F28376D , TMS320F28376D , TMS320F28376S , TMS320F28376S , TMS320F28377D , TMS320F28377D , TMS320F28377D-EP , TMS320F28377D-EP , TMS320F28377D-Q1 , TMS320F28377D-Q1 , TMS320F28377S , TMS320F28377S , TMS320F28377S-Q1 , TMS320F28377S-Q1 , TMS320F28378D , TMS320F28378D , TMS320F28378S , TMS320F28378S , TMS320F28379D , TMS320F28379D , TMS320F28379D-Q1 , TMS320F28379D-Q1 , TMS320F28379S , TMS320F28379S , TMS320F28384D , TMS320F28384D , TMS320F28384D-Q1 , TMS320F28384D-Q1 , TMS320F28384S , TMS320F28384S , TMS320F28384S-Q1 , TMS320F28384S-Q1 , TMS320F28386D , TMS320F28386D , TMS320F28386D-Q1 , TMS320F28386D-Q1 , TMS320F28386S , TMS320F28386S , TMS320F28386S-Q1 , TMS320F28386S-Q1 , TMS320F28388D , TMS320F28388D , TMS320F28388S , TMS320F28388S , TMS320F28P550SG , TMS320F28P550SG , TMS320F28P550SJ , TMS320F28P550SJ , TMS320F28P559SG-Q1 , TMS320F28P559SG-Q1 , TMS320F28P559SJ-Q1 , TMS320F28P559SJ-Q1 , TMS320F28P650DH , TMS320F28P650DH , TMS320F28P650DK , TMS320F28P650DK , TMS320F28P650SH , TMS320F28P650SH , TMS320F28P650SK , TMS320F28P650SK , TMS320F28P659DH-Q1 , TMS320F28P659DH-Q1 , TMS320F28P659DK-Q1 , TMS320F28P659DK-Q1 , TMS320F28P659SH-Q1 , TMS320F28P659SH-Q1

 

  1.   Abstract
  2.   Trademarks
  3. 1Introduction
    1. 1.1 Resources
      1. 1.1.1 TINA-TI SPICE-Based Analog Simulation Program
      2. 1.1.2 PSPICE for TI Design and Simulation Tool
      3. 1.1.3 Application Report: ADC Input Circuit Evaluation for C2000 MCUs
      4. 1.1.4 TI Precision Labs - SAR ADC Input Driver Design Series
      5. 1.1.5 Analog Engineer's Calculator
      6. 1.1.6 TI Precision Labs - Op Amps: Stability Series
        1. 1.1.6.1 Related Application Reports
      7. 1.1.7 TINA-TI ADC Input Models
  4. 2Charge-Sharing Concept
    1. 2.1 Traditional High-Speed ADC Driving Circuits
    2. 2.2 Increased Cs in High-Speed ADC Driving Circuits
    3. 2.3 Very Large Cs in ADC Driving Circuits
    4. 2.4 Charge-Sharing Operation
    5. 2.5 Sample Rate and Source Impedance vs. Tracking Error
    6. 2.6 Analytical Solution to Tracking Error
    7. 2.7 Charge-Sharing in Multiplexed ADCs
    8. 2.8 Charge-Sharing Circuit Advantages
    9. 2.9 Charge-Sharing Circuit Disadvantages
  5. 3Charge Sharing Design Flow
    1. 3.1 Gather Required Information
    2. 3.2 Size Cs
    3. 3.3 Verify Sample Rate, Source Impedance, and Bandwidth
    4. 3.4 Simulate Circuit Settling Performance
    5. 3.5 Input Design Worksheet
  6. 4Charge-Sharing Circuit Simulation Methods
    1. 4.1 Simulation Components
      1. 4.1.1 Vin
      2. 4.1.2 Voa , Voa_SS, and Verror
      3. 4.1.3 Rs, Cs, and Vcont
      4. 4.1.4 Ch, Ron, and Cp
      5. 4.1.5 S+H Switch, Discharge Switch, tacq, and tdis
    2. 4.2 Configure the Simulation Parameters
    3. 4.3 Simulating Op-amp Steady-State Voltage
    4. 4.4 Measure the Settling Error
    5. 4.5 Sweeping Source Resistance
  7. 5Example Circuit Designs
    1. 5.1 Example 1: Determining Maximum Sample Rate
      1. 5.1.1 Example 1: Analysis
      2. 5.1.2 Example 1: Simulation
      3. 5.1.3 Example 1: Worksheet
    2. 5.2 Example 2: Adding an Op-amp
      1. 5.2.1 Example 2: Analysis
      2. 5.2.2 Example 2: Simulation
      3. 5.2.3 Example 2: Worksheet
    3. 5.3 Example 3: Reduced Settling Target
      1. 5.3.1 Example 3: Analysis
      2. 5.3.2 Example 3: Simulation
      3. 5.3.3 Example 3: Worksheet
    4. 5.4 Example 4: Voltage Divider
      1. 5.4.1 Example 4: Analysis
      2. 5.4.2 Example 4: Simulation
      3. 5.4.3 Example 4: Worksheet
  8. 6Summary
  9.   A Appendix: ADC Input Settling Motivation
    1.     A.1 Mechanism of ADC Input Settling
    2.     A.2 Symptoms of Inadequate Settling
      1.      A.2.1 Distortion
      2.      A.2.2 Memory Cross-Talk
      3.      A.2.3 Accuracy
      4.      A.2.4 C2000 ADC Architecture
  10.   References
  11.   Revision History

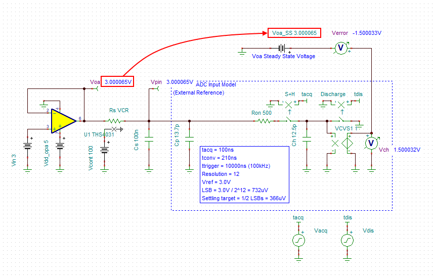
Simulating Op-amp Steady-State Voltage

Charge-sharing settling input designs do not always include an op-amp, but when the signal chain of interest does, steps must be taken to account for the DC voltage errors modeled in the TINA-TI models. This ensures that the simulation only measures settling performance.

To accomplish this, run a DC nodal analysis by using the menu options "Analysis" → "DC Analysis" → "Calculate nodal voltages". Then copy the voltage produced at the op-amp output node to the Voa_SS voltage source as shown in Figure 4-5.

GUID-2ED6D4DE-54DA-42D8-834C-DA0EDA7B5EE3-low.png Figure 4-5 Nodal Analysis Example
Note: This same method can be used to determine the expected output voltage of a voltage divider. Apply a DC input voltage to the divider and copy the nodal output voltage to Voa_ss.