SLUSA71B July   2010  – September 2025 UCC28070-Q1

PRODUCTION DATA  

  1.   1
  2. Features
  3. Applications
  4. Description
  5. Pin Configuration and Functions
  6. Specifications
    1. 5.1 Absolute Maximum Ratings
    2. 5.2 ESD Ratings
    3. 5.3 Recommended Operating Conditions
    4. 5.4 Thermal Information
    5. 5.5 Electrical Characteristics
    6. 5.6 Typical Characteristics
  7. Detailed Description
    1. 6.1 Overview
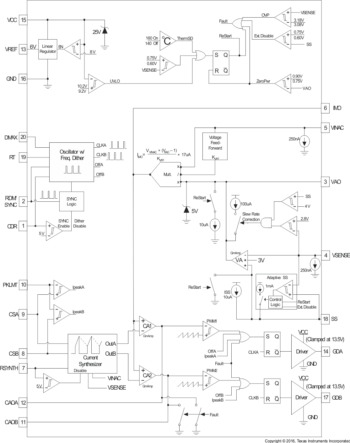
    2. 6.2 Functional Block Diagram
    3. 6.3 Feature Description
      1. 6.3.1  Interleaving
      2. 6.3.2  Programming the PWM Frequency and Maximum Duty-Cycle Clamp
      3. 6.3.3  Frequency Dithering (Magnitude and Rate)
      4. 6.3.4  External Clock Synchronization
      5. 6.3.5  Multi-phase Operation
      6. 6.3.6  VSENSE and VINAC Resistor Configuration
      7. 6.3.7  VSENSE and VINAC Open-Circuit Protection
      8. 6.3.8  Current Synthesizer
      9. 6.3.9  Programmable Peak Current Limit
      10. 6.3.10 Linear Multiplier and Quantized Voltage Feed Forward
      11. 6.3.11 Enhanced Transient Response (VA Slew-Rate Correction)
      12. 6.3.12 Bias Voltages (VCC and VREF)
      13. 6.3.13 PFC Enable and Disable
      14. 6.3.14 Adaptive Soft-Start
      15. 6.3.15 PFC Start-Up Hold Off
      16. 6.3.16 Output Overvoltage Protection (OVP)
      17. 6.3.17 Zero-Power Detection
      18. 6.3.18 Thermal Shutdown
      19. 6.3.19 Current Loop Compensation
      20. 6.3.20 Voltage Loop Compensation
    4. 6.4 Device Functional Modes
  8. Application and Implementation
    1. 7.1 Application Information
    2. 7.2 Typical Application
      1. 7.2.1 Design Requirements
      2. 7.2.2 Detailed Design Procedure
        1. 7.2.2.1 Output Current Calculation
        2. 7.2.2.2 Bridge Rectifier
        3. 7.2.2.3 PFC Inductor (L1 and L2)
        4. 7.2.2.4 PFC MOSFETs (M1 and M2)
        5. 7.2.2.5 PFC Diode
        6. 7.2.2.6 PFC Output Capacitor
        7. 7.2.2.7 Current-Loop Feedback Configuration (Sizing of the Current-Transformer Turns-Ratio NCT and Current-Sense Resistor RS)
        8. 7.2.2.8 Current-Sense Offset and PWM Ramp for Improved Noise Immunity
      3. 7.2.3 Application Curves
    3. 7.3 Power Supply Recommendations
    4. 7.4 Layout
      1. 7.4.1 Layout Guidelines
      2. 7.4.2 Layout Example
  9. Device and Documentation Support
    1. 8.1 Documentation Support
      1. 8.1.1 Related Documentation
    2. 8.2 Receiving Notification of Documentation Updates
    3. 8.3 Support Resources
    4. 8.4 Trademarks
    5. 8.5 Electrostatic Discharge Caution
    6. 8.6 Glossary
  10. Revision History
  11. 10Mechanical, Packaging, and Orderable Information

Functional Block Diagram

UCC28070-Q1