SLVAEI5A december   2019  – june 2023 TPS25830-Q1 , TPS25830A-Q1 , TPS25831-Q1 , TPS25840-Q1

 

  1.   1
  2.   TPS25830, TPS25831-Q1, and TPS25840-Q1 Short-to-Battery Application
  3.   Trademarks
  4. 1Introduction
  5. 2Short-to-Battery Conventional Application
    1. 2.1 External FET VBUS/DP_IN/DM-IN Short-to-VBAT Application
      1. 2.1.1 VBUS Short-to-VBAT Application
      2. 2.1.2 DP_IN/DM_IN Short-to-VBAT Application
      3. 2.1.3 VBUS /DP_IN/DP_IN Short-to-VBAT Application Summary
    2. 2.2 Without External FET VOUT/DP_IN/DM-IN Short-to-VBAT Application
      1. 2.2.1 VOUT/CSN Short-to-VBAT Application
      2. 2.2.2 DP_IN/DM_IN Short-to-VBAT Application
      3. 2.2.3 VOUT/DP_IN/DP_IN Short-to-VBAT Application Summary
    3. 2.3 CC1/CC2 Short-to-VBAT Application
  6. 3Short-to-Battery Special Application
    1. 3.1 External FET VBUS/DP_IN/DM-IN Short-to-VBAT Application
      1. 3.1.1 VBUS Short-to-VBAT Application
      2. 3.1.2 DP_IN/DM_IN Short-to-VBAT Application
      3. 3.1.3 VBUS/DP_IN/DM-IN Short-toVBAT Application Summary
    2. 3.2 Without External FET VOUT/DP_IN/DM-IN Short-to-VBAT Application
      1. 3.2.1 VOUT Short-to-VBAT Application
      2. 3.2.2 DP_IN/DM_IN Short-to-VBAT Application
      3. 3.2.3 VOUT /DP_IN/DM-IN Short-to-VBAT Application Summary
  7. 4Short-to-Battery Connect to TVS Application
    1. 4.1 VBUS Short-to-VBAT Connect to TVS Application
    2. 4.2 VOUT Short-to-VBAT Connect to TVS Application
    3. 4.3 DP/DM Short-to-VBAT Connect to TVS Application
    4. 4.4 CC1/CC2 Short-to-VBAT Connect to TVS Application
  8. 5Revision History

Short-to-Battery Special Application

In the customer applications, there are usually some special applications, which can be summarized as the following:

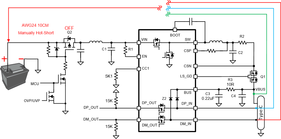
Application 1: Customers usually add a MOSFET Q2 protection circuit before the TPS25830, TPS25831-Q1, or TPS25840-Q1 system to realize overvoltage, undervoltage, and anti-reverse connection functions. When input voltage is overvoltage or undervoltage, Q2 is closed. When Q2 is closed, the USB lighting output port can accidentally touch the positive pole of the cigarette lighter. This is a possible situation that needs to be tested. Equivalent test conditions are power off, then VBUS/DP_IN/DM_IN short-to-battery VBAT (see Figure 3-1):

  • VBAT = 14.5 V
  • VIN = 0 V
  • EN = VIN
  • Vout = 0 V
  • IOUT = 0 A
GUID-3D42D1E2-7124-442E-85B3-B6A940D8AE15-low.gifFigure 3-1 VBUS/DP_IN/DM_IN Short-to-VBAT Test Setup

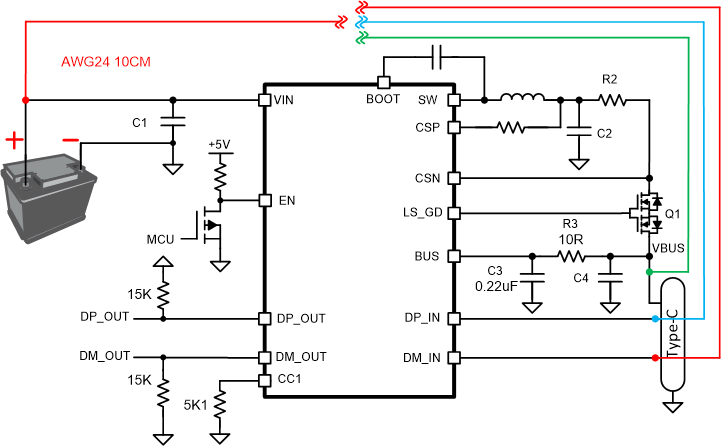
Application 2: After the end user drives to the destination, they shut down the car engine and pull out the USB lightning port from their device. If the USB lightning port accidentally touches the positive pole of the cigarette lighter at this time, the next time the car starts, it has a short circuit between VBUS and VBAT. Equivalent test conditions are: VBUS/DP_IN/DM_IN shorts to the VBAT, then the power on TPS25830, TPS25831-Q1, or TPS25840-Q1 (Figure 3-2).

GUID-C171FB49-727A-4C81-83FC-736089BE2DCE-low.gifFigure 3-2 VBUS/DP_IN/DM_IN Short-to-VBAT Test Setup

Application 3 is similar to application 2. The only difference is that EN is controlled by an external MCU or other control signals due to customer timing requirements. Equivalent test conditions are to first, VBUS/DP_IN/DM_IN short to VBAT and power on, then EN enable. Figure 3-3 shows the test setup.

GUID-CC9DDF0C-F41D-40B9-B6B6-5C626FB3E3EF-low.gifFigure 3-3 VBUS/DP_IN/DM_IN Short-to-VBAT Test Setup